Sunday, July 16th, 2023 AT 8:33 PM
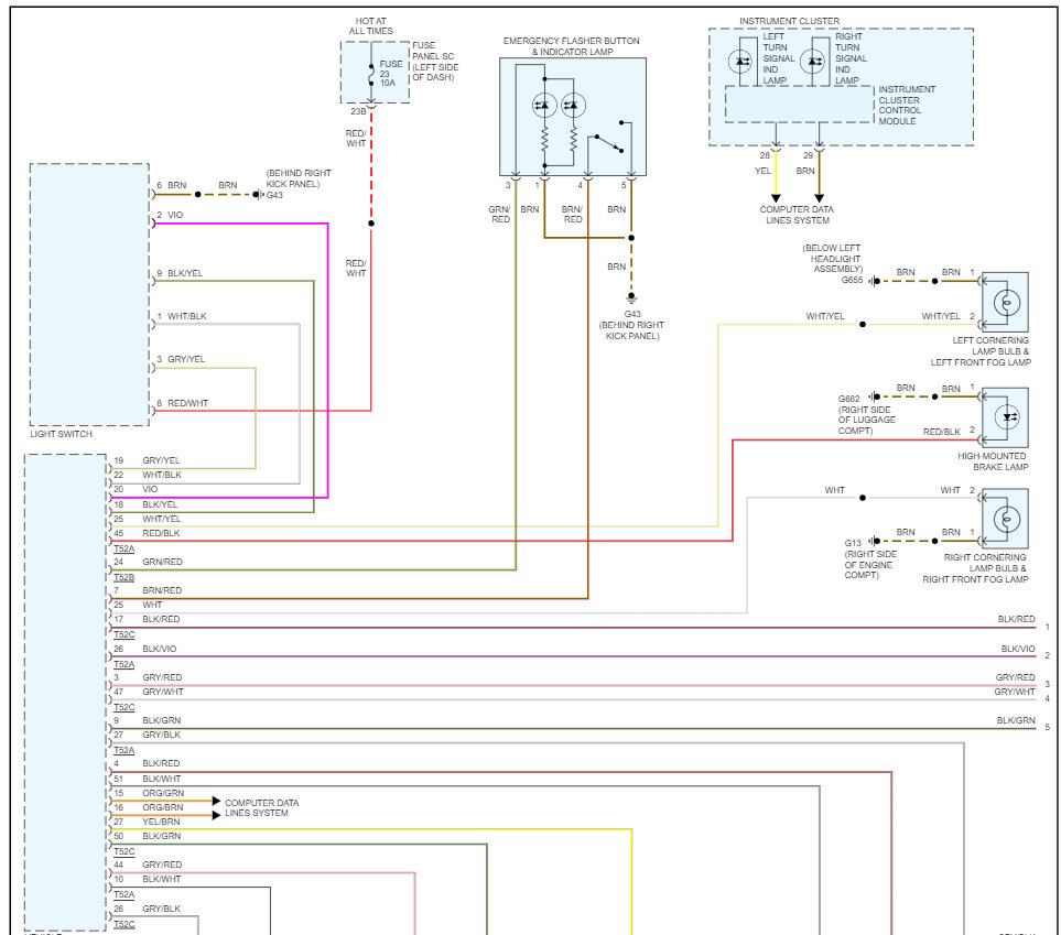
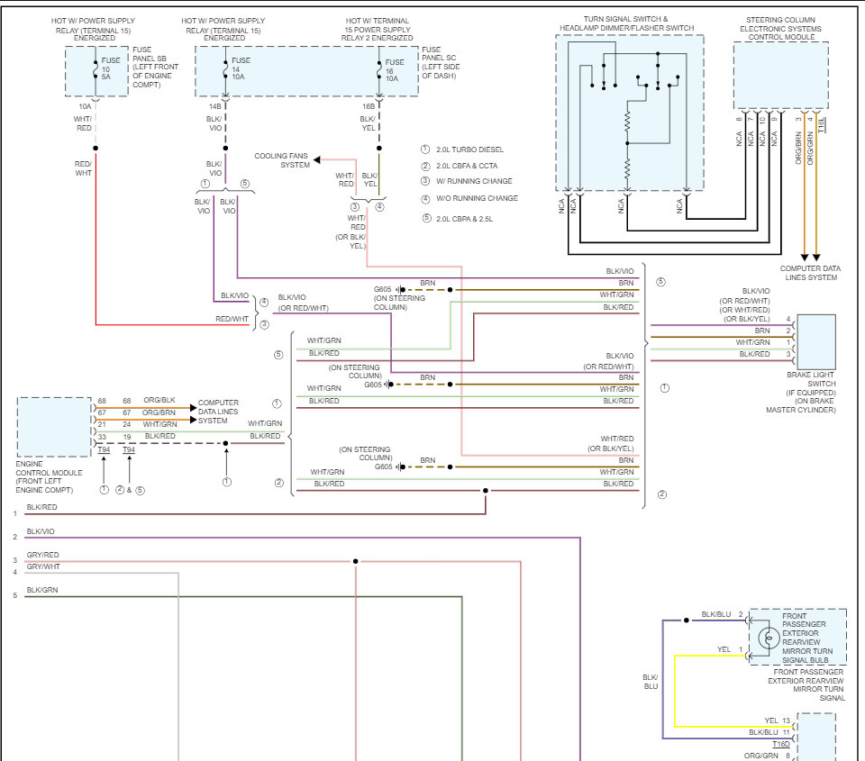
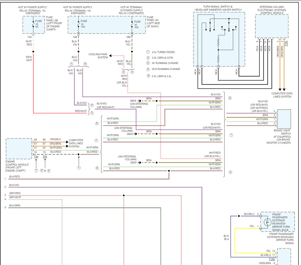
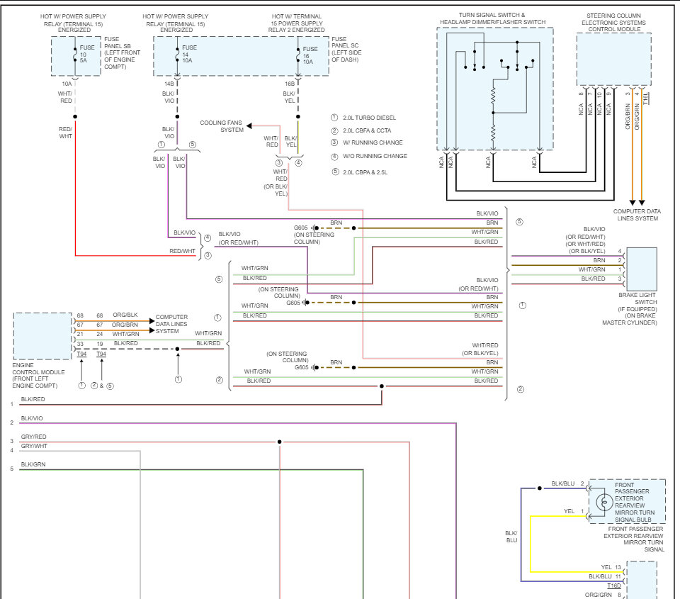
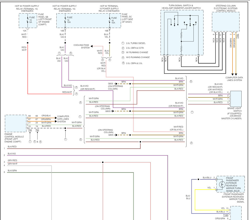
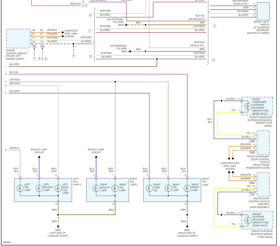
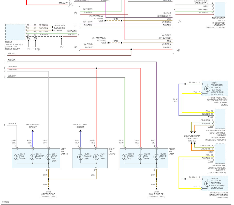
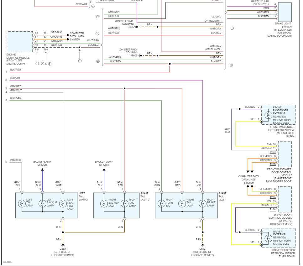
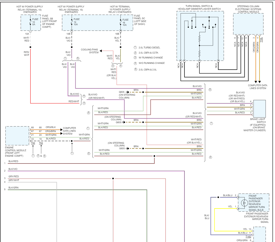
I’m having trouble with my taillights turning on at night. The brake lights work fine during the day when the light switch is off, but at night when I turn the light switch on my taillights don’t turn on and my fog lights either, but my brake lights work. I’ve replaced all the blown fuses. After I’ve tested them with the test light some of my fuses show power on neither side even with the car on, but I tested the area. I plugged those fuses in, and the test light lit up. I’m not sure what’s wrong with that, but other than that all the other fuses seem fine. I even tested taillights for power, but the test light didn’t light up. So, I’m confused and need help and yes, I’ve replaced the taillight bulbs with brand new ones and still nothing.











