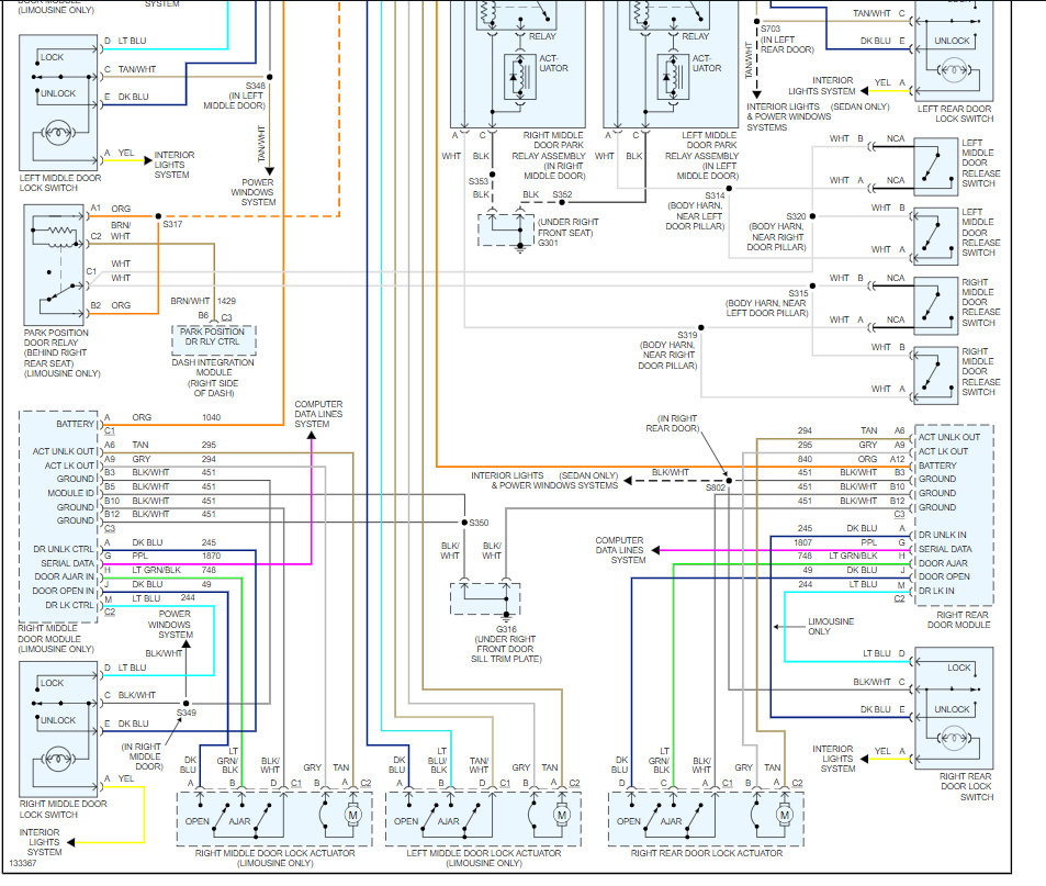
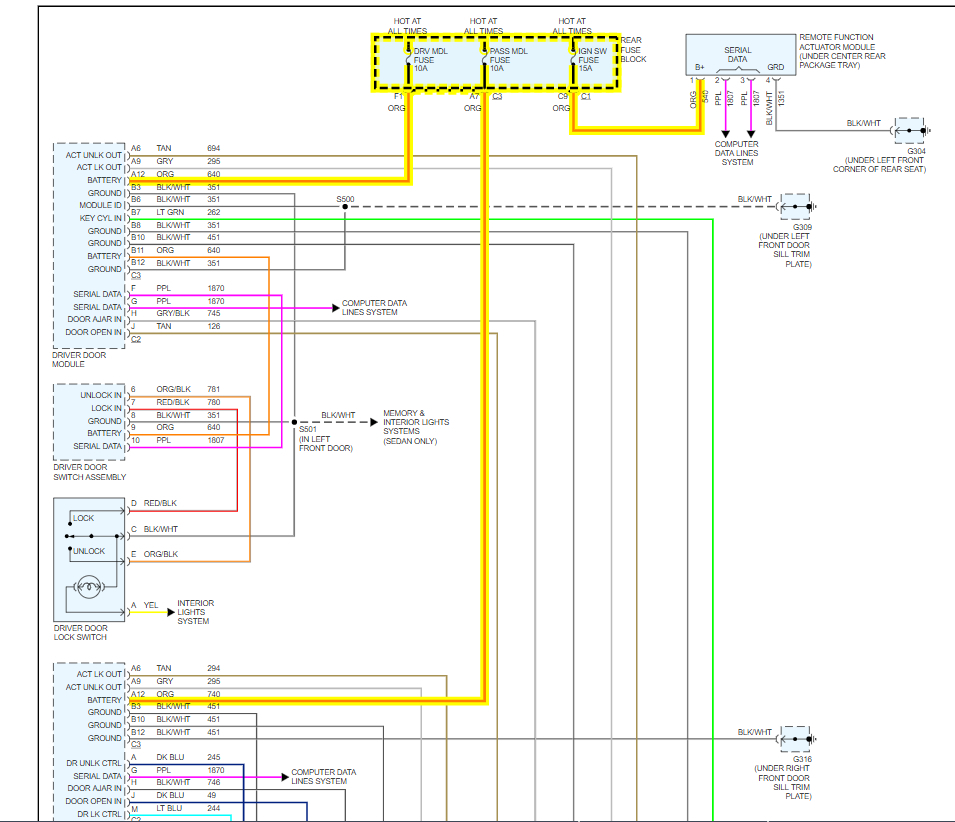
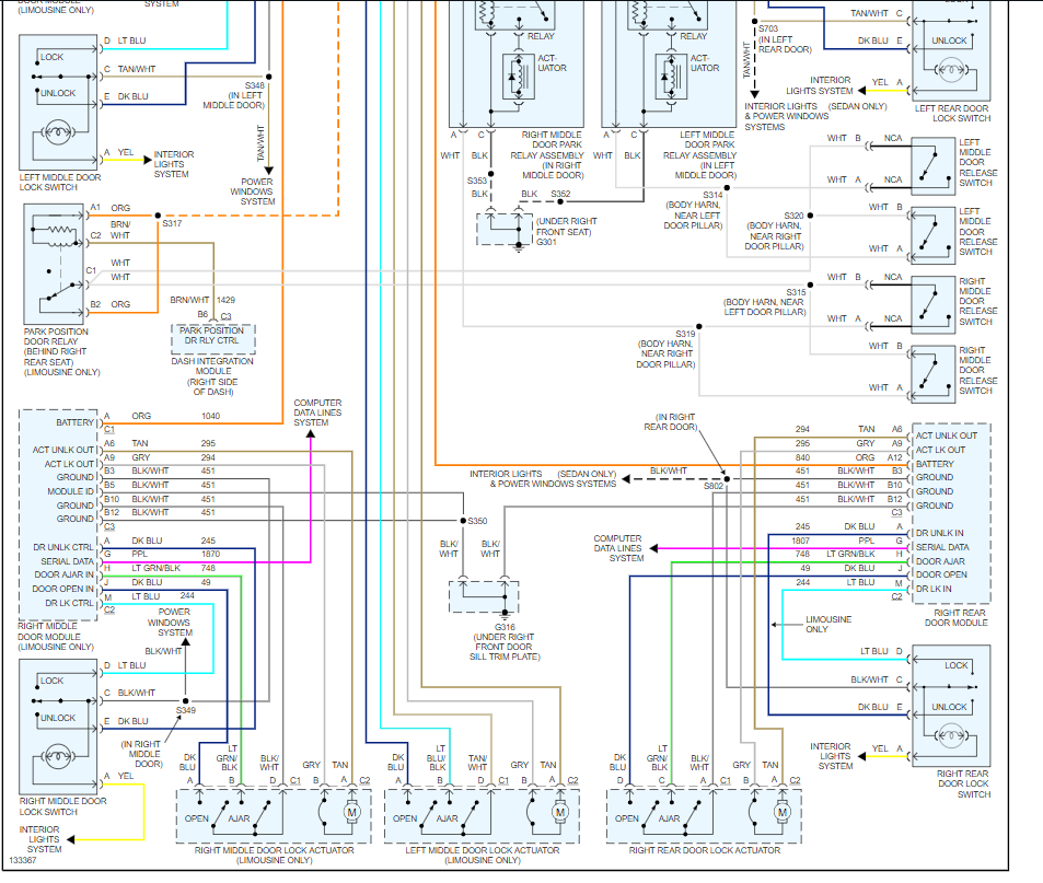
Monday, May 17th, 2021 AT 6:26 PM
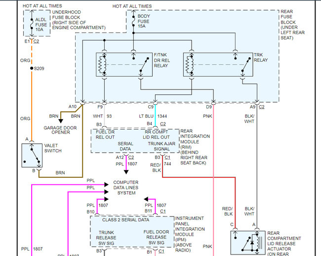
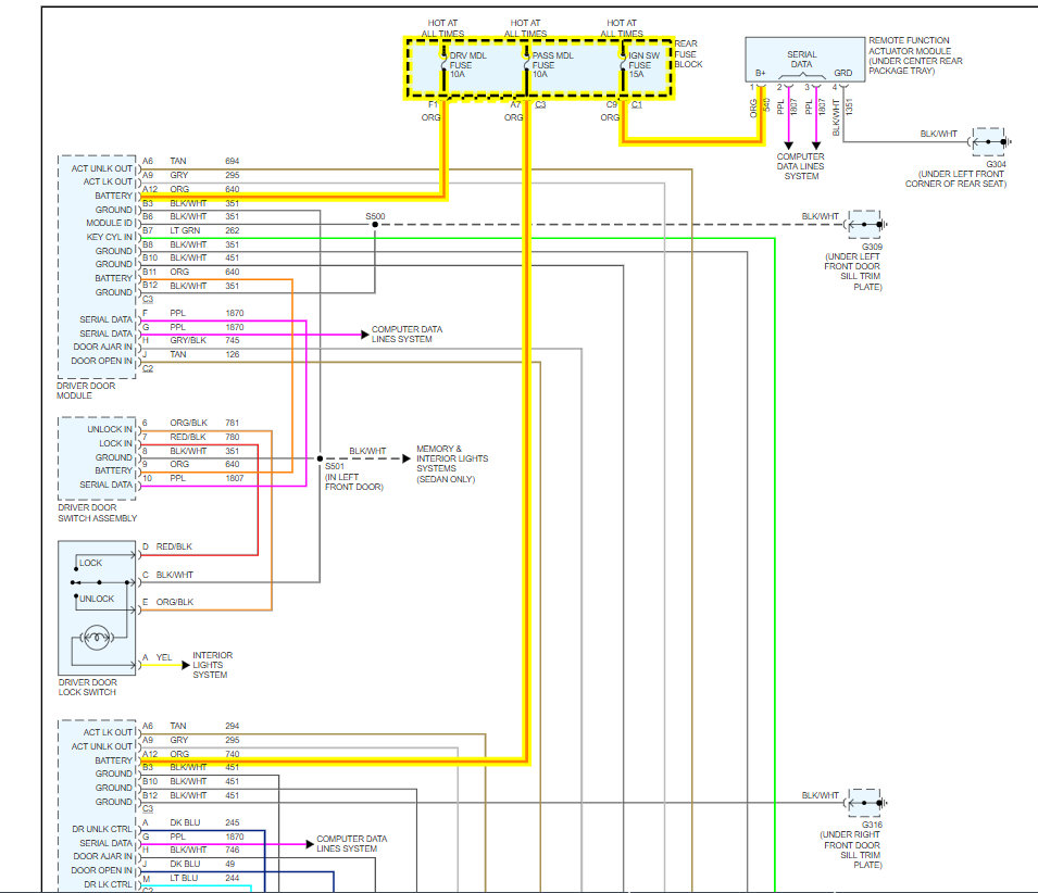
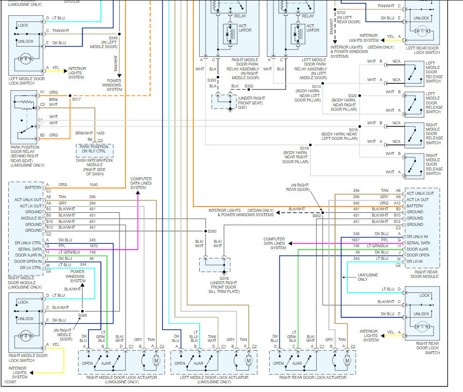
All of a sudden the remote key will not open anything including the door locks. Also the door locks will not work by the inside driver door toggle switch. At the same time the trunk opener and gas filler lid will not open by using the buttons on the dash. These problems all happened at the same time. Any help will be appreciated. Can't figure out by looking at the fuse boxes.






