Starter fuse location

Tiny
JONES TESS AND JOE
  • MEMBER
  • 2003 CHEVROLET MALIBU
  • 4 CYL
  • 2WD
  • AUTOMATIC
  • 200,000 MILES
Where is the fuse for the starter so I can jump start car by bypassing starter?
Tuesday, August 4th, 2020 AT 3:52 PM

4 Replies

Tiny
ASEMASTER6371
  • MECHANIC
  • 52,796 POSTS
Good evening,

Bypass starter? Please explain.

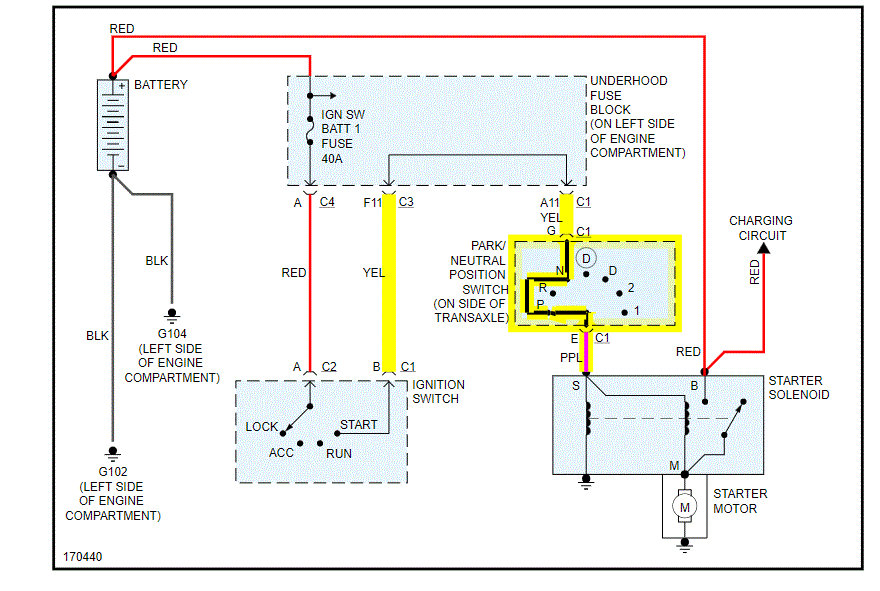
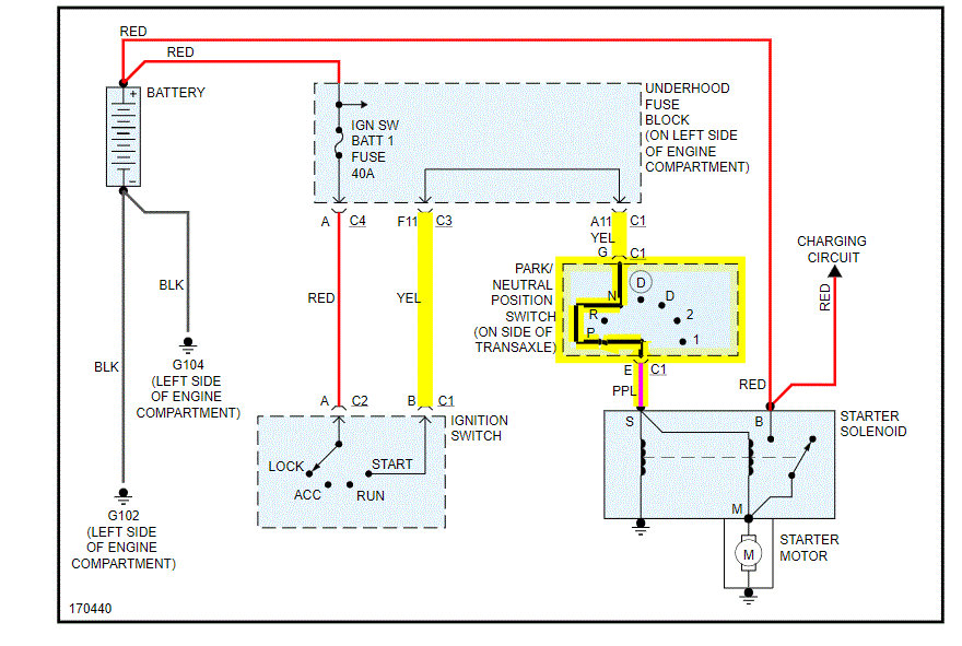
I attached a wiring diagram for you of the starting system.

https://www.2carpros.com/articles/how-to-check-wiring

https://www.2carpros.com/articles/how-to-check-a-car-fuse

Do you have a test light to do some checks?

Roy
Was this
answer
helpful?
Yes
No
+1
Tuesday, August 4th, 2020 AT 4:06 PM
Tiny
STEVE W.
  • MECHANIC
  • 15,681 POSTS
There is no starter fuse to bypass. What is the issue you have?
Was this
answer
helpful?
Yes
No
+1
Tuesday, August 4th, 2020 AT 9:02 PM
Tiny
JONES TESS AND JOE
  • MEMBER
  • 56 POSTS
Dang. The starter went out and I was trying to jump start it like I did with my Chevrolet suburban. I did just find out that there is a recall on the issue I am having with the 2003 Chevrolet Malibu, so hopefully it will be taken care of. Thank you for your help.
Was this
answer
helpful?
Yes
No
Wednesday, August 5th, 2020 AT 6:44 AM
Tiny
ASEMASTER6371
  • MECHANIC
  • 52,796 POSTS
You are welcome.

Always glad to help.

Roy
Was this
answer
helpful?
Yes
No
+1
Wednesday, August 5th, 2020 AT 6:48 AM

Please login or register to post a reply.