Friday, October 7th, 2022 AT 9:17 PM
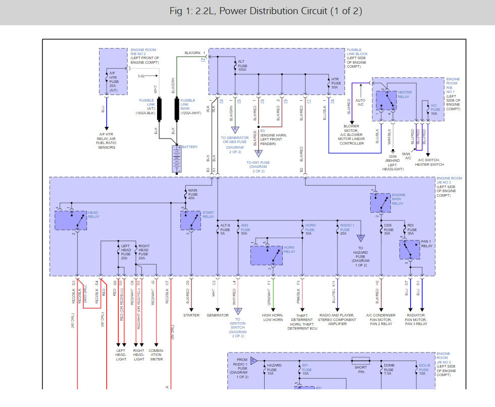
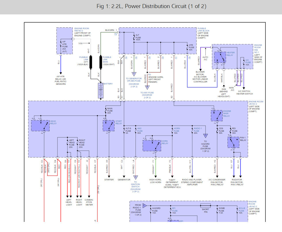
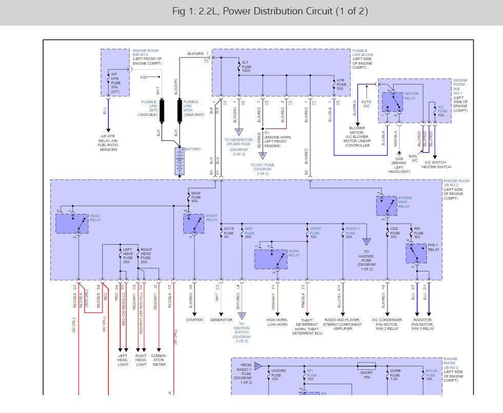
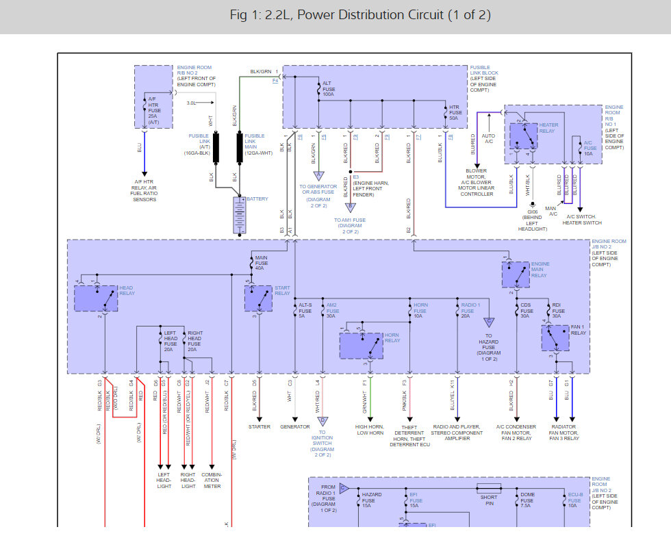
Only have of my fuses under the hood and inside of cabin test they are good but other half are good fuses with no power at all to them, and my car won't start.






