Left front turn signal fuse number needed

Tiny
JAARELLANO8
  • MEMBER
  • 2011 FORD MUSTANG
  • 189,000 MILES
What number is the fuse for the left front turn signal? The bulb is good and works on the right front socket.
Friday, September 25th, 2020 AT 6:32 PM

2 Replies

Tiny
DANNY L
  • MECHANIC
  • 5,648 POSTS
Hello, I'm Danny.

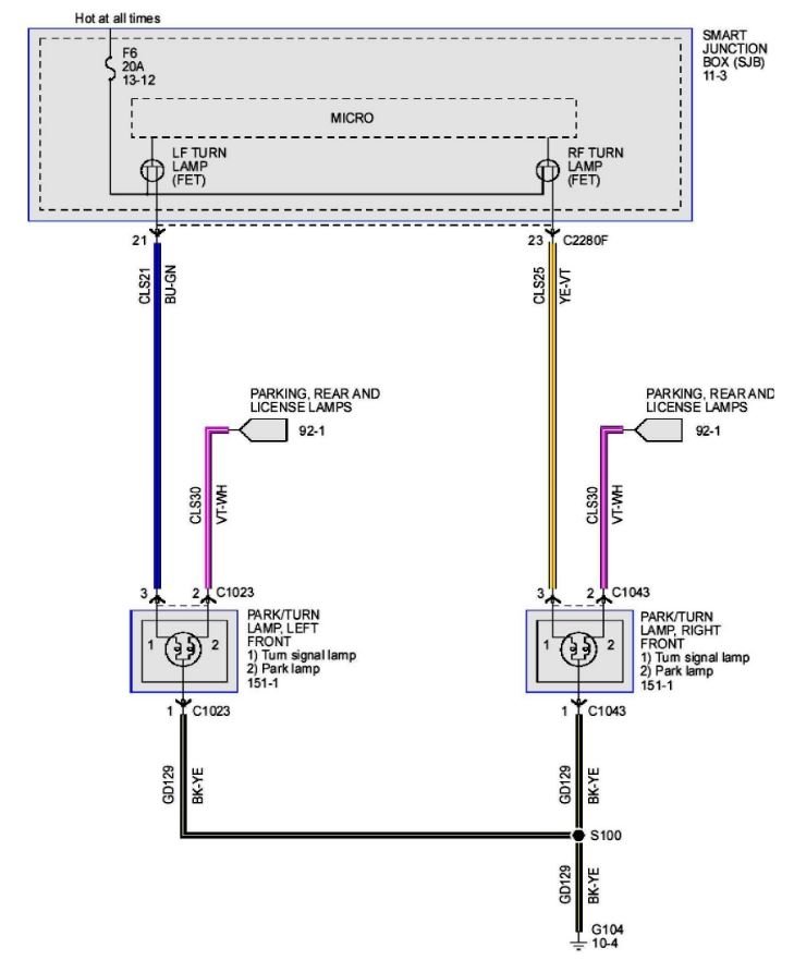
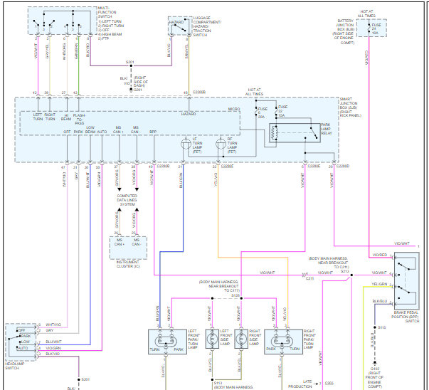
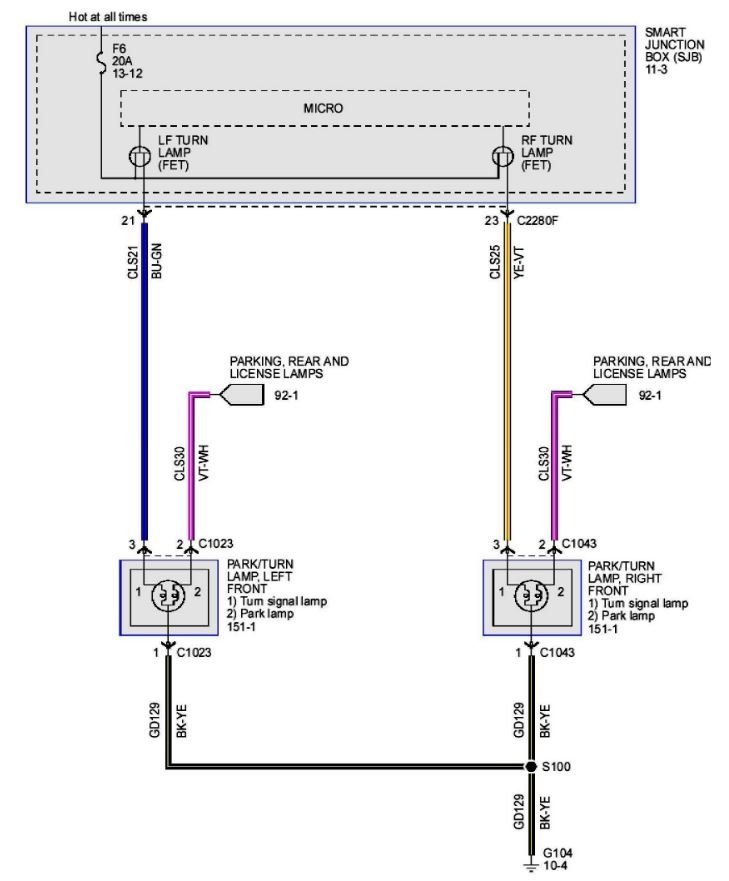
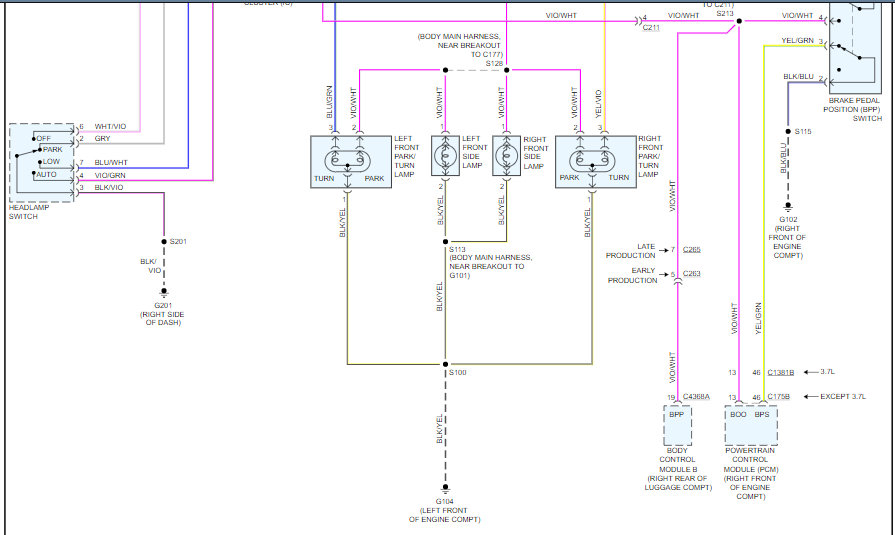
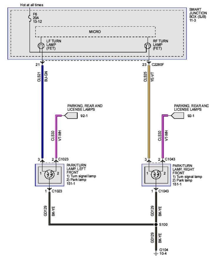
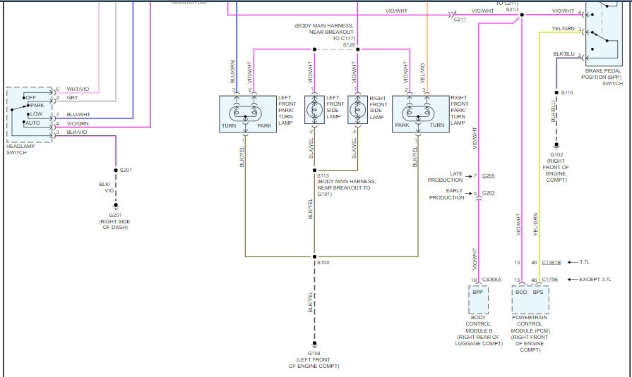
It sounds like you are having a wiring issue. If this was a fuse issue then both would not be working instead of just the one on the left side. You will need to check for a bad, loose, corroded , melted, or otherwise defective connection. I would also check to see if you are having a good ground connection. For future reference the fuse for the turn signals are in location 6 on the passenger compartment fuse block circled in red and attached below. Here is a tutorial showing how to check wiring:

https://www.2carpros.com/articles/how-to-check-wiring

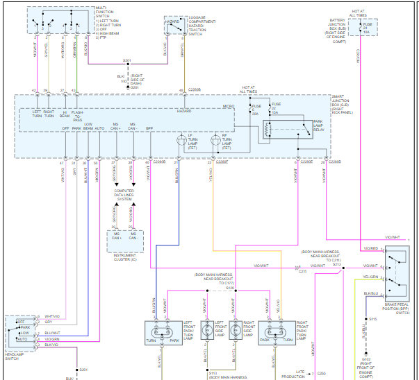
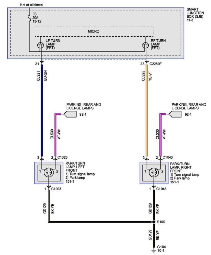
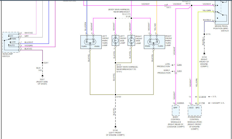
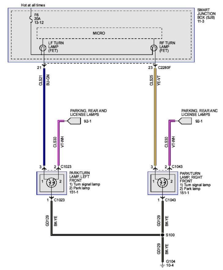
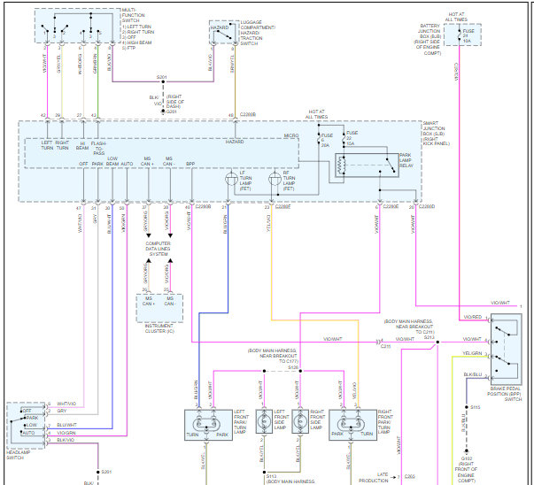
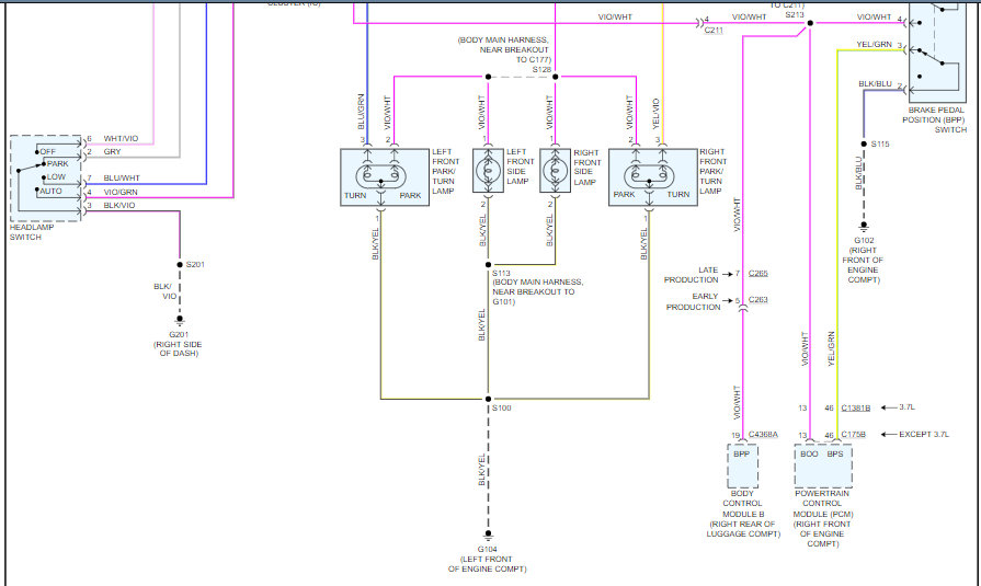
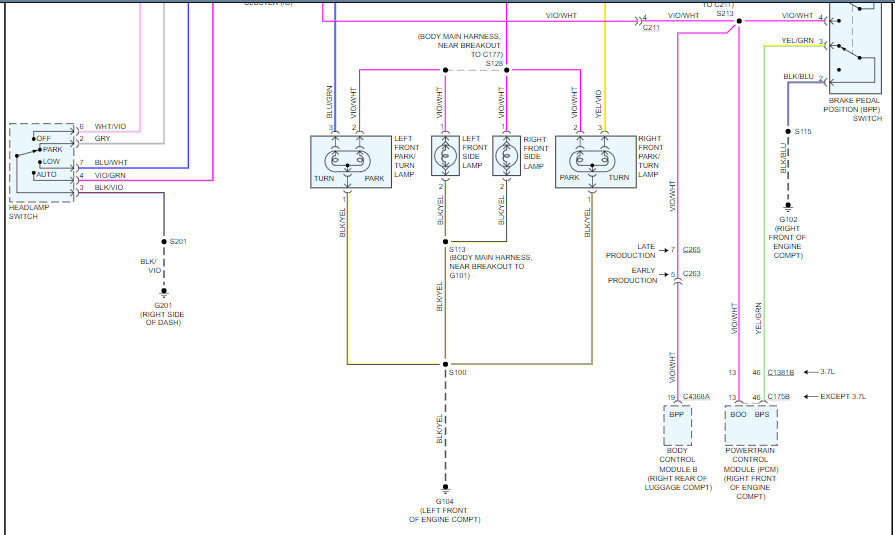
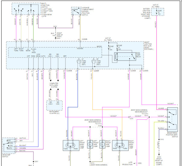
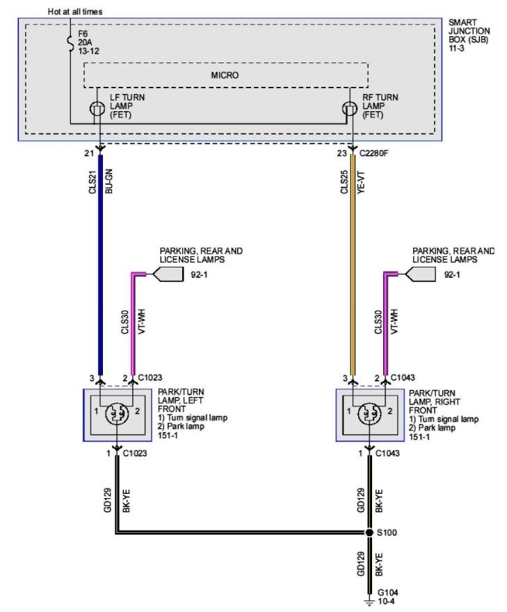
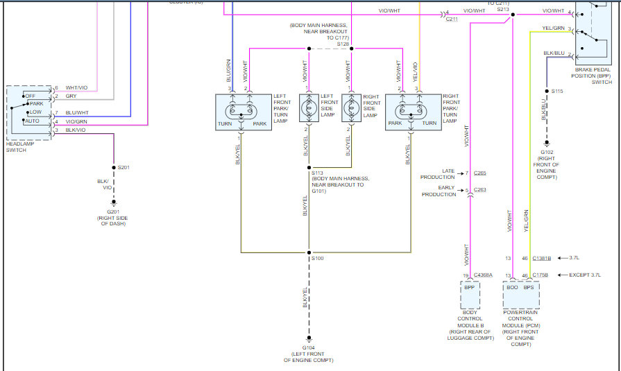
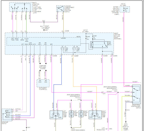
I've attached a exterior lighting wiring diagram for your car below. I've cut the picture into 2 pieces so you can view larger. Hope this helps and let me know if you have any further questions on this issue. Thanks for using 2CarPros.
Was this
answer
helpful?
Yes
No
Friday, September 25th, 2020 AT 6:51 PM
Tiny
STEVE W.
  • MECHANIC
  • 15,695 POSTS
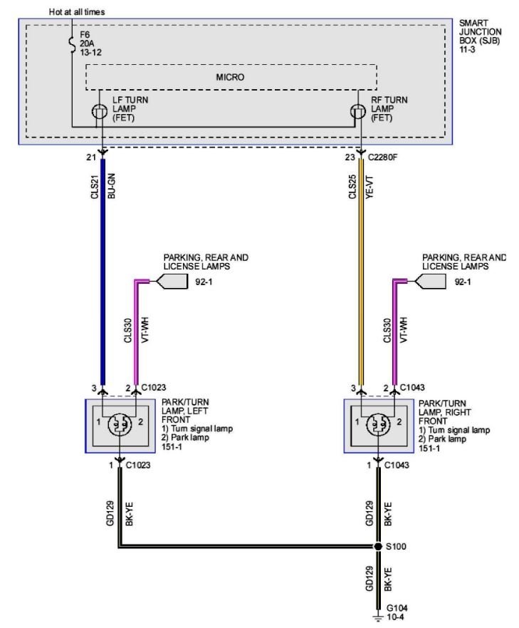
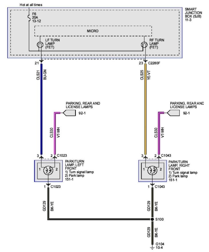
To add a bit onto what Danny posted, it's also possible that it is the smart junction box that is at fault. The turn signal switch sends a signal to it to activate each lamp as selected. So a couple questions. Does the bulb come on with the parking lamps? How about with the hazard flashers? If the parking section works but not the turn/hazard filament then I would start looking at the Blue wire with Green stripe that feeds that section, follow it to pin 21 on the SJB. However if neither part of the bulb comes on then it is more likely to be a ground issue. That is the black wire with yellow stripe. To test either one a simple 12 volt test light will work.
Was this
answer
helpful?
Yes
No
Friday, September 25th, 2020 AT 7:29 PM

Please login or register to post a reply.