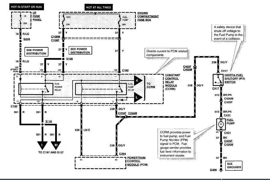
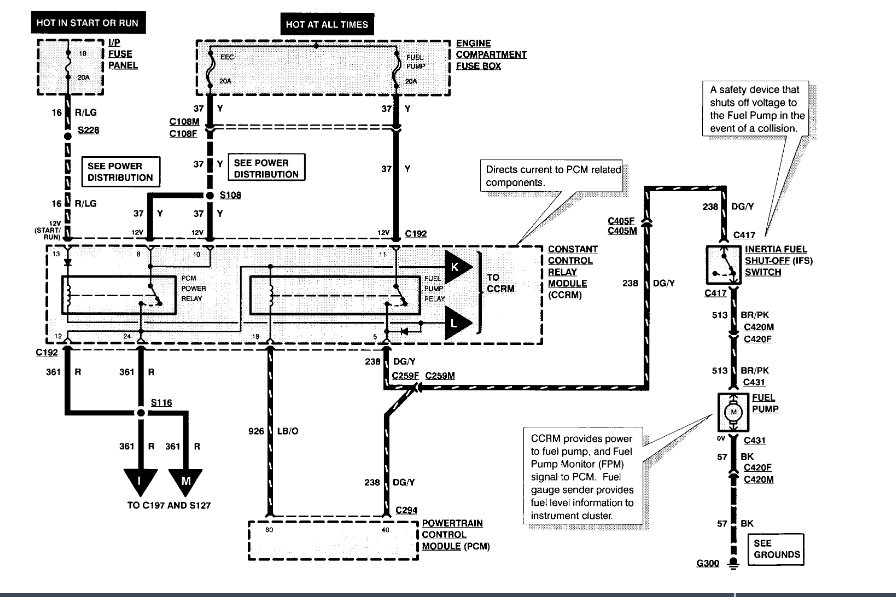
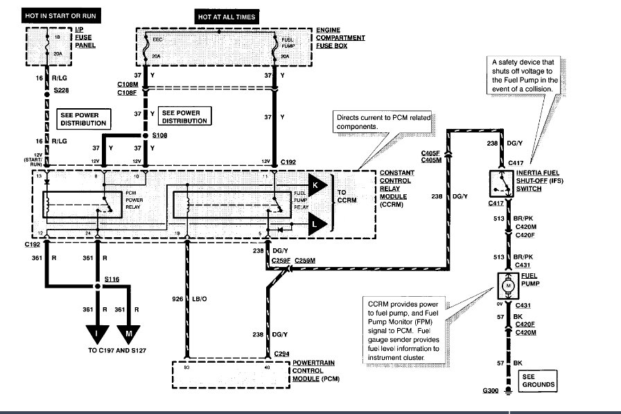
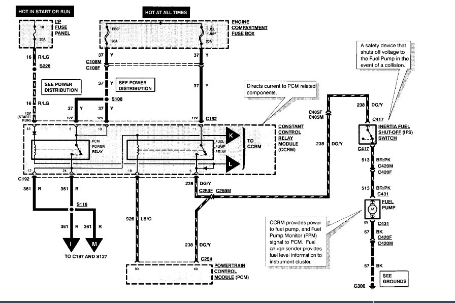
Monday, December 10th, 2018 AT 11:23 AM
I was driving coming to a complete stop and all of a sudden the car just turned off at the stoplight I try to turn it back on, I moved it to the side parked it. It turns on and crank up for about two or three seconds and it would not stay on. I did it again same thing I am thinking its the fuel pump but sounds like the fuel pump does turn on. But I cannot figure it out.




