Fuel pump wiring diagram

Tiny
SKOUSA
  • MEMBER
  • 1998 KIA SPORTAGE
  • 2.0L
  • 4 CYL
  • 4WD
  • MANUAL
  • 112,000 MILES
Originally suffered head gasket failure but was reluctant to start with ­out a spray or two of ether, once running it be fine until turned off then it just cranks with the odd backfire pop in manifold. Checked timing checked firing order etc. But once started it will run fine.
Monday, October 28th, 2019 AT 6:37 AM

2 Replies

Tiny
JACOBANDNICKOLAS
  • MECHANIC
  • 110,192 POSTS
Welcome to 2CarPros.

Have you checked for engine vacuum leaks, fuel pressure, or anything that may have been pinched or damaged when the gasket was replaced? When you have a backfire, there are only a few things that can cause them. Take a look through this link:

https://www.2carpros.com/articles/engine-backfires-while-running

Also, I know the engine coolant temperature sensor is in the front of the engine. Check to make sure it wasn't damaged or left unplugged. The ECT sensor signals the ECM to identify the coolant temperature. Based on temperature, the computer adjusts air/fuel ratio. It if is too lean or rich, that can cause this too.

Last I recommend checking fuel pump pressure to see if it is within spec. Here is a link that shows how it is done:

https://www.2carpros.com/articles/how-to-check-fuel-system-pressure-and-regulator

Now, I attached a small portion of the fuel pump wiring schematic. The schematic simply shows the power supply and ground. There are several things that tie to the pump, but I don't believe that is the issue.

If you could, let me know if the first link helps and if you can check fuel pressure. As far as testing the ECT, you need a live data scanner that shows the temperature the ECT is indicating and then comparing it to the ambient temp.

Last, I suggest checking the fuel pump relay. I attached a picture of it (pic 2). It's near the battery. Here is a link that shows how to check the relay:

https://www.2carpros.com/articles/how-to-check-an-electrical-relay-and-wiring-control-circuit

Let me know.

Joe
Was this
answer
helpful?
Yes
No
Wednesday, March 17th, 2021 AT 7:21 PM
Tiny
JACOBANDNICKOLAS
  • MECHANIC
  • 110,192 POSTS
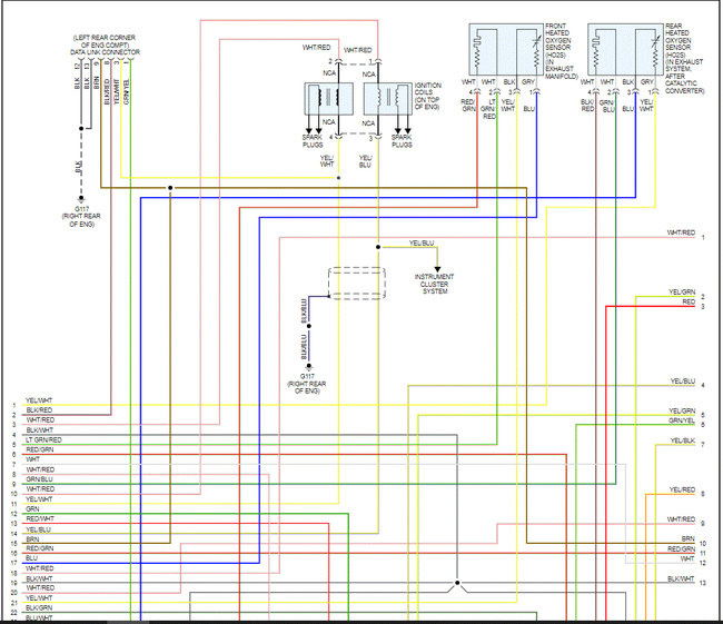
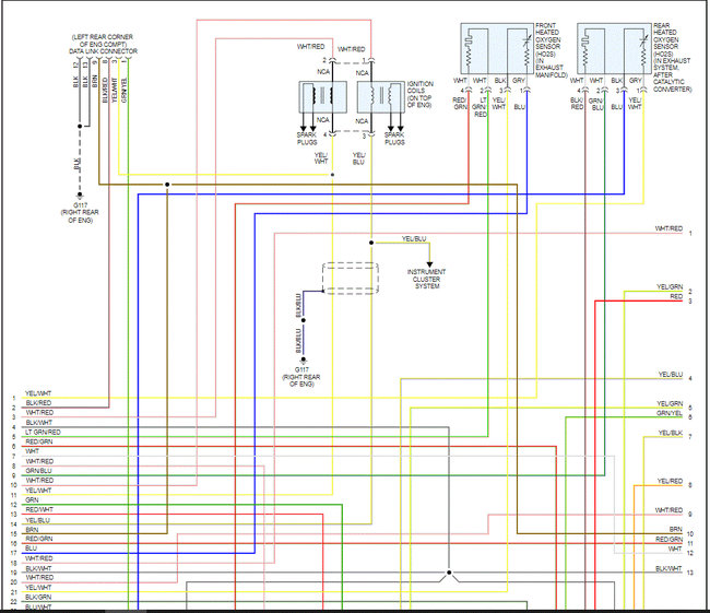
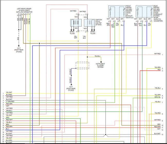
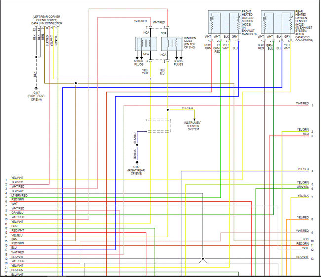
Hi:
I thought I would add the entire powertrain management system for you. I had to cut the pics in half to make them readable. I did overlap them so you can follow them easier.

I hope this helps.

Take care and God Bless,

Joe
Was this
answer
helpful?
Yes
No
Wednesday, March 17th, 2021 AT 7:21 PM

Please login or register to post a reply.