Crank not start, fuel pump relay does not engage?

Tiny
CHRYSLER 01
  • MEMBER
  • 2001 CHRYSLER TOWN AND COUNTRY
  • 3.8L
  • V6
  • 2WD
  • AUTOMATIC
  • 140,000 MILES
My fuel pump relay doesn’t engage when I turn the key on. No crank no start.
Saturday, May 17th, 2025 AT 9:18 PM

33 Replies

Tiny
CHRYSLER 01
  • MEMBER
  • 68 POSTS
For the record the fuel pump itself works, when I jump pin # 30 and #87, just not turning with the key.
Was this
answer
helpful?
Yes
No
Saturday, May 17th, 2025 AT 9:25 PM
Tiny
CARADIODOC
  • MECHANIC
  • 34,468 POSTS
It's not supposed to turn on just with the ignition switch on. That would create a huge fire hazard in the event of a crash that ruptures a fuel line. Instead, it should turn on for just one second, then turn back off until the Engine Computer sees engine rotation, (cranking or running). It knows that by the signal pulses it receives from the crankshaft position sensor and the camshaft position sensor.

Jumping the relay like you did is a valid test, but I'd like you to go in a different direction. The automatic shutdown, (ASD) relay turns on for one second the same time as the fuel pump relay. You can tell if that is turning on by measuring the voltage at the ignition coil pack, any injector, or even the two smaller terminals on the back of the alternator. Look for the wire that is the same color at all of those places. That's usually a dark green / orange wire. A test light works best for this because digital voltmeters don't respond fast enough. Back-probe alongside the wire, through the rubber weather seal to make contact with the terminal. Set the test light where you can see it from inside, or have a helper work the ignition switch. You should see the test light turn on full brightness for one second when the ignition switch is turned on, then it will go off. If you see that, the ASD relay is working and the computer has control of it. Next, see if the test light turns on again when the engine is cranked. There's a 95 percent chance it will not. Roughly two percent of crank / no-starts are caused by a problem in the ignition system. Maybe three percent from a fuel pump circuit problem. A good 95 percent of these no-starts are caused by a failure of both systems at the same time, and that is due to one of those sensors I mentioned.

Another way to start this diagnosis is to place your fingertips on the ASD and fuel pump relays, then feel for the clicks when your helper turns the ignition switch to "run". I've never had one that didn't click, but a defective relay, defective computer, or a broken wire are always on the list of suspects.

Start with those tests, then tell me what you find. I'm here about this time every day, then we'll figure out where to go next.
Was this
answer
helpful?
Yes
No
Sunday, May 18th, 2025 AT 7:15 PM
Tiny
CHRYSLER 01
  • MEMBER
  • 68 POSTS
No power to coil, I only get 12 volts at ignition when I jump the ASD relay.
Was this
answer
helpful?
Yes
No
Monday, May 19th, 2025 AT 7:22 PM
Tiny
CHRYSLER 01
  • MEMBER
  • 68 POSTS
No injector pulse, I installed a PCM the car was crank, and it started a few times, fuel pump by priming with key, now back to no crank no start. Now the same problem I had before new PCM, now same problem with new PCM.
Was this
answer
helpful?
Yes
No
Monday, May 19th, 2025 AT 7:25 PM
Tiny
CHRYSLER 01
  • MEMBER
  • 68 POSTS
History on the van, when it my daily drive it used to have no crank no start playing it, it would start intermittently no crank no start. It used to leave me stranded a lot, installed PCM, crank shaft sensor, Cam sensor, TPMS, fuel pump, and filter and starter spark plug, wire, imp fuse box, fcm, alternator nun on that the fix it

I did noties one day the ASD relay was clicking and would not stop

, this is the 3thrd PCM, . With this PCM it finally started, no same problem. I notice asd relay issue
Was this
answer
helpful?
Yes
No
Monday, May 19th, 2025 AT 7:33 PM
Tiny
CHRYSLER 01
  • MEMBER
  • 68 POSTS
PCM could not be sending ground, I don't know.
Was this
answer
helpful?
Yes
No
Monday, May 19th, 2025 AT 7:35 PM
Tiny
CARADIODOC
  • MECHANIC
  • 34,468 POSTS
The description of the symptoms is kind of confusing. A couple of times you said this was a "no-crank" problem, meaning a problem with the starter system. Other parts you installed refer to a stalling problem, or a failure to run, with cranking okay.

Did you do the test light test at the ignition coil pack? Remember, it should only light up for one second, then go back off. If it does that, we can move on, as that circuit is working.

After you see the test light turn on for one second, then turn off, it should turn on again when you crank the engine. The crankshaft position sensor and the camshaft position sensor send signal pulses to the Engine Computer. That's how the computer knows the engine is rotating. In response, it turns the ASD and fuel pump relays back on.

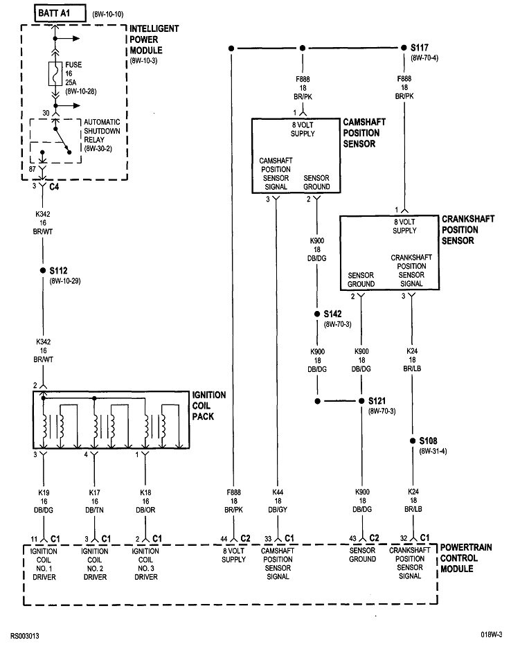
When you see the test light turn on for that first one second, but not during cranking, it is almost always due to the crankshaft position sensor circuit or the camshaft position sensor circuit. Most commonly it's due to a failing sensor, but it could also be due to a cut wire or corrosion between a pair of mating connector terminals.

One thing you did was to replace the camshaft position sensor. The air gap for that is critical, and adjustable. If you installed a used sensor, chances are that air gap is wrong. A new sensor will have a thick paper spacer glued to the end to set the air gap. The first time the engine is cranked, that spacer slides off and is gone. If you remove the sensor, then reinstall it, you must get another spacer and stick that on the end. Older minivans used that spacer on their crankshaft position sensors too. I got arrogant after installing a few of these, and started to insert them as far as possible without the spacer, then pull them back just a little. That worked for a few, but one came back on a tow truck with an intermittent stalling problem. A coworker reinstalled that sensor with the 25-cent spacer and the intermittent stalling problem was solved.

There's two more things to consider. The first is every diagnosis of this type should begin with reading and recording any diagnostic fault codes. Chrysler made doing that yourself much easier than any other manufacturer. Cycle the ignition switch from "off" to "run" three times within five seconds, without cranking the engine, then watch the code numbers appear in the odometer display. If you get any codes, you can go here:

https://www.2carpros.com/trouble_codes/obd2/p0300

to see the definitions, or I can interpret them for you. There's two things to be aware of. First, with these two sensors, a fault code might not set right away or from just cranking the engine. They usually need more time for the missing signal to be detected, as in when a stalling engine is coasting to a stop. For that reason, don't assume a sensor circuit is okay just because no fault code is set related to it.

Second, and this applies to all fault codes. they never ever say to replace a part or that one is defective. They only indicate the circuit or system that needs further diagnosis. When a sensor or other part is referenced in a code, that part is actually the cause of that code about half of the time. That's why so often we read that someone replaced a part three or four times, and the problem is still there. Before we spend our customer's money on a part, we do tests on the wiring and connector terminals, and we look for mechanical problems associated with that part.

The other way to approach this, again, assuming the test light turns on for one second, but not during cranking, is to use a scanner to view live data. The two sensors will be on the list with an indication showing whether or not their signals are showing up. The dealer-level scanner through all 2003 models was Chrysler's DRB3. I have one of those for all of my older vehicles. It shows the two sensors with a "No" or "Present" during cranking. You would be looking for the one that doesn't switch to "Present". You can find this scanner on eBay. With an extra plug-in card, it was capable of reading emissions-related data on all car brands sold in the U.S. For that reason, a lot of independent repair shops bought them. Today they are obsolete after working on a few 2008 Jeep models, so those shops are selling theirs to invest in something newer. If you'd have enough use for it, it can be a good investment. I can help you learn how to use it, if necessary.

There are a number of nice aftermarket scanners that will display the same data, but this is not something you can do with a simple code reader. Scanners allow you to communicate with all the other computers, and to command them to do things so you can perform tests on those circuits. Also, the DRB3 and just about every aftermarket scanner has a "record" function too that is especially helpful for intermittent problems such as stalling while driving. Once set to the record function, you go on a test-drive, then, when the problem occurs, you press the "Record" button. You can replay the recording slowly, later, to see what happened or what changed. In this case, you'd look at the two sensor signals to see if one of them dropped out when the stalling occurred. That would be the circuit to diagnose. Because the data passes through the scanner's memory, the recording actually begins a couple of seconds before you pressed the button, so it catches the event.

Let me know how far you get with these suggestions.
Was this
answer
helpful?
Yes
No
Tuesday, May 20th, 2025 AT 11:51 AM
Tiny
CHRYSLER 01
  • MEMBER
  • 68 POSTS
The car does not crank it only crank when I run a Ground to pin 85 of the starter Relay. I check for power at the coil, no power to coil.
Was this
answer
helpful?
Yes
No
Tuesday, May 20th, 2025 AT 3:28 PM
Tiny
CHRYSLER 01
  • MEMBER
  • 68 POSTS
The crank sensor I got did not have a spacer on it.
Was this
answer
helpful?
Yes
No
Tuesday, May 20th, 2025 AT 3:29 PM
Tiny
CHRYSLER 01
  • MEMBER
  • 68 POSTS
When jump 30 and 87 starter turn over.
Was this
answer
helpful?
Yes
No
Tuesday, May 20th, 2025 AT 3:29 PM
Tiny
CHRYSLER 01
  • MEMBER
  • 68 POSTS
Just install a new crank sensor without spacer.
Was this
answer
helpful?
Yes
No
Tuesday, May 20th, 2025 AT 3:30 PM
Tiny
CHRYSLER 01
  • MEMBER
  • 68 POSTS
At the time that I install those part is was cranking on and had instermiting start, that a long time ago.
Was this
answer
helpful?
Yes
No
Tuesday, May 20th, 2025 AT 3:33 PM
Tiny
CHRYSLER 01
  • MEMBER
  • 68 POSTS
The car when staring this year in Feb, the then problem came back, I did notice the problem pop when fuel pump fuse or relay was removed.
Was this
answer
helpful?
Yes
No
Tuesday, May 20th, 2025 AT 3:35 PM
Tiny
CHRYSLER 01
  • MEMBER
  • 68 POSTS
P0118
p0123
p1193
p0508
Was this
answer
helpful?
Yes
No
Tuesday, May 20th, 2025 AT 3:38 PM
Tiny
CARADIODOC
  • MECHANIC
  • 34,468 POSTS
P0118 - Engine Coolant Temperature Circuit High Input
P0123 - Throttle/Pedal Position Sensor/Switch A Circuit High Input
P0508- IAC MOTOR SENSE CIRCUIT LOW
P1193 - Post-catalyst Fuel Trim System Bank 2
P1193-INLET AIR TEMP SENSOR VOLTAGE HIGH

For the first two codes, I have a suspicion they set while you were working in the area with the ignition switch on. They won't prevent the engine from running.

I had to go to the Chrysler service information to find code 508. I'm not familiar with that one, but it brings back memories of a very common Chrysler problem. After the battery or Engine Computer has been disconnected, idle speed will be too low until a very simple relearn procedure is performed. Until that is done, it is possible for idle speed to be too low for the engine to start unless you hold the accelerator pedal down 1/4". When the engine starts, it will usually stall when you take your foot off the pedal.

I posted code 1193 twice. Chrysler's description is different than the common listing, and is similar to the first two codes. It won't cause a failure to run, but starting could be a little difficult because the computer needs to know air temperature to know how much fuel to spray in for a priming pulse.

My suggestion is to erase the codes, then see if any of them set again. If they do, we'll need to look for what they have in common. Typically that will be a wiring issue, not multiple sensor failures.
Was this
answer
helpful?
Yes
No
Wednesday, May 21st, 2025 AT 8:07 PM
Tiny
CHRYSLER 01
  • MEMBER
  • 68 POSTS
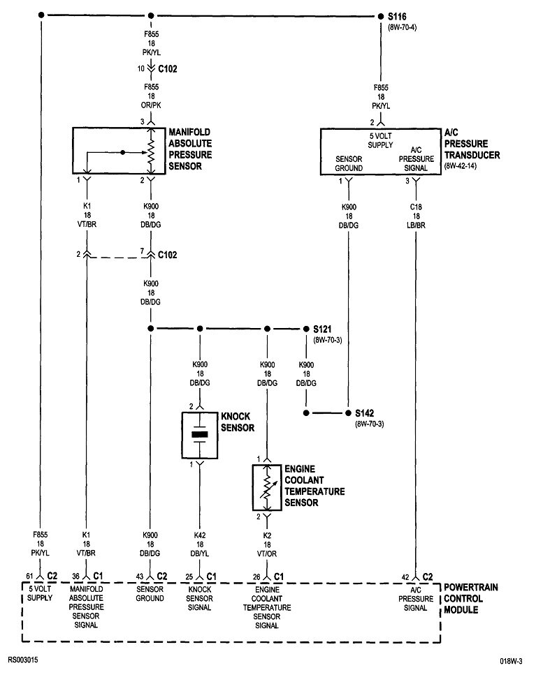
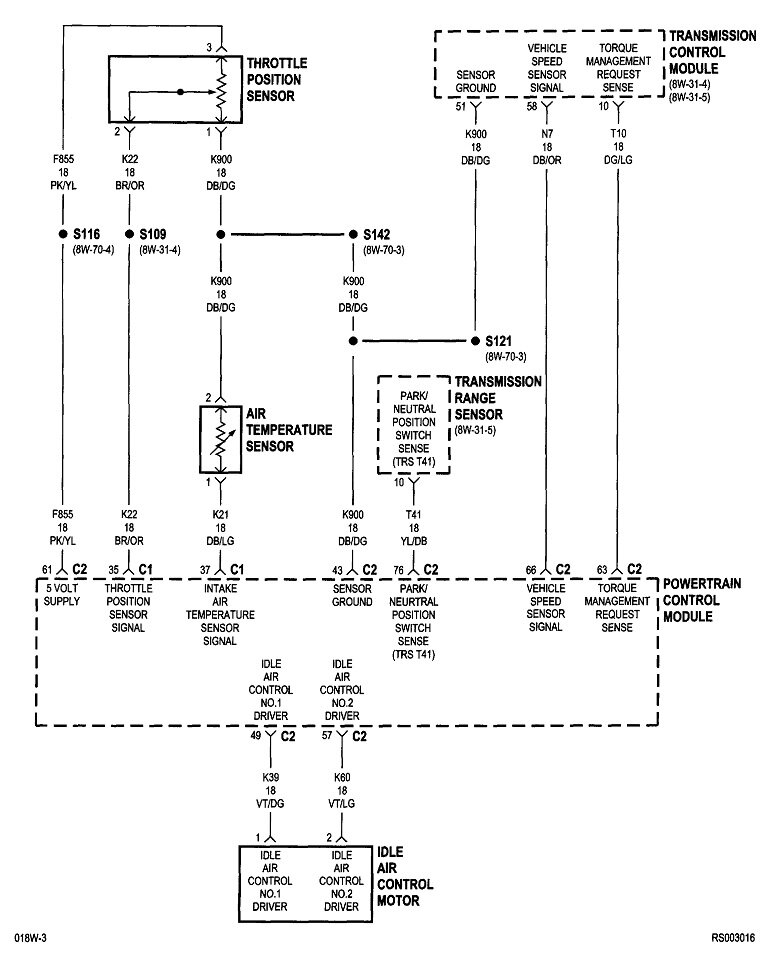
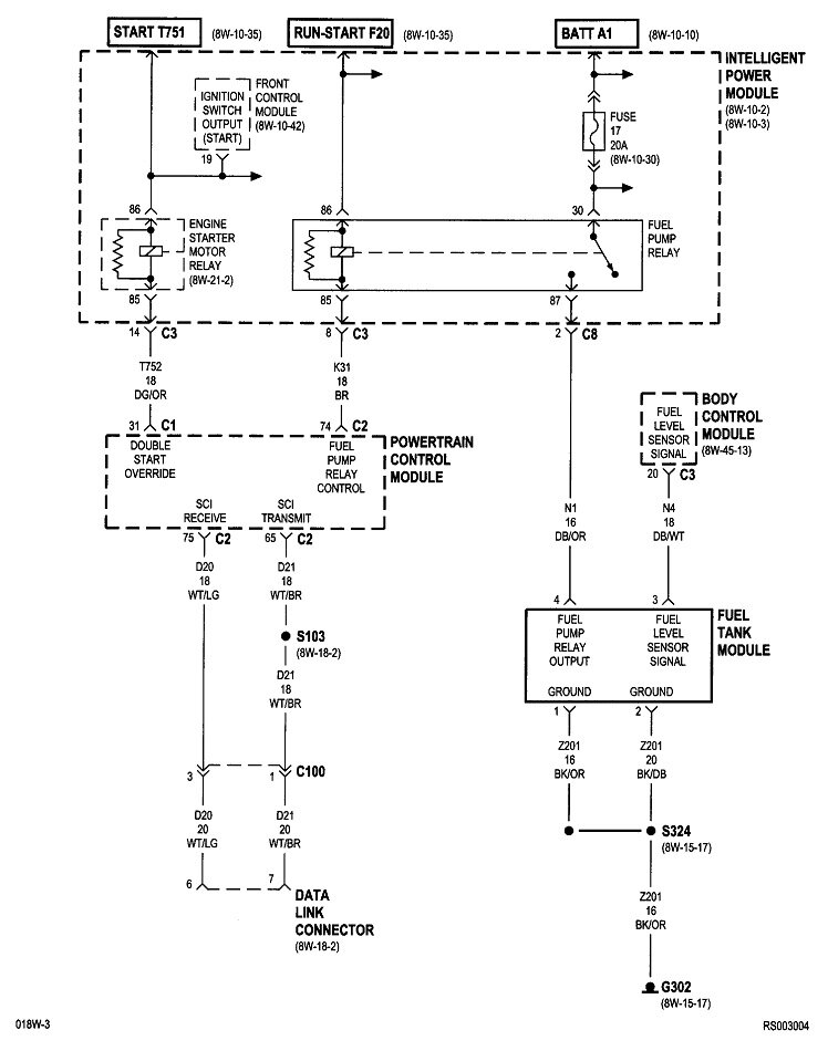
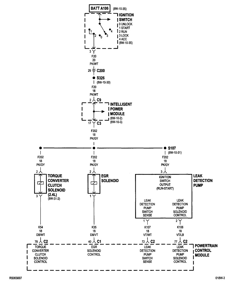
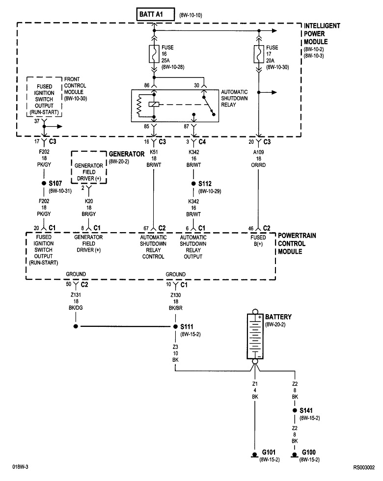
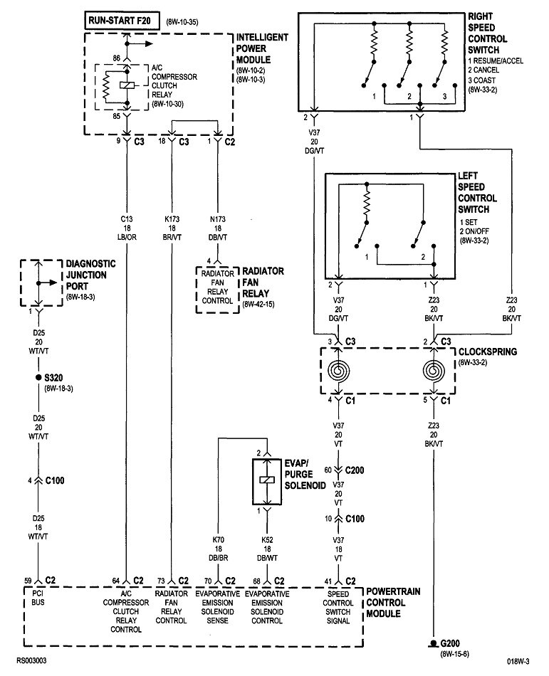
Can you send a map wiring diagram of the PCM so I can check to see it is getting and sending out power and grounds?
Was this
answer
helpful?
Yes
No
Tuesday, May 27th, 2025 AT 12:09 PM
Tiny
CHRYSLER 01
  • MEMBER
  • 68 POSTS
What pin on PCM are my power and ground?
Was this
answer
helpful?
Yes
No
Tuesday, May 27th, 2025 AT 12:10 PM
Tiny
CARADIODOC
  • MECHANIC
  • 34,468 POSTS
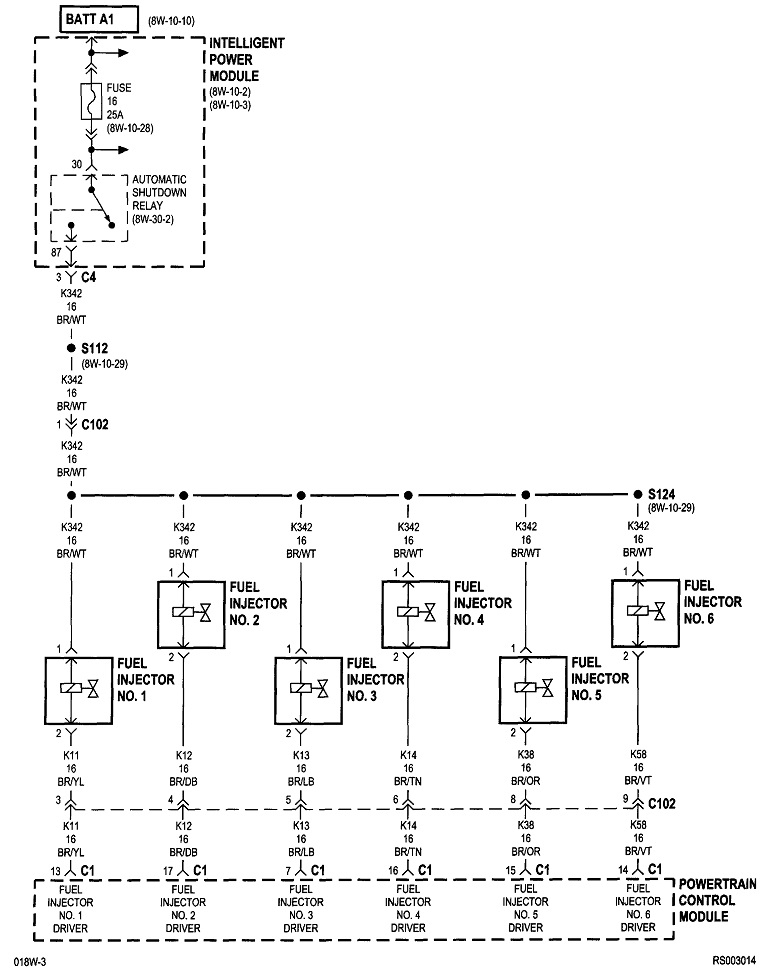
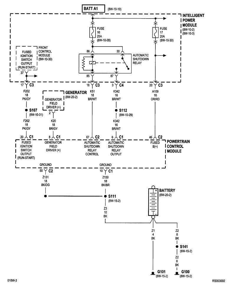
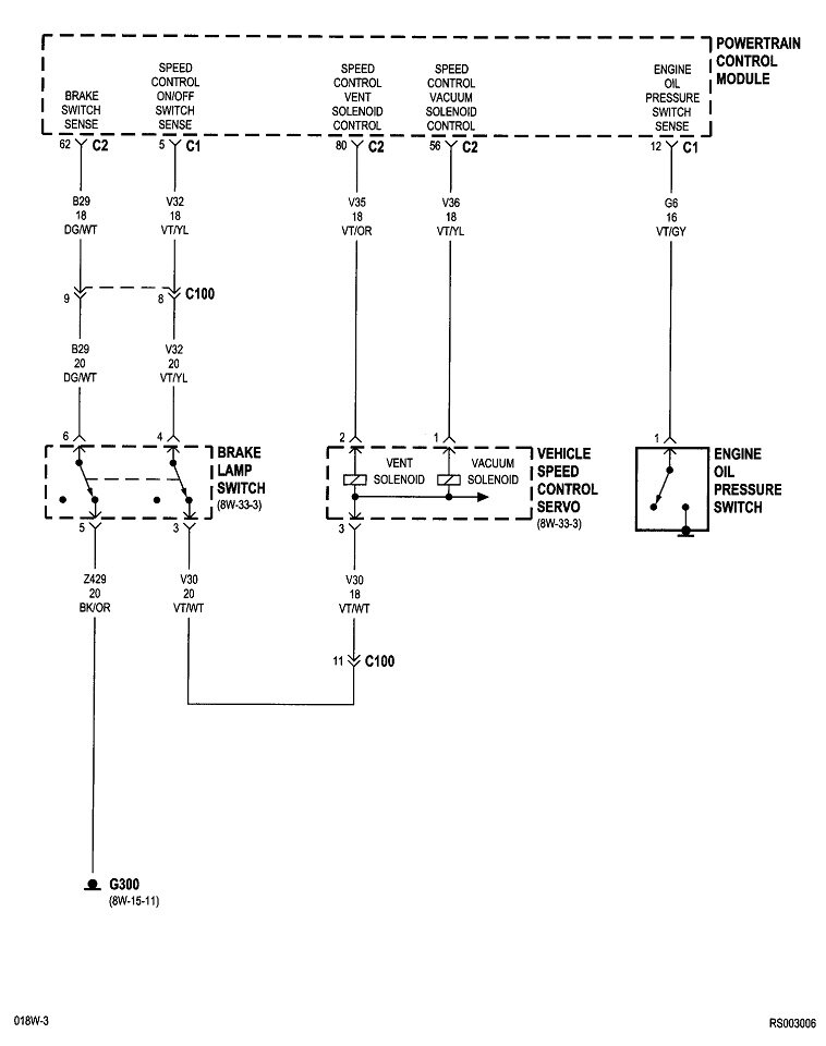
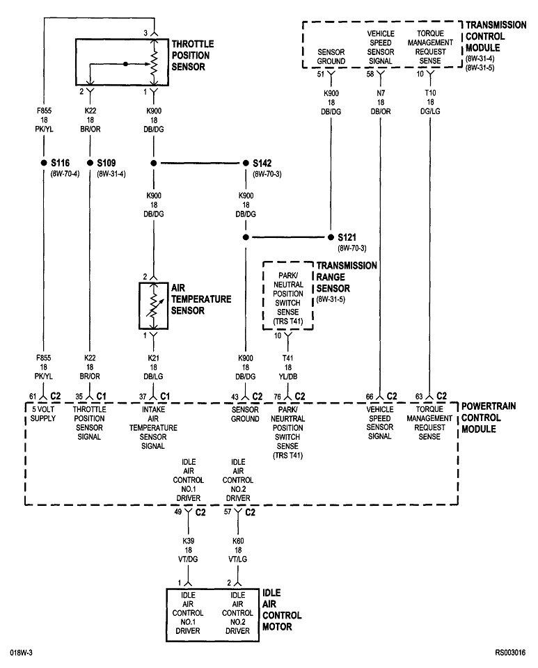
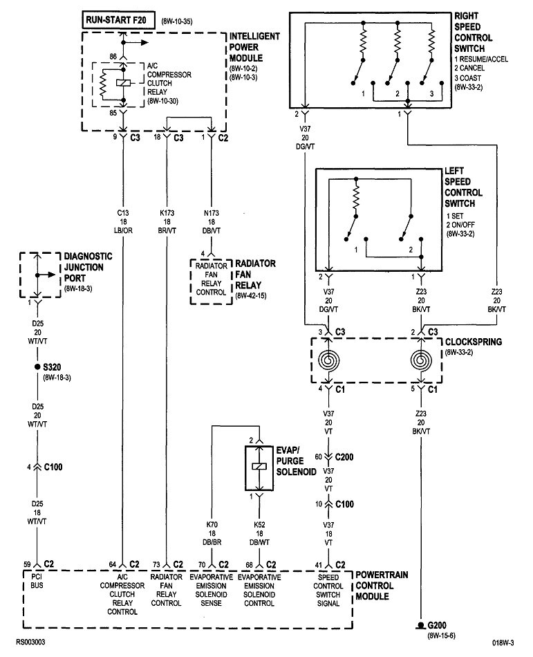
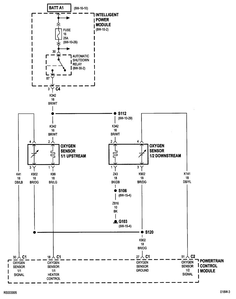
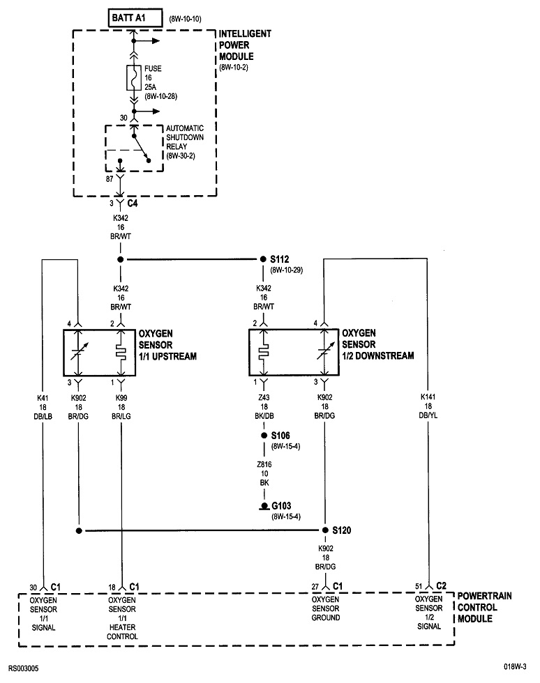
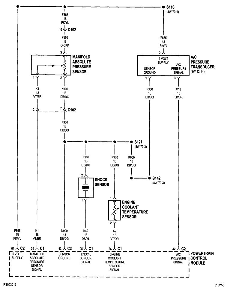
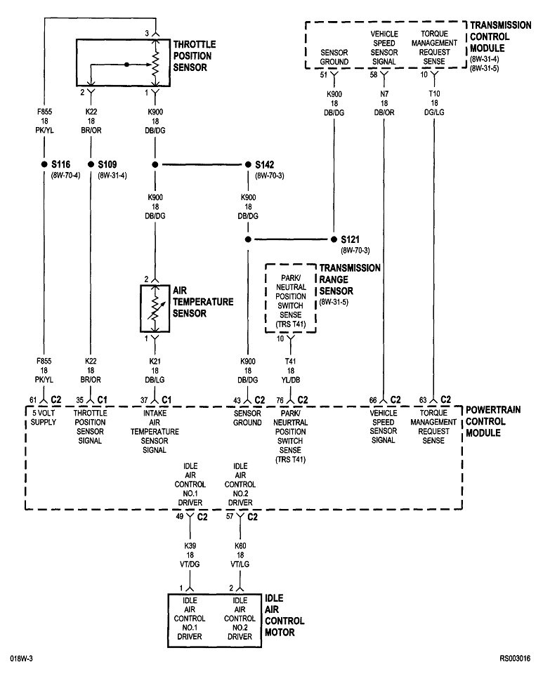
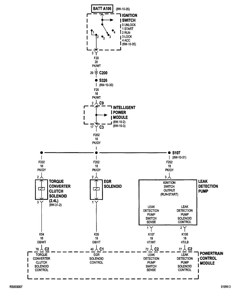
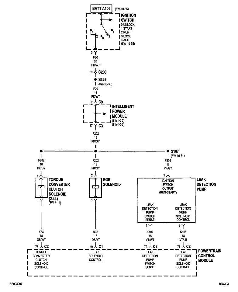
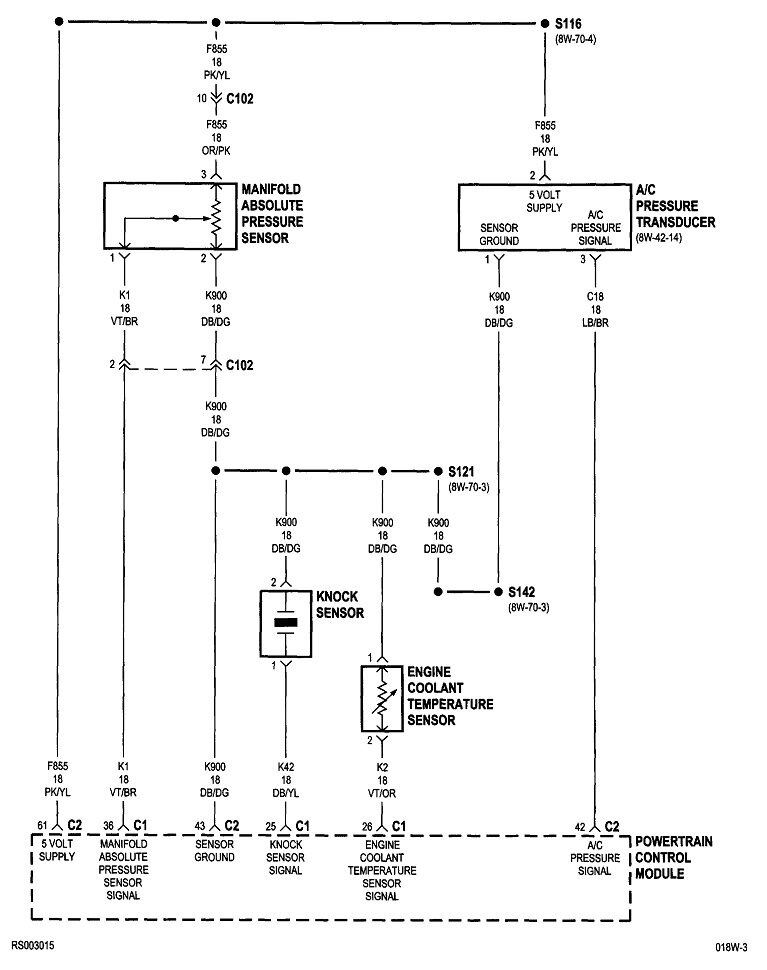
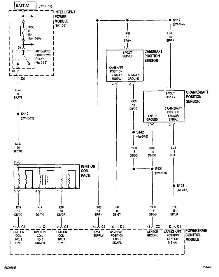
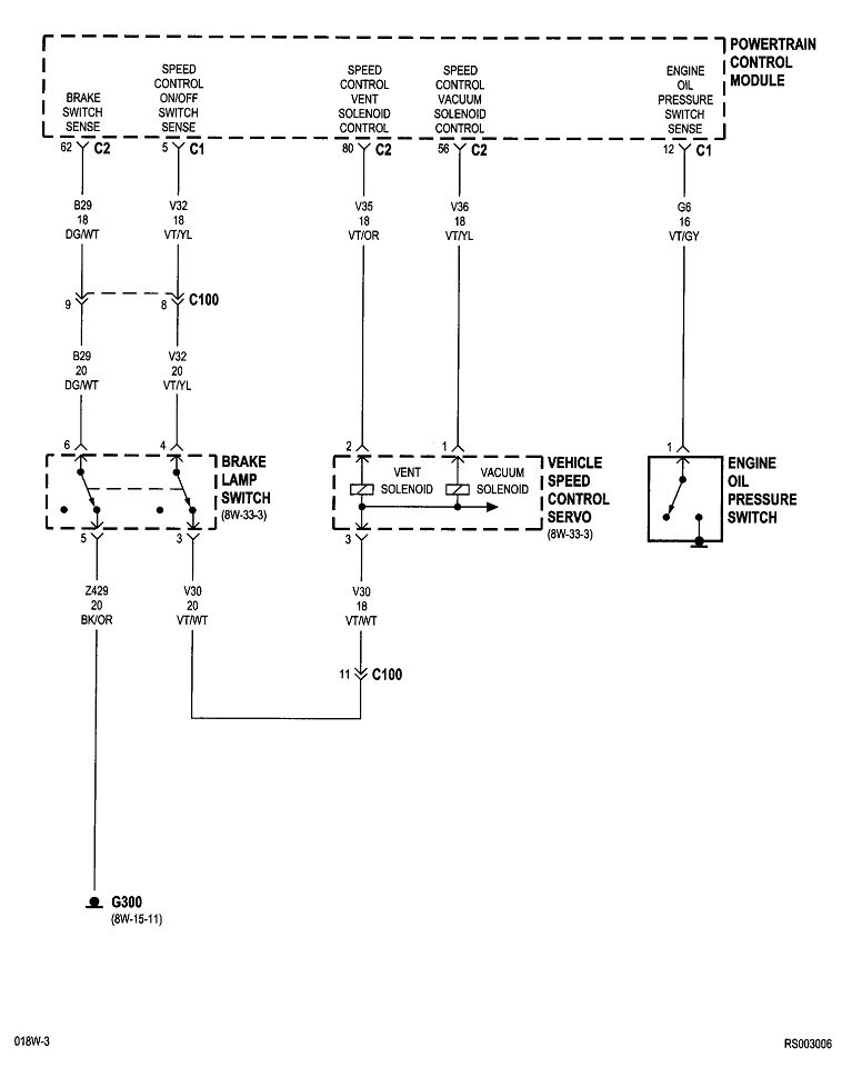
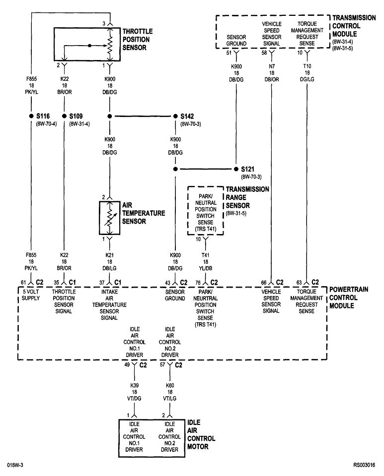
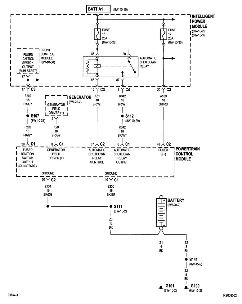
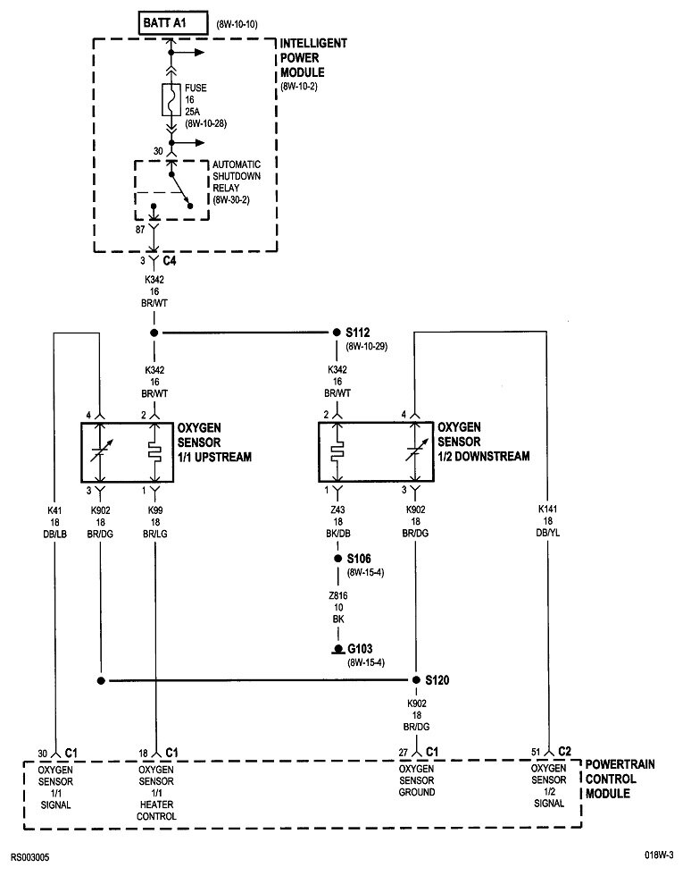
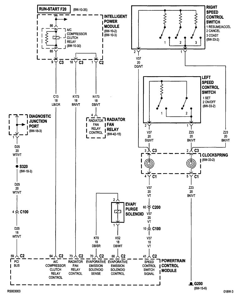
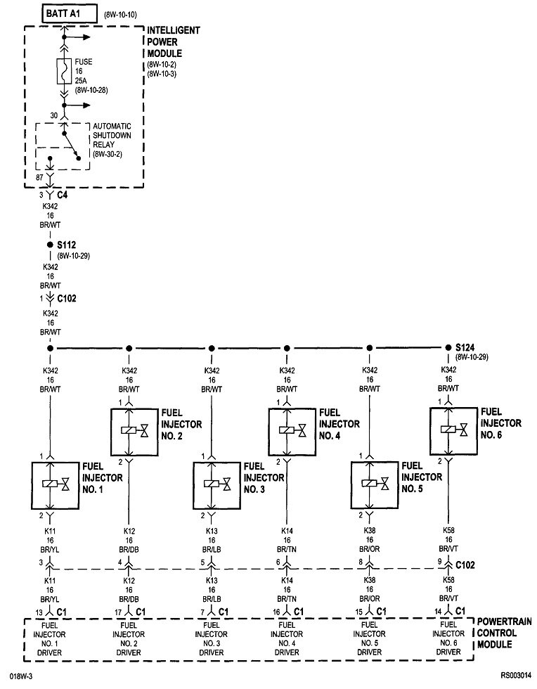
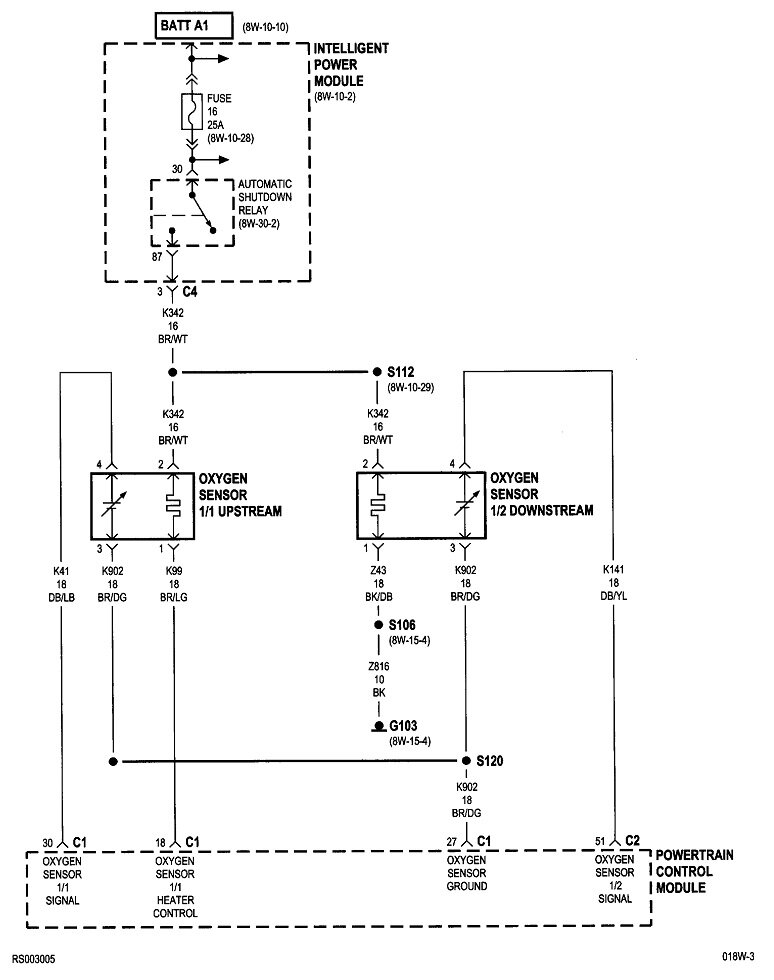
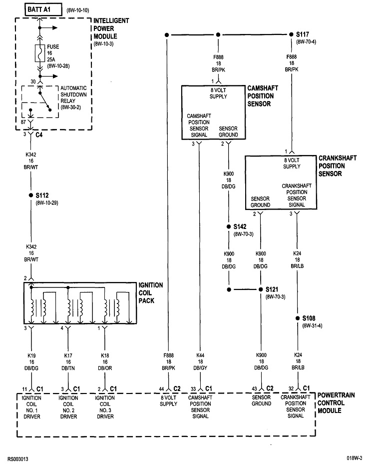
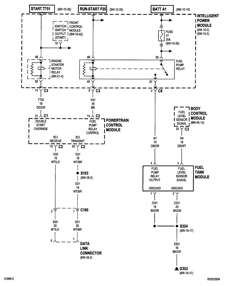
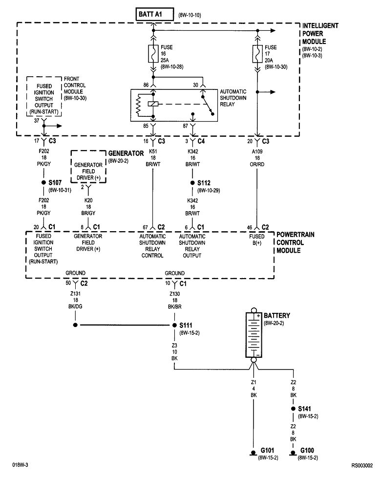
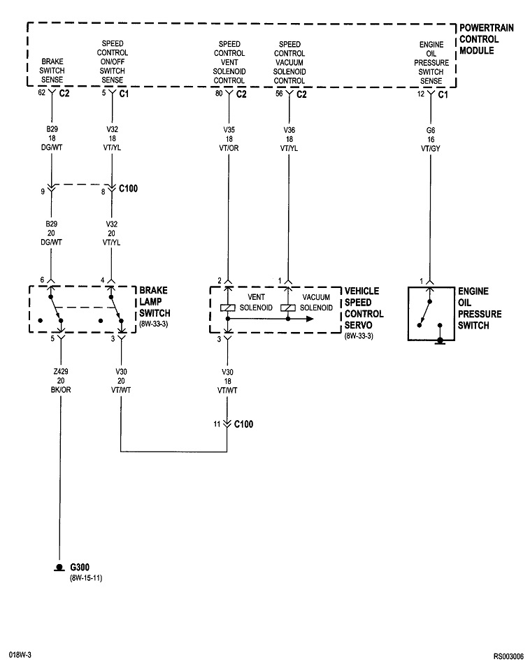
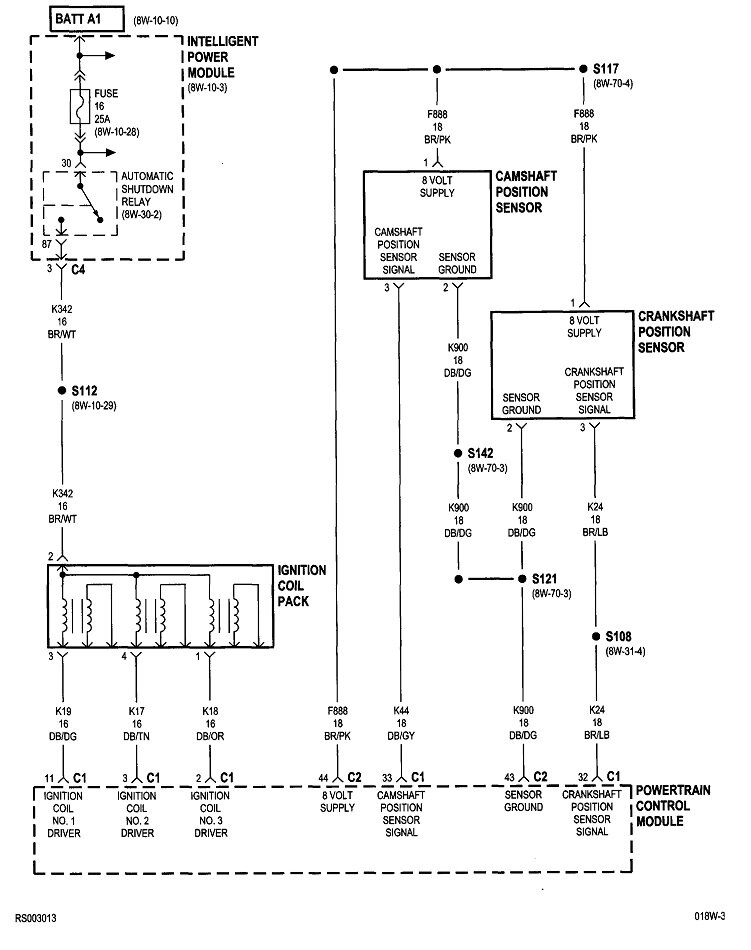
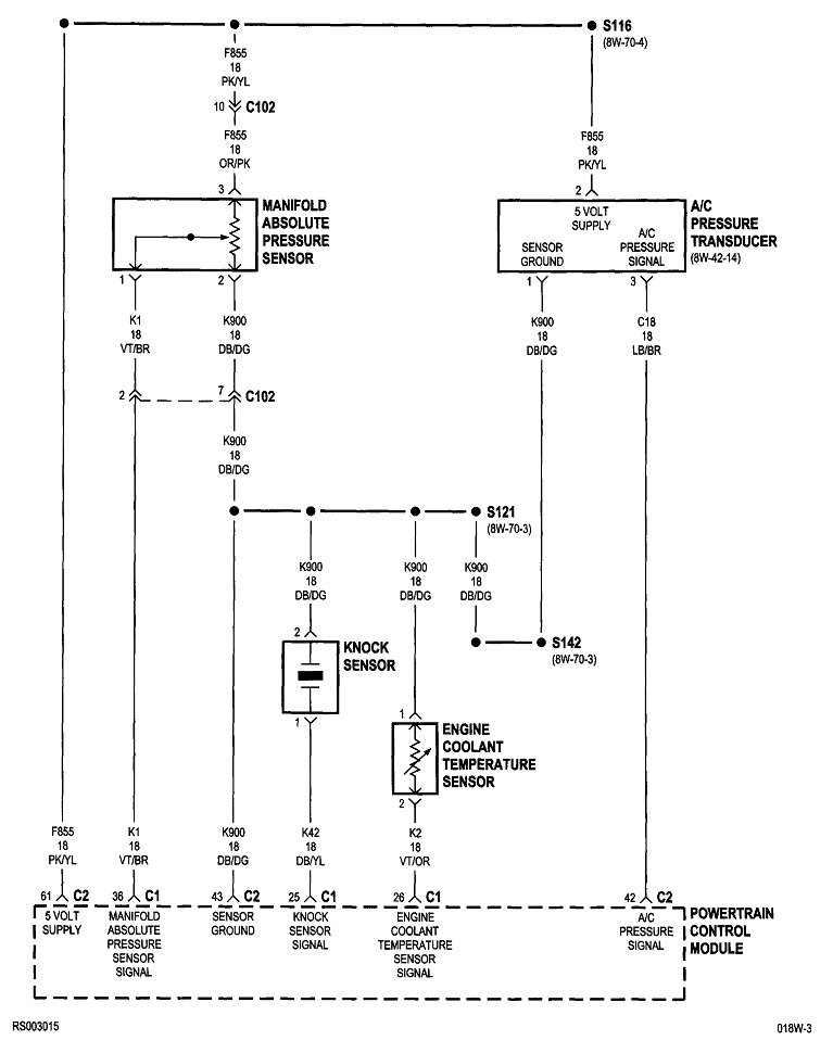
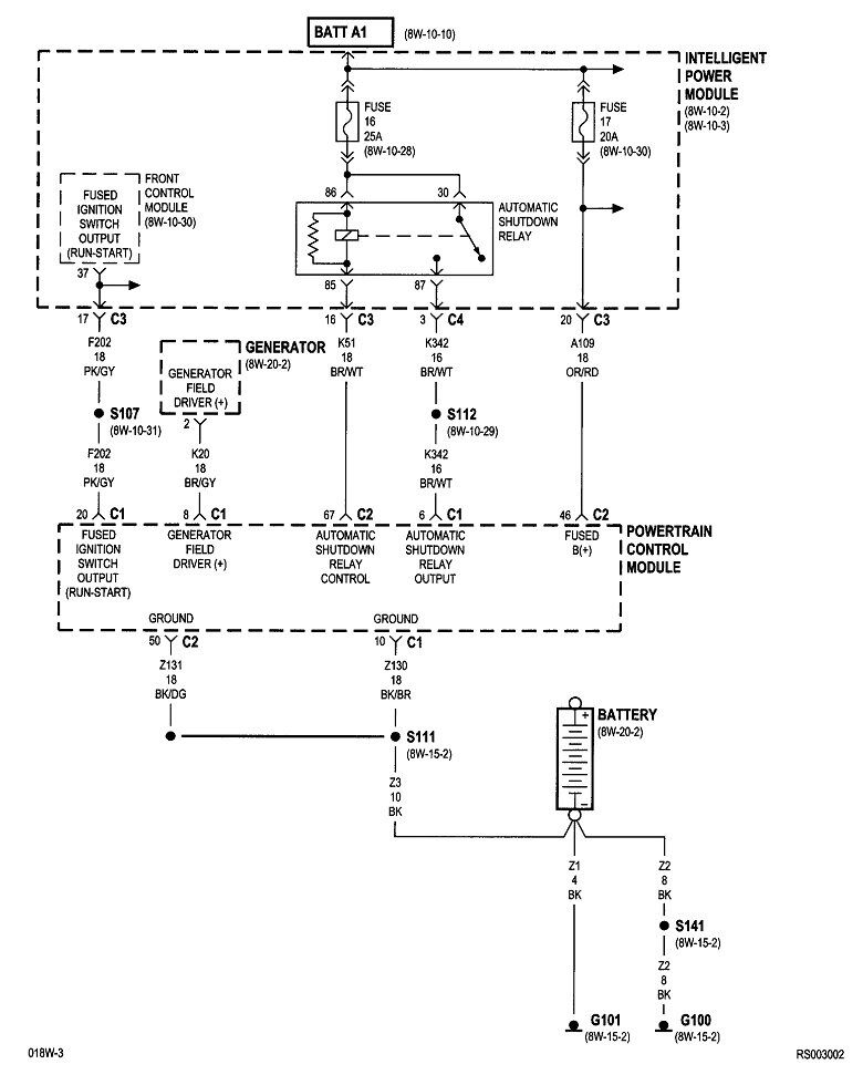
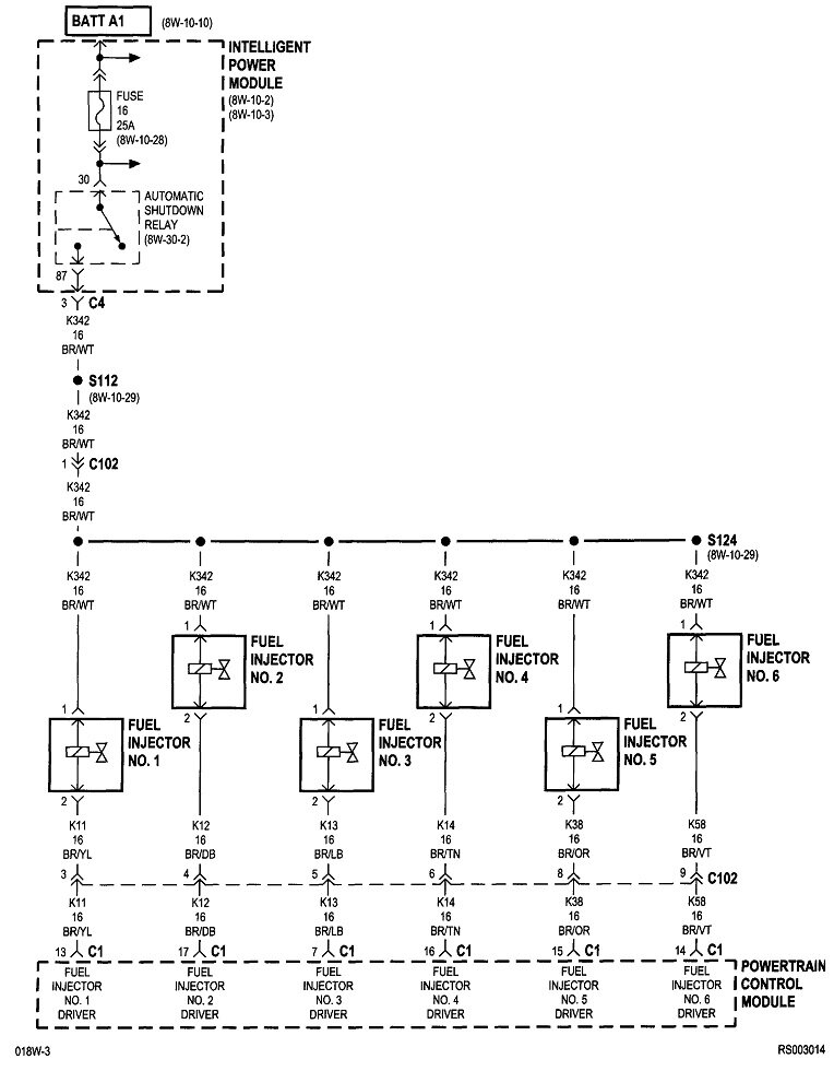
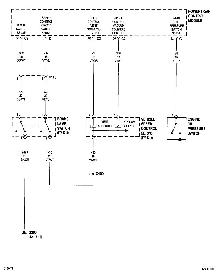
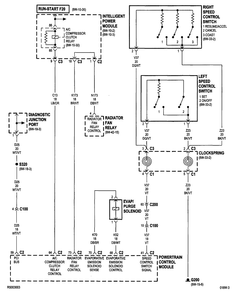
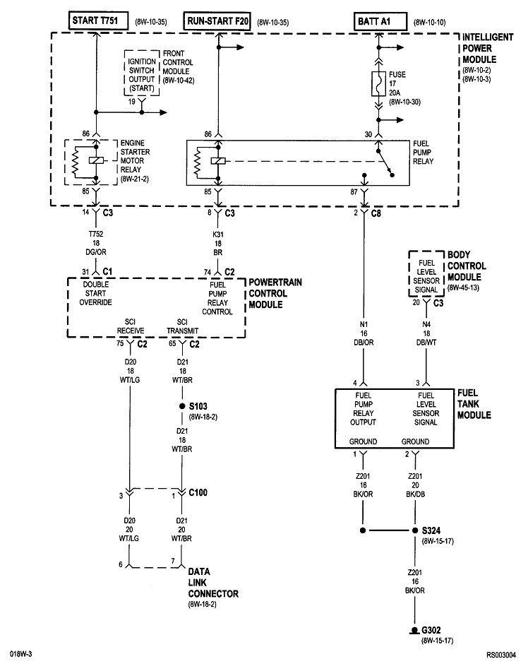
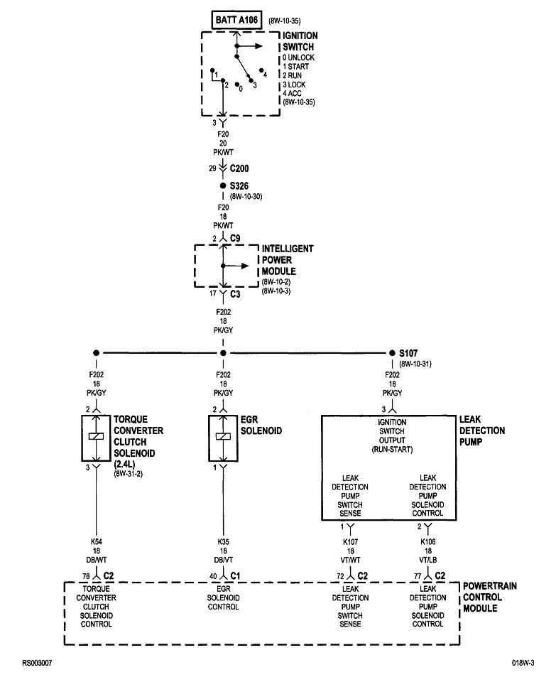
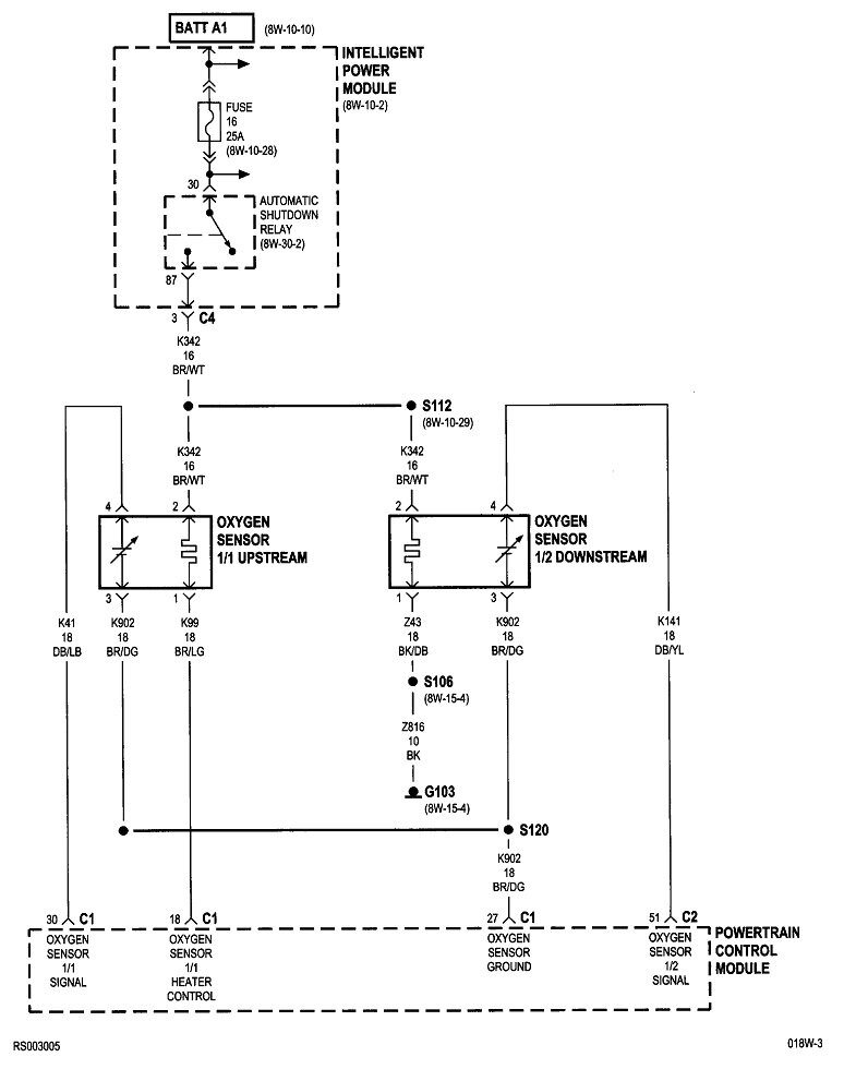
Here's the diagrams for "Powertrain Management". I added the last two for the connector views.
Was this
answer
helpful?
Yes
No
+1
Tuesday, May 27th, 2025 AT 4:31 PM
Tiny
CHRYSLER 01
  • MEMBER
  • 68 POSTS
Thanks, I will check them.
Was this
answer
helpful?
Yes
No
Tuesday, May 27th, 2025 AT 4:48 PM
Tiny
CHRYSLER 01
  • MEMBER
  • 68 POSTS
I check pin #10 and #50 ground are good on those pin and 43 has sensor grounds, I haven't check power.
Was this
answer
helpful?
Yes
No
Wednesday, May 28th, 2025 AT 6:37 AM

Please login or register to post a reply.