Fuel pump not working

Tiny
DANDEN
  • MEMBER
  • 2000 CHEVROLET S-10
  • 6 CYL
  • 2WD
  • AUTOMATIC
  • 213,000 MILES
Vehicle sounds like it wants to turn over. Replaced fuel filter cannot hear any noise or that pump is working. Replaced battery as well.
Thursday, April 12th, 2018 AT 8:58 AM

1 Reply

Tiny
STEVE W.
  • MECHANIC
  • 15,706 POSTS
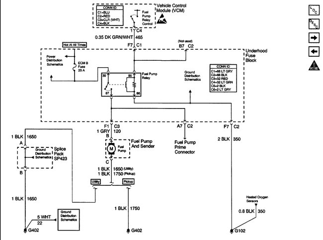
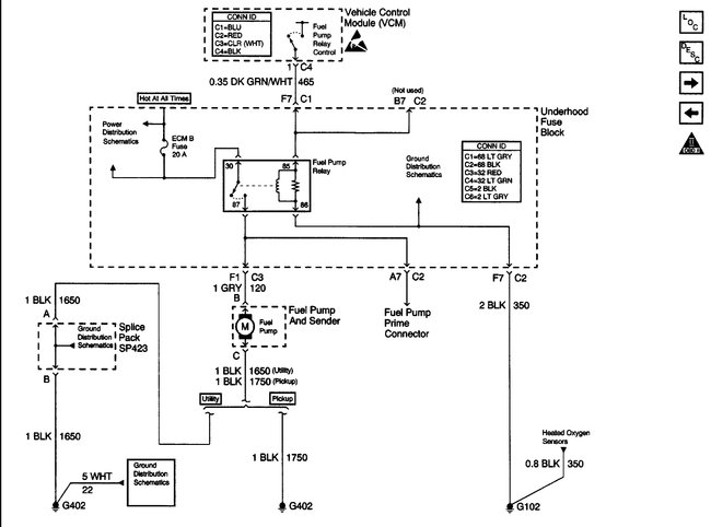
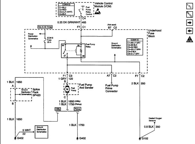
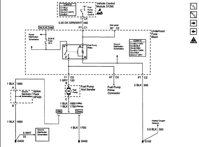
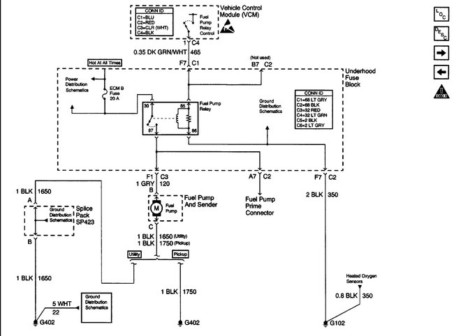
Fuel pump is a common failure on them. Fastest way to test them is to put a fuel pressure gauge on the rail and jumper the power to the pump using the gray wire that is the fuel pump prime connection. It will be in the harness near the fuse panel. Or you can pull the fuel pump relay and feed battery power to terminal 87 to do the same thing.
Check fuse ECM B to be sure it is okay and swap the pump relay with one of the others that is the same to be sure it is not the relay.

If you power the pump up and get no pressure or lower than 55 pounds the pump is bad. Try to use OEM if possible most folks do not have much luck with the aftermarket pumps in these.
Was this
answer
helpful?
Yes
No
Thursday, April 12th, 2018 AT 11:26 AM

Please login or register to post a reply.