Saturday, August 28th, 2021 AT 1:44 PM
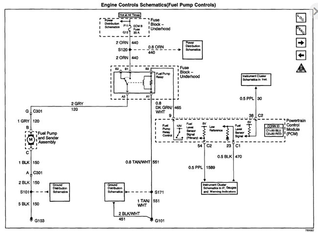
Van sat for a year and would crank but not start. Fuel pump would not prime with the key on so I replaced the fuel pump and it still will not turn on with key on or when cranking. When I run a jumper from a 12v battery directly to the fuel pump the pump turns on and the van will start and run great. Checked all fuses and swapped the starter relay with fuel pump relay, both relays work.



