When attempting to accelerate the engine shuts off

Tiny
RICO681
  • MEMBER
  • 1999 CHEVROLET BLAZER
  • V6
  • 4WD
  • AUTOMATIC
  • 188,543 MILES
I have the vehicle listed above, it starts but a soon as I hit the gas it shuts off. Sometimes it runs a little bit but it shuts off and it acts like is running out of gas but it has almost a full tank. It also sounds like is firing when hitting the gas. I don't know.
Thursday, February 25th, 2021 AT 1:35 PM

1 Reply

Tiny
ASEMASTER6371
  • MECHANIC
  • 52,796 POSTS
Good evening,

I would check the fuel pressure to be sure the pump is working correctly. This does sound like a failing fuel pump.

https://www.2carpros.com/articles/how-to-check-fuel-system-pressure-and-regulator

https://www.2carpros.com/articles/engine-stalls

https://www.2carpros.com/articles/how-to-replace-an-electric-fuel-pump

Roy

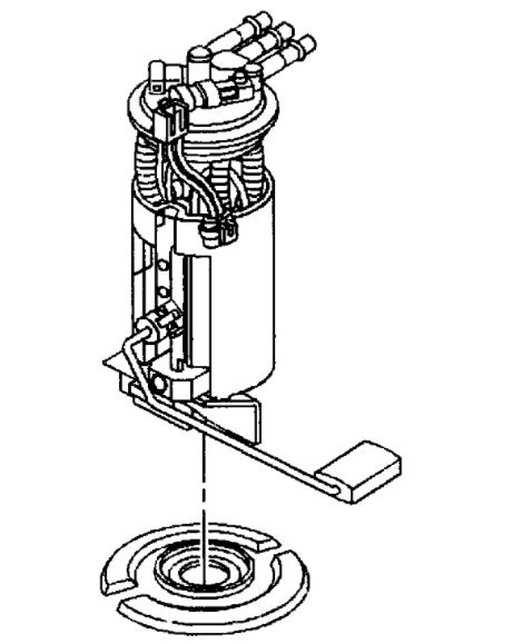
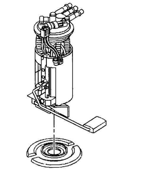
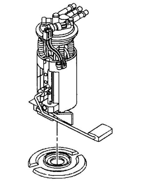
TOOLS REQUIRED
J 39765 Fuel Sender Locknut Wrench

CAUTION: Refer to Battery Disconnect Caution in Service Precautions.

1. Disconnect the negative battery cable.
2. Relieve the fuel system pressure. Refer to Fuel Pressure Relief Procedure. See: Fuel Pressure Release > Procedures
3. Drain fuel tank. Refer to Fuel Tank Draining Procedure. See: Fuel Tank > Procedures > Fuel Tank Draining
4. Remove the fuel tank.
5. Remove the fuel sender assembly by using the J 39765 fuel sender locknut wrench in a counter clockwise motion.

DISASSEMBLE PROCEDURE
1. Note the position of the fuel pump strainer on the fuel pump.
2. Support the pump with one hand and grasp the strainer with the other hand.
3. Rotate the strainer in one direction and pull off the pump. Discard the strainer after inspection.
4. Inspect the fuel pump strainer. Replace the strainer if it has contaminates and clean the fuel tank.
5. Inspect the fuel pump inlet for dirt and debris. If found, replace the pump.

ASSEMBLE PROCEDURE

NOTE: Do not fold or twist the strainer when installing the sending unit. This action restricts fuel flow.

1. Push on the outer edge of the ferrule until fully seated.
2. Support the pump with one hand and position the new pump strainer on pump in the same position as noted during disassembly.

INSTALLATION PROCEDURE
1. Install a new seal, sending assembly and lock ring. Make sure the lock ring alignment holes fit over the tabs on the tank.
2. Install the cam lock assembly. Turn the cam lock clockwise to lock it.
3. Install the fuel tank.
4. Add fuel removed from the tank.
5. Connect the negative battery cable.
6. Check for fuel leaks.
6.1.Turn the ignition ON for 2 seconds.
6.2.Turn OFF the ignition for 10 seconds.
6.3.Again, turn the ignition switch to the ON position.
6.4.Check for fuel leaks.
Was this
answer
helpful?
Yes
No
Thursday, February 25th, 2021 AT 3:11 PM

Please login or register to post a reply.