Fuel Pump Diamgram

Tiny
ZIGGY5312
  • MEMBER
  • 1995 GMC SONOMA
  • 234,000 MILES
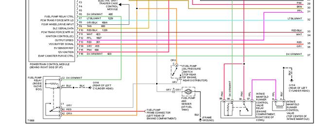
Needing a wiring diagram for a 1995 GMC Sonoma from the fuel pump to the power control module would be great. Found a loose wire and need to see where it would go.

Just replace the fuel pump, tested it does work.

However not working when key is turned over possibly due to the HANGING WIRE.

Needing a diagram to see where this one of many go.

thank you.
Sunday, May 5th, 2013 AT 3:37 PM

3 Replies

Tiny
HMAC300
  • MECHANIC
  • 48,601 POSTS
Tehpic pretty much sums it up except orange wire goes to fuse 9 in dash fuse block.
Was this
answer
helpful?
Yes
No
-3
Sunday, May 5th, 2013 AT 6:29 PM
Tiny
ZIGGY5312
  • MEMBER
  • 3 POSTS
Thank you. I will let you know if it worked.
Was this
answer
helpful?
Yes
No
Sunday, May 5th, 2013 AT 6:46 PM
Tiny
ZIGGY5312
  • MEMBER
  • 3 POSTS
May take til tomorrow though.
Was this
answer
helpful?
Yes
No
Sunday, May 5th, 2013 AT 6:52 PM

Please login or register to post a reply.