HOME
ASK A QUESTION
REPAIR GUIDES
BECOME A MEMBER
LOG IN
Login with Facebook
OR
Remember me
NOT A MEMBER?
FORGOT PASSWORD?
CONTACT US
PRIVACY POLICY
TERMS AND CONDITIONS
☰
Home
Mitsubishi
Mighty Max
Fuel System
Fuel Level Sensor
Fuel pump and fuel sending unit wiring diagram needed
PACIFICISLANDER
MEMBER
1994 MITSUBISHI MIGHTY MAX
2.4L
4 CYL
2WD
AUTOMATIC
100,000 MILES
Need the wiring diagram colors for the fuel pump and the fuel sending unit from the tank.
Monday, March 14th, 2022 AT 9:51 PM
3 Replies
KASEKENNY
MECHANIC
18,907 POSTS
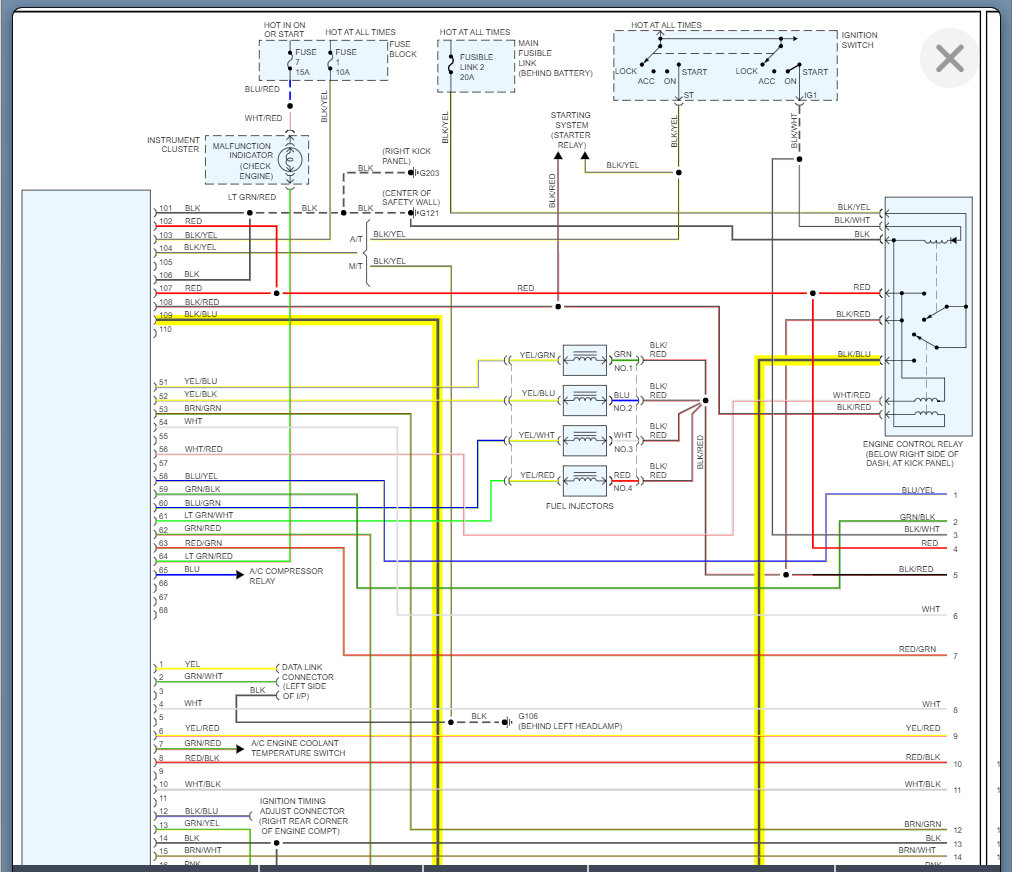
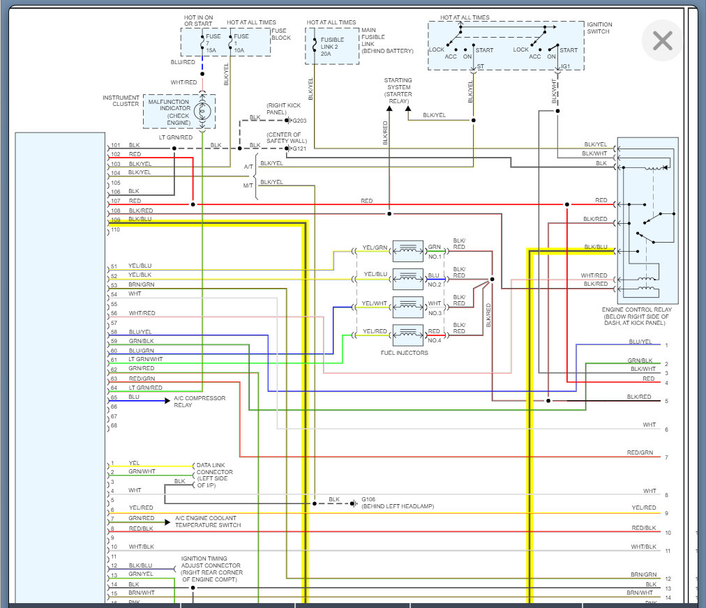
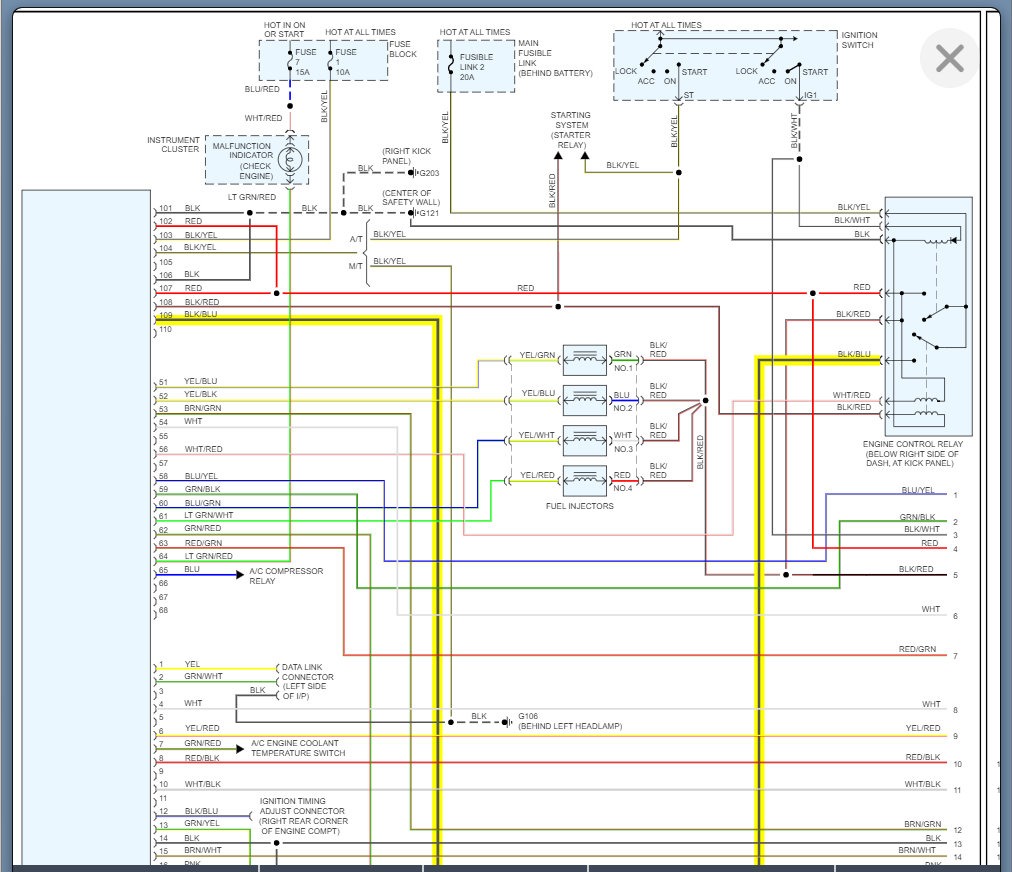
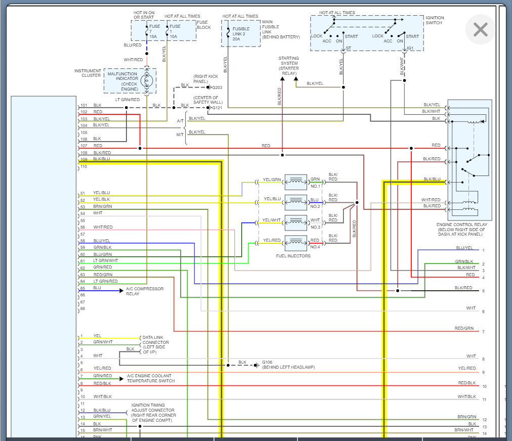
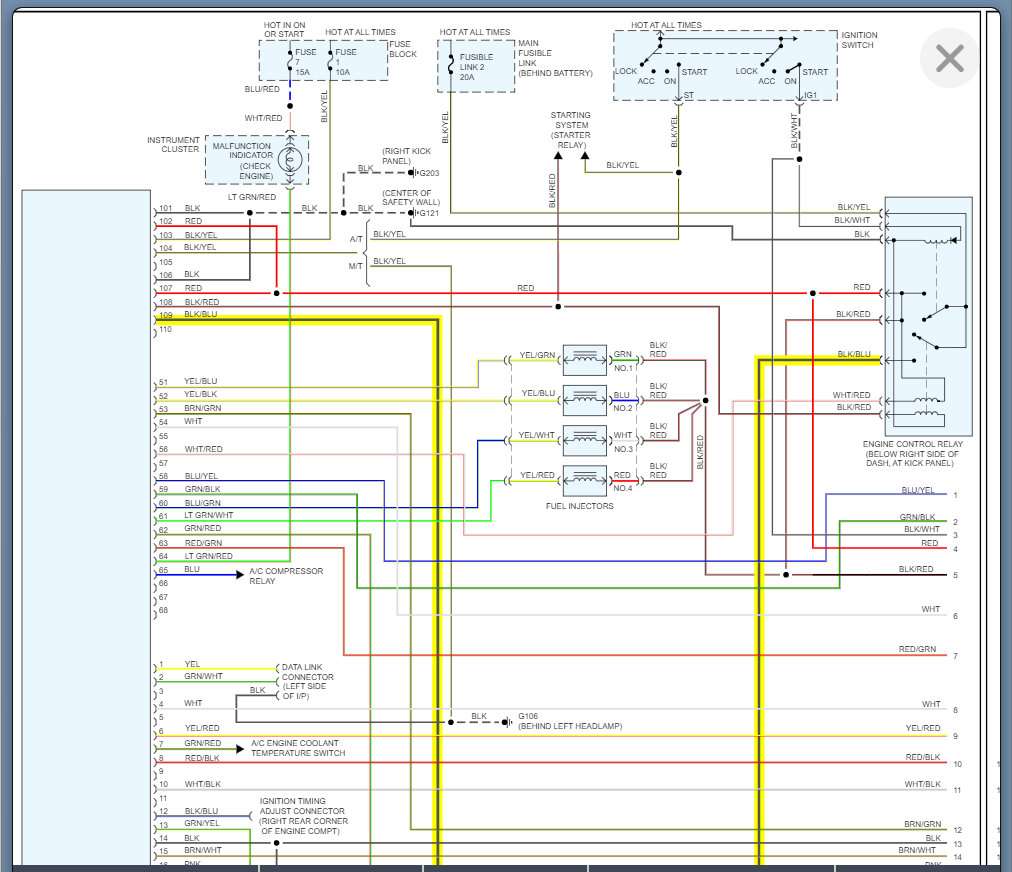
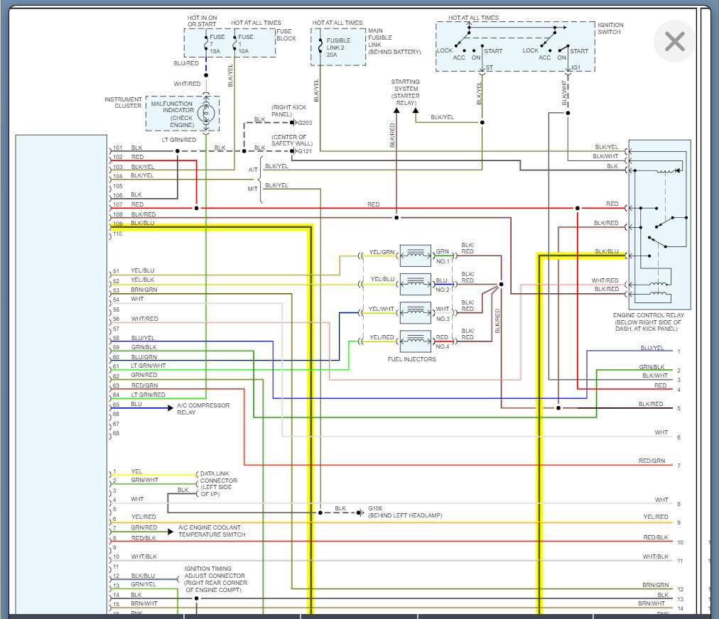
I will attach the wiring info below. However, here are a couple of guides that will help with this info:
https://www.2carpros.com/articles/how-to-check-fuel-system-pressure-and-regulator
https://www.2carpros.com/articles/how-to-replace-an-electric-fuel-pump
Please see the info attached and let me know if you have questions.
Thanks
Images (Click to make bigger)
Was this
answer
helpful?
Yes
No
Tuesday, March 15th, 2022 AT 6:28 PM
PACIFICISLANDER
MEMBER
240 POSTS
Kenny, now I need the wiring for the fuel sending unit. What colors are they?
Was this
answer
helpful?
Yes
No
+1
Tuesday, March 15th, 2022 AT 8:11 PM
KASEKENNY
MECHANIC
18,907 POSTS
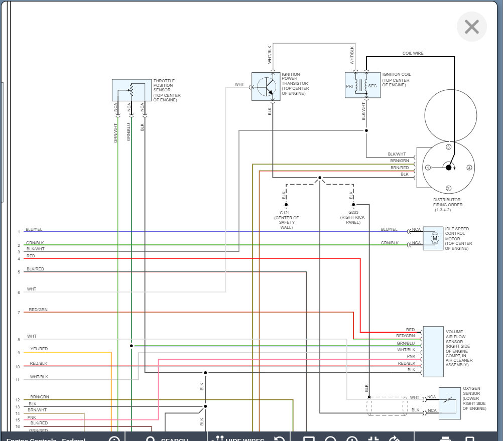
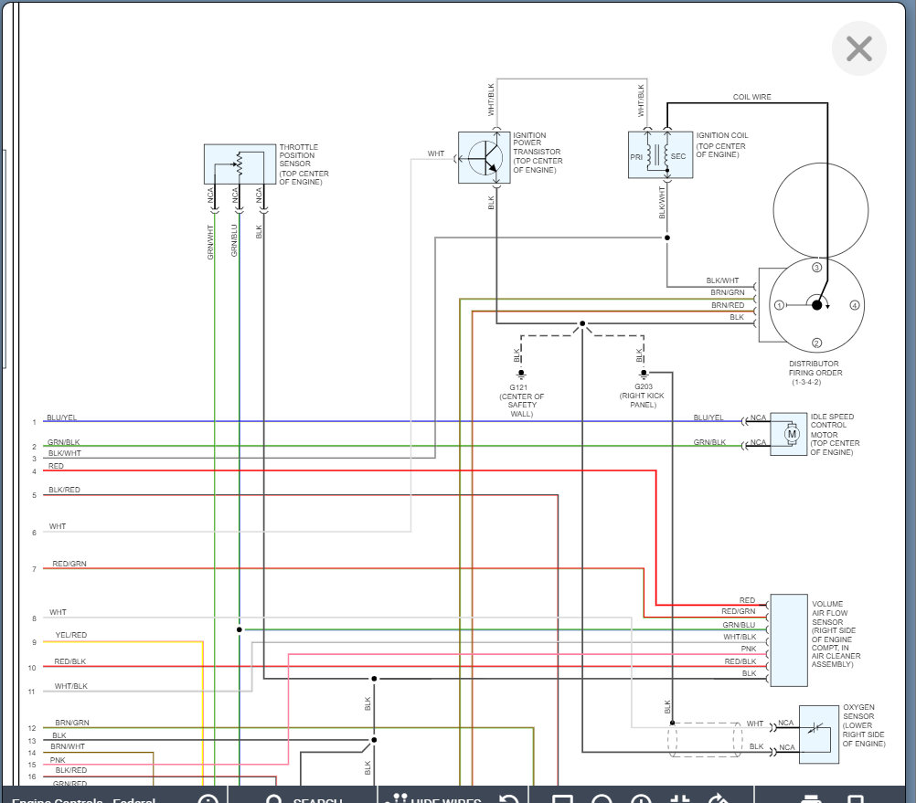
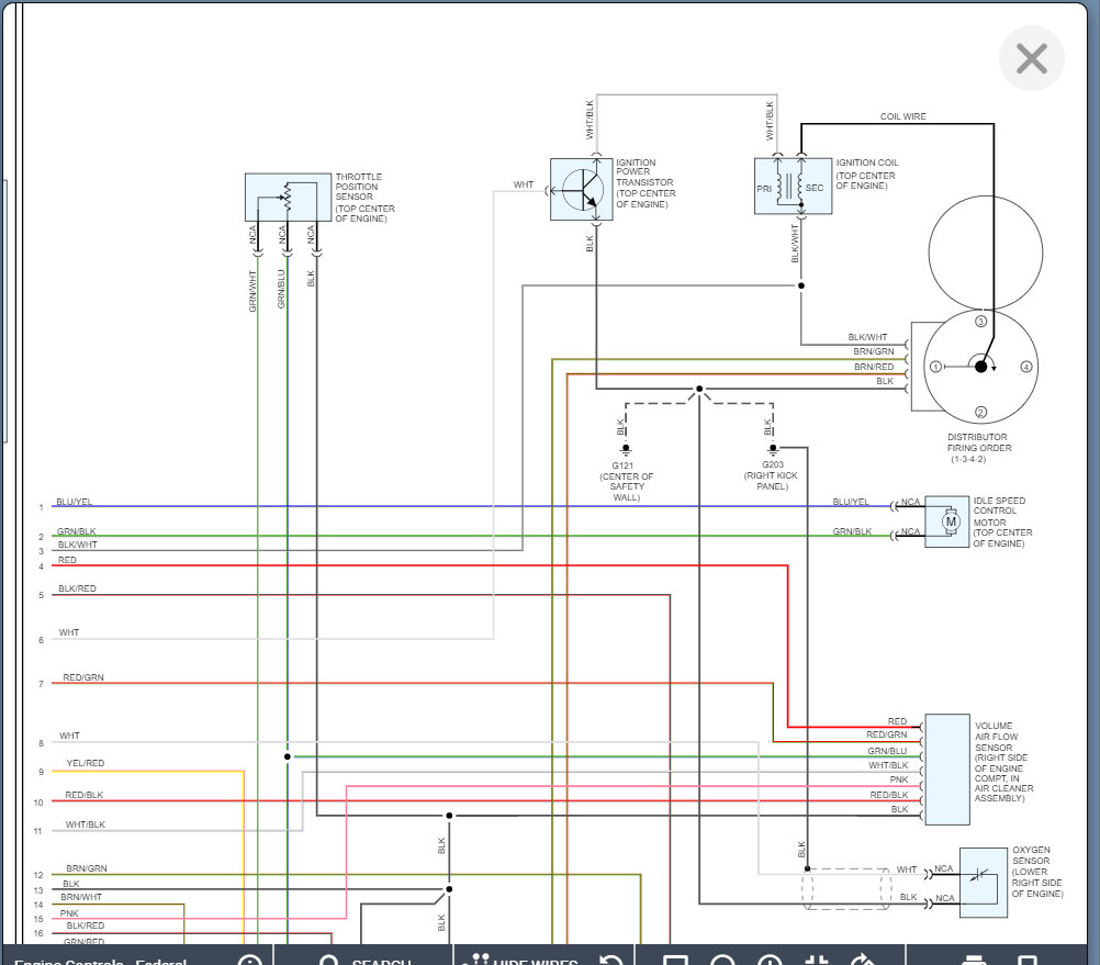
Sorry. I didn't include that as they have it separate in the cluster section on this vehicle.
Here is the fuel gauge unit diagram.
Images (Click to make bigger)
Was this
answer
helpful?
Yes
No
-1
Wednesday, March 16th, 2022 AT 3:55 AM
Please
login
or
register
to post a reply.
Related Fuel Level Sensor Content
Bolt For Fuel Filter
I Am Trying To Find An Output Hose Bolt That Goes Into One End Of Fuel Filter (bottom). Could It Be Called Something Else? It Holds The...
Asked by
Paula Childress Graves
·
7 ANSWERS
1991
MITSUBISHI MIGHTY MAX
1993 Might Max 3.0
Idles Good But Has No Power Climbing Hills.I Have Changed All Plugs Wires And Cap, Plugs Fuel Filters And Checked Timing. Also Fuel...
Asked by
feltrm
·
4 ANSWERS
1 IMAGE
1993
MITSUBISHI MIGHTY MAX
1995 Mighty Max Fuel System Diagram
Need Diagram Of Fuel System Don't Know How Regulator Goes Or Pressure Line. No Autozone Does Not Have It.
Asked by
TheHelper
·
5 ANSWERS
1 IMAGE
1995
MITSUBISHI MIGHTY MAX
1992 Mitsubishi Mighty Max Too Much Fuel
I Bought A 1992 Mighty Max That Has Been Sitting For 4 Years The Guy I Bought It From Said The Head Needed 5 Be Rebuilt And There Was A...
Asked by
1992mightymax
·
5 ANSWERS
1992
MITSUBISHI MIGHTY MAX
Ask a Car Question. It's Free!
Fuel Pump Replacement
How to Use a Test Light
Replace Fuel Filter Chevrolet S-10