Wednesday, September 25th, 2024 AT 7:07 PM
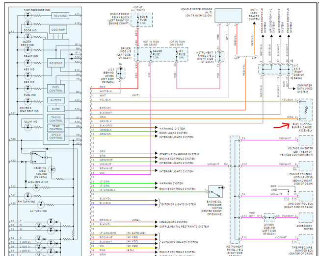
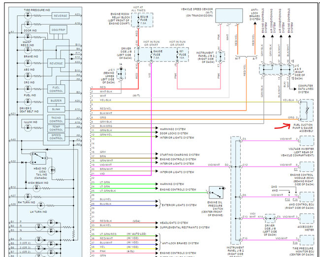
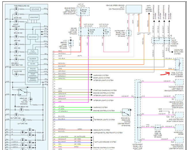
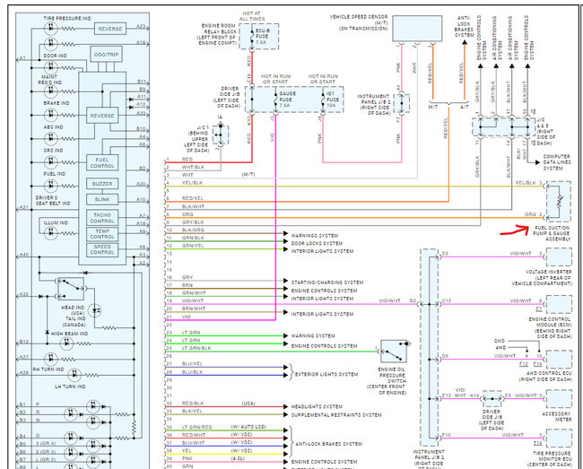
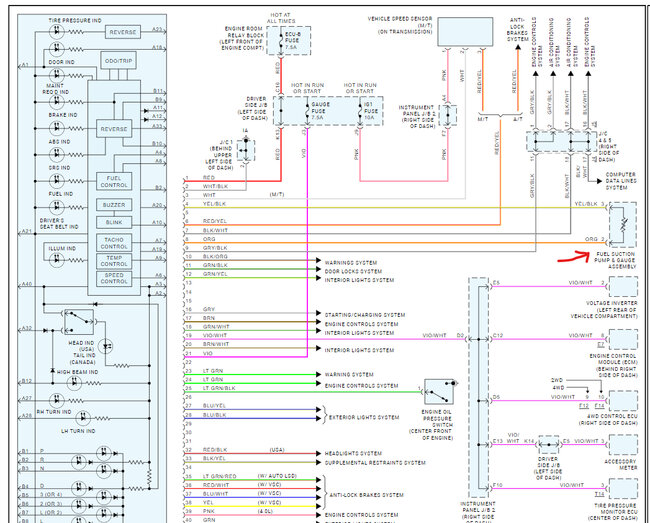
I had an issue with the gauge showing 1/4 tank and then the engine shut off. Add gas no problem, over an over. I put a new pump in and I thought that solved it. Low and behold as driving and level got back to a bit over 1/4 tank. It shut off. I add gas and on the go again. What should I look at? Gauge seems like it may be sticking. I added 8 gallons, and it went to where it should be, but needle moved a tad. Seee pic. No codes.
























