Fuel not getting to filter after replacing fuel pump

Tiny
SOCKO
  • MEMBER
  • 1995 CADILLAC DEVILLE
  • 4.9L
  • V8
  • 2WD
  • AUTOMATIC
  • 100,000 MILES
Replaced bad fuel pump with new pump it comes on now, but not getting fuel to the filter.
Saturday, March 2nd, 2019 AT 9:59 PM

5 Replies

Tiny
SCGRANTURISMO
  • MECHANIC
  • 4,897 POSTS
Hello,

Three things I want you to check. 1) Is there fuel in the tank. 2) Check the hose that runs from the pump to the outlet line on the holder. 3) Check the electrical connections and mark sure they are not reversed. Red wire to red wire, black wire to black wire. Let us know what you find out.

Thanks,
Alex
2CarPros
Was this
answer
helpful?
Yes
No
Saturday, March 2nd, 2019 AT 11:50 PM
Tiny
SOCKO
  • MEMBER
  • 2 POSTS
Need diagram of fuel lines coming out of fuel pump.
Was this
answer
helpful?
Yes
No
Monday, March 4th, 2019 AT 10:17 AM
Tiny
SCGRANTURISMO
  • MECHANIC
  • 4,897 POSTS
Hello again,

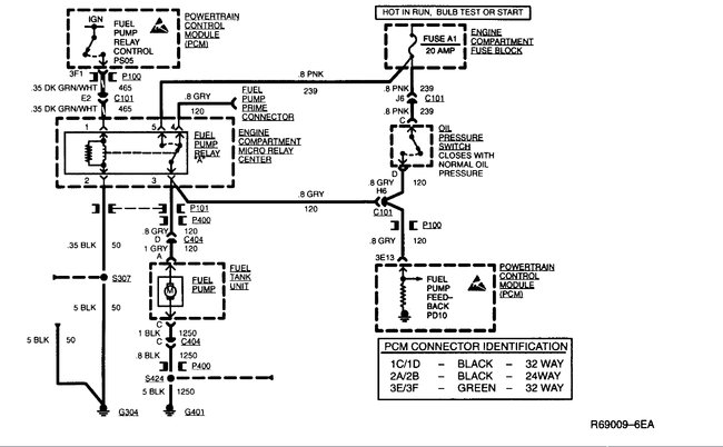
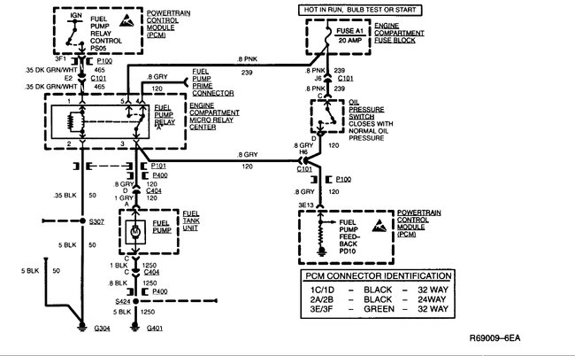
I can't find any information on what hose goes where, but it looks like you have a fuel return system, so usually the bigger hose would be the return, the smaller line would be pressure to the engine, plus it would have a line from the pump to it, and the third line would be for the EVAP system. I have included in the diagrams below a blown up diagram of the fuel pump and hanger as well as two troubleshooting flow charts for your vehicles fuel system. Please go through them and get back to us with what you find out.

Thanks,
Alex
2CarPros
Was this
answer
helpful?
Yes
No
Monday, March 4th, 2019 AT 7:28 PM
Tiny
SOCKO
  • MEMBER
  • 2 POSTS
Fuel pump only has two lines both same size.
Was this
answer
helpful?
Yes
No
Saturday, March 9th, 2019 AT 4:57 PM
Tiny
SCGRANTURISMO
  • MECHANIC
  • 4,897 POSTS
Hello again,

Does it look like the first picture in the diagrams I sent earlier?

Thanks,
Alex
2CarPros
Was this
answer
helpful?
Yes
No
-1
Saturday, March 9th, 2019 AT 10:43 PM

Please login or register to post a reply.