Fuel pump installation issue

Tiny
MMARTINEZ55
  • MEMBER
  • 1997 CADILLAC DEVILLE
  • 4.6L
  • V8
  • 2WD
  • AUTOMATIC
  • 125,000 MILES
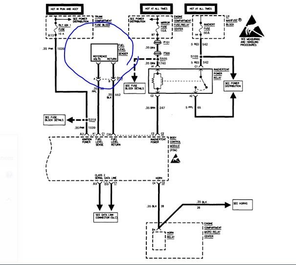
I bought a new pump from rock auto but it has a harness I had to splice on it to hook up to my existing harness. My problem is that the new harness has two black wires like my original but one is heavier gauge and the other is smaller gauge with a brown stripe on it. My original harness has the purple and grey but the two black wires are both heavy gauge and are solid black and are labeled D and C. Your help would be appreciated. Thank you,
Mike M
Friday, May 2nd, 2014 AT 7:33 AM

2 Replies

Tiny
CADIEMAN
  • MECHANIC
  • 3,544 POSTS
Look at the pump mike you will see a positive and negative at the pump terminals. The purple wire is positive and the gray is negative. But first hook up the other black wires. Hook them to the sending unit for the fuel gauge. Just hook them up. Then turn the key on. With the float down it should flash E. Then push the float all the way up it should read full. If it doesn't you will need to reverse the black wires so the fuel gauge works. Then plug the pump in and reinstall the sending unit and pump.
Was this
answer
helpful?
Yes
No
+2
Friday, May 2nd, 2014 AT 7:55 PM
Tiny
ASEMASTER6371
  • MECHANIC
  • 52,796 POSTS
Good evening,

The original had a thick and thin ground wire. One for the sender and the other for the fuel pump itself.

The wire for the fuel pump goes directly to ground. The wire for the sender goes to the body control module. Check and see if one of the black wires has a white stripe on it. If it does, that is for the sender.

https://www.2carpros.com/articles/how-to-check-wiring

Roy
Was this
answer
helpful?
Yes
No
+1
Thursday, April 2nd, 2020 AT 5:10 PM

Please login or register to post a reply.