After installing new fuel pump the 10 amp fuse blows when accelerating

Tiny
RIC10121
  • MEMBER
  • 2006 CHEVROLET EQUINOX
  • 3.4L
  • 6 CYL
  • 2WD
  • 79,000 MILES
New fuel pump installed. It's blowing the 10 amp fuse whenever I step on the accelerator. I am not sure what’s going on but if there’s a short on the wire that goes to the fuse box. I can find the location so I can follow it to the front and replace it I check the connection.

I was not the one that installed it a friend did he said it goes through the inside of the car.
Sunday, December 20th, 2020 AT 5:22 AM

3 Replies

Tiny
ASEMASTER6371
  • MECHANIC
  • 52,796 POSTS
Good morning,

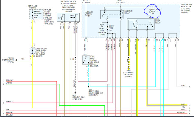
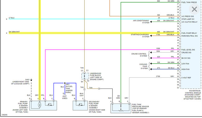
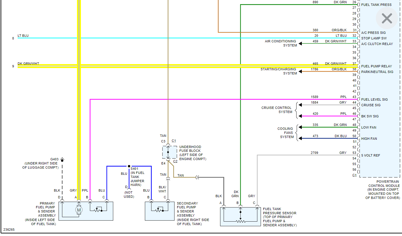
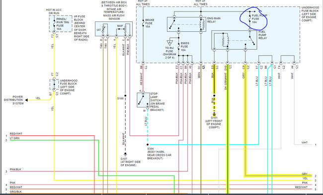
I attached a wiring diagram for you to view.

https://www.2carpros.com/articles/how-to-check-wiring

Is that the fuse that fails? If it is and you have a new fuel pump, did you replace the relay?

https://www.2carpros.com/articles/how-to-check-a-car-fuse

If you did, then the gray wire from the relay to the pump is the issue as it may be shorted or partially broken.

https://www.2carpros.com/articles/how-to-check-an-electrical-relay-and-wiring-control-circuit

Roy
Was this
answer
helpful?
Yes
No
+1
Sunday, December 20th, 2020 AT 8:34 AM
Tiny
RIC10121
  • MEMBER
  • 2 POSTS
Roy, thank you we placed the relay. Does the gray wire relay to back to the fuel pump? If so does it run through the bottom of the chassis on the right or the left?
Was this
answer
helpful?
Yes
No
Sunday, December 20th, 2020 AT 6:46 PM
Tiny
ASEMASTER6371
  • MECHANIC
  • 52,796 POSTS
I am not sure of the routing but it should be part of the main harness to the back.

Roy
Was this
answer
helpful?
Yes
No
+1
Monday, December 21st, 2020 AT 5:44 AM

Please login or register to post a reply.