Fuel Pump

Tiny
TIM GRZYWACZ
  • MEMBER
  • 2004 PONTIAC GRAND PRIX
  • 3.8L
  • V6
  • 2WD
  • AUTOMATIC
  • 320,000 MILES
Turn the key no fuel pump cycle. Jumped fuel pump and it's good. Changed all relays and fuses. Nothing changed. Spray starting fluid in throttle body fires. Dialect greased all relays and wire plugs. Still nothing. Please help.
Monday, June 13th, 2022 AT 7:17 PM

1 Reply

Tiny
KASEKENNY
  • MECHANIC
  • 18,907 POSTS
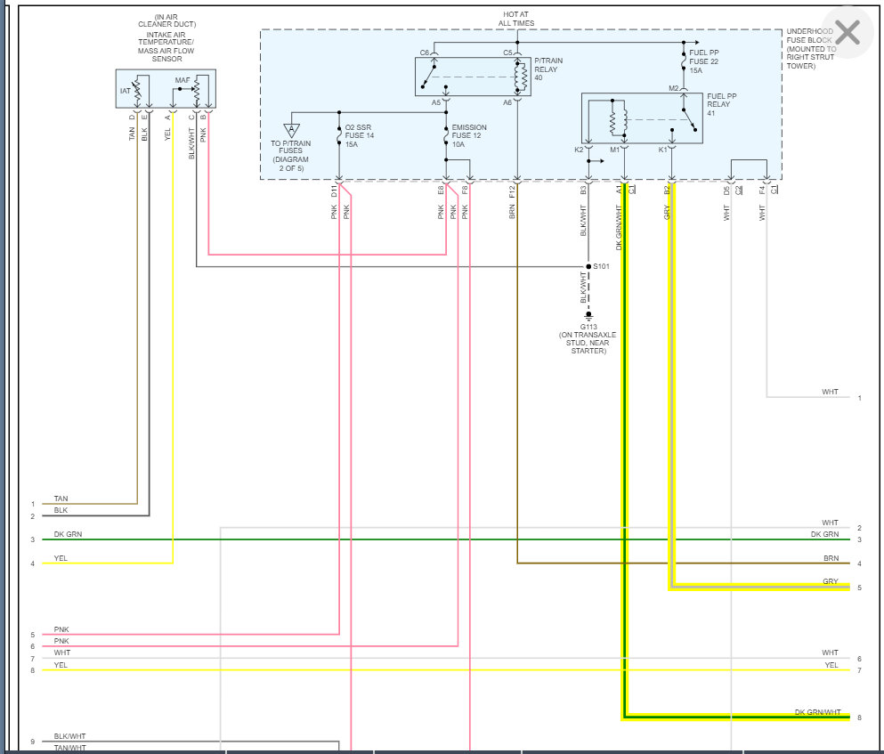
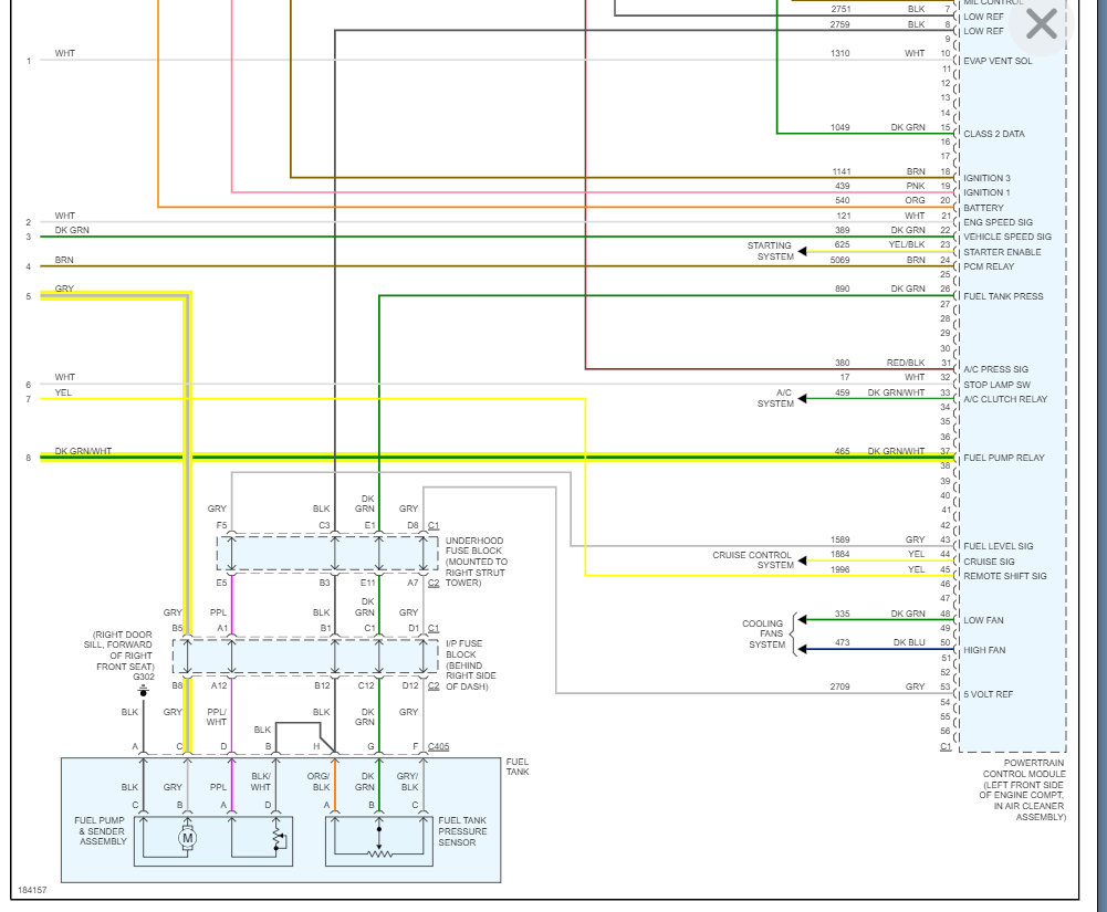
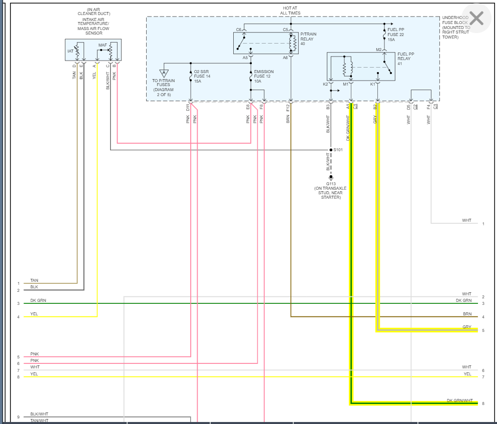
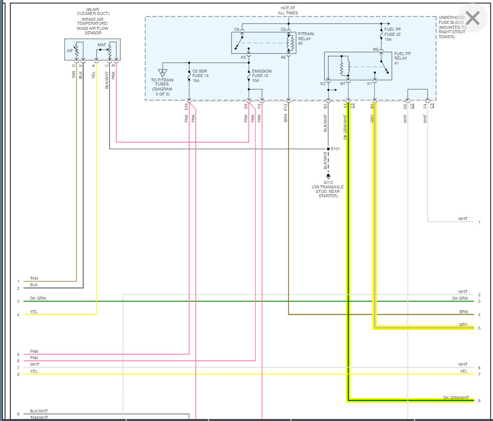
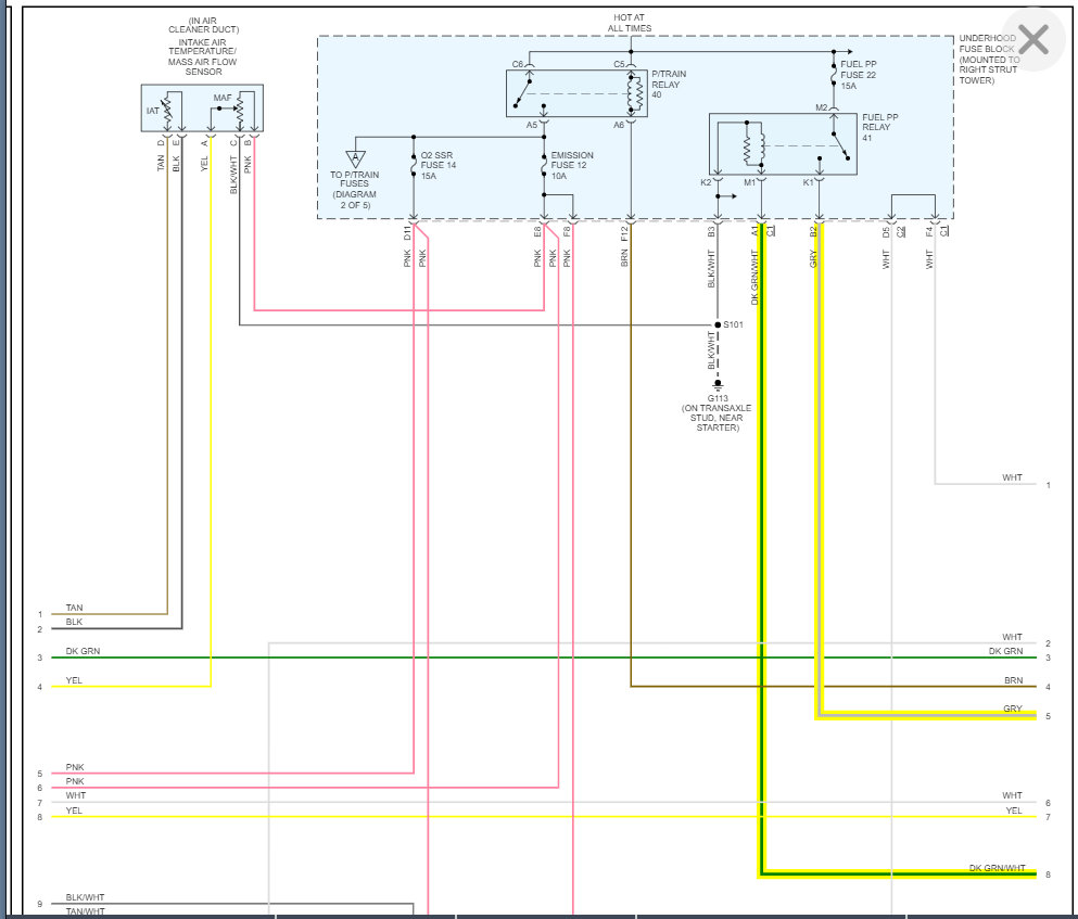
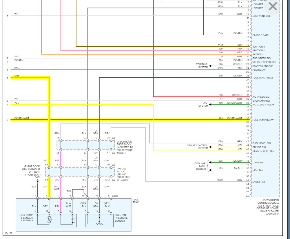
If you jump the relay and it works, then we need to dig further into the relay.

So, let's check the voltage at each of the terminals. Check the voltage with the key on at pin M1 using K2 as the ground. The meter should read 12 volts.

If it doesn't then we have a PCM or ground issue.

https://www.2carpros.com/articles/how-to-check-wiring

https://www.2carpros.com/articles/how-to-use-a-voltmeter

https://www.2carpros.com/articles/how-to-check-an-electrical-relay-and-wiring-control-circuit

Take a look at the diagrams below and that will help.

If you have no 12 volts, then we need to use a known good ground to test the M1 terminal. If there is still no 12 volts, then the PCM is not sending the voltage and most likely has a failed driver.

If there are 12 volts with a known good ground, then you have a faulty ground for the relay.

Let me know what questions you have and what you find.

Thanks
Was this
answer
helpful?
Yes
No
Tuesday, June 14th, 2022 AT 7:52 AM

Please login or register to post a reply.