Friday, June 5th, 2020 AT 7:10 PM
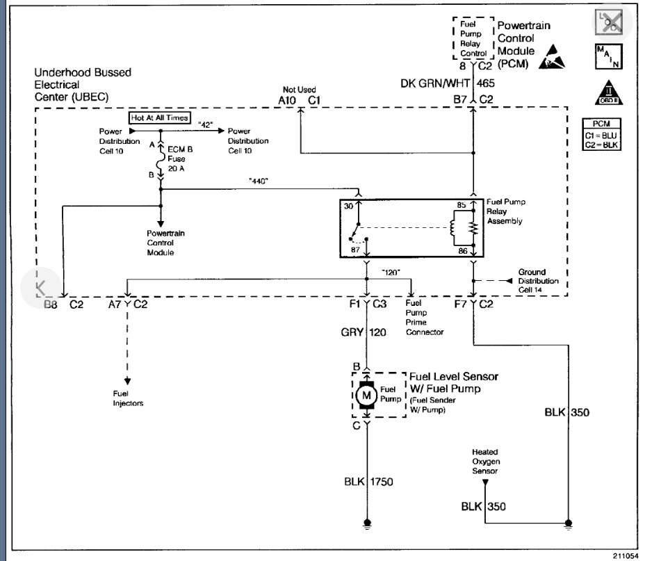
I had a problem with my truck shutting off about a month ago. I replaced the fuel filter which was plugged up fairly bad and the IAC. It ran good for another month. I kept smelling gas after driving and then it started acting the same again. I thought maybe the fuel pump took went bad so ordered one and a new gas filter. To my surprise when I raised the bed the fuel pump was standing up out of the tank. The snap ring had rusted so I replaced it. The pump had been replaced since it had the upgraded connector. I put on the new connector anyhow since some of the connections were iffy. Now I still have the same problem, it will start and maybe idle for 30 or 40 seconds then shut off or if I rev it up it might run for a minute and shut off. Any ideas?




