Fuel Gauge not working after Fuel Pump replacement

Tiny
MIKE BATES
  • MEMBER
  • 1997 CHEVROLET LUMINA
  • 3.1L
  • 6 CYL
  • 2WD
  • AUTOMATIC
  • 80,000 MILES
When I first started it up after I replaced the fuel pump, the fuel gauge needle would jump around when I pressed the brake. Odd. To be fair, I had a weak battery and had to replace it. Once the battery was replaced, the fuel gauge needle stayed flat on empty even though I had filled the empty tank with 5 gallons.

While troubleshooting, I replaced the fuel pump relay with one I picked up from AutoZone. The schematic wasn't identical but was recommended as a replacement. The rest of the gauges work, so I know it's not the 10-amp fuse, (39 in the passenger fuse box). Is it a loose connection, bad loom? Or do I have a problem with the connection(s) on the fuel pump? I haven't driven it any distance, but I have had it idle for some time. I would expect a priming or simply a bad out-of-the box fuel pump to have shown itself.

Any ideas?
Monday, April 4th, 2022 AT 7:43 AM

7 Replies

Tiny
AL514
  • MECHANIC
  • 5,593 POSTS
Hello, it sounds like possibly the wiring harness may have gotten pinched if you had to lower the tank on this one to replace the fuel pump. Or you did get a bad sending unit. There have been a lot of bad parts lately. But I would check the wiring back near the tank, I don't think it's going to be anything up front if it were working before the change out.

https://www.2carpros.com/articles/how-to-replace-an-electric-fuel-pump
Was this
answer
helpful?
Yes
No
Monday, April 4th, 2022 AT 8:34 AM
Tiny
MIKE BATES
  • MEMBER
  • 9 POSTS
Thanks, Al.

I wanted to investigate any other possibilities because dropping that tank was no easy feat. I have a feeling you're right. My first thought (well, not the first one) was a wire was pinched. I had to really struggle to get that tank up by myself on the ground. Then I had to replace the filler pipe - another nightmare. Chevy can't make it easy.

Looks like I've got another couple of weekends of work ahead of me.
Was this
answer
helpful?
Yes
No
Monday, April 4th, 2022 AT 8:48 AM
Tiny
MIKE BATES
  • MEMBER
  • 9 POSTS
Do you have a source for a diagram that I can use a multimeter to diagnose an electrical problem? I don't want to have to replace that pump again.
Was this
answer
helpful?
Yes
No
-1
Monday, April 4th, 2022 AT 8:50 AM
Tiny
AL514
  • MECHANIC
  • 5,593 POSTS
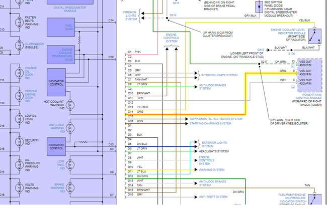
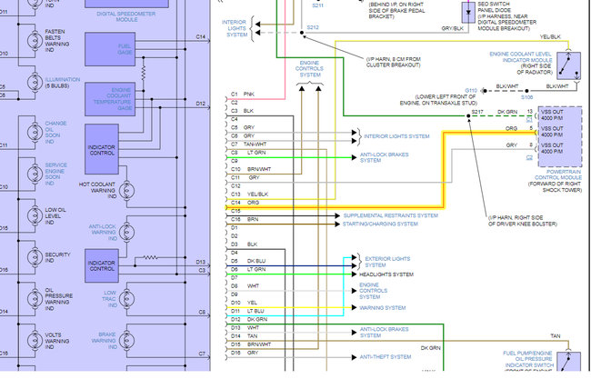
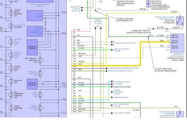
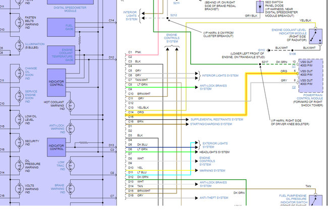
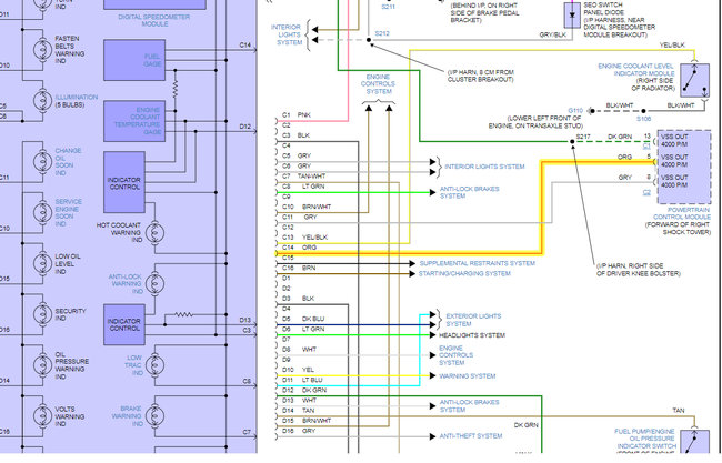
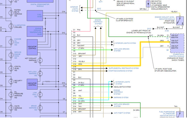
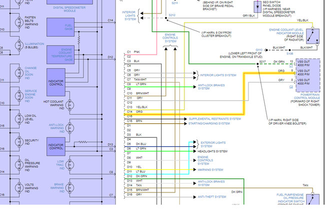
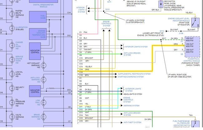
Yes, here is the wiring diagram for the fuel pump and the gauge. So, the fuel level sender has the purple wire labelled as Chev and goes to the ECM. Then to the level sender and then to the instrument cluster. There must be a connector involved somewhere there due to the wire color change. The other wire there, the black/white changes over to just a black wire that grounds a bunch of other sensors and actuators and then goes to the ECM. The second diagram is where the purple wire ends, and the third is where that black/white wire ends. But if that wire were being used you would have trouble with a lot more components. So, it looks like it's just the purple wire labeled Chev.

I'll try to locate the pinout for the instrument cluster too if you want that.
Okay, that purple wire goes to the ECM, the ECM then outputs the signal on a different wire (fourth diagram) an orange wire and then to the instrument cluster. Fifth diagram. Pin C14 at the cluster. And I know how tough trying to work on the ground is, I do it all the time doing mobile diagnostics, so I understand.
Was this
answer
helpful?
Yes
No
+2
Monday, April 4th, 2022 AT 9:08 AM
Tiny
MIKE BATES
  • MEMBER
  • 9 POSTS
This is awesome! These diagrams will help a lot!
Was this
answer
helpful?
Yes
No
Monday, April 4th, 2022 AT 9:20 AM
Tiny
AL514
  • MECHANIC
  • 5,593 POSTS
No problem, let us know if you need any other information in the future. Hope it goes well for you.
Was this
answer
helpful?
Yes
No
Monday, April 4th, 2022 AT 9:21 AM
Tiny
MIKE BATES
  • MEMBER
  • 9 POSTS
If I succeed, I'll also detail my journey. Feedback is always good.
Was this
answer
helpful?
Yes
No
Monday, April 4th, 2022 AT 9:28 AM

Please login or register to post a reply.