Wednesday, December 14th, 2011 AT 6:58 PM
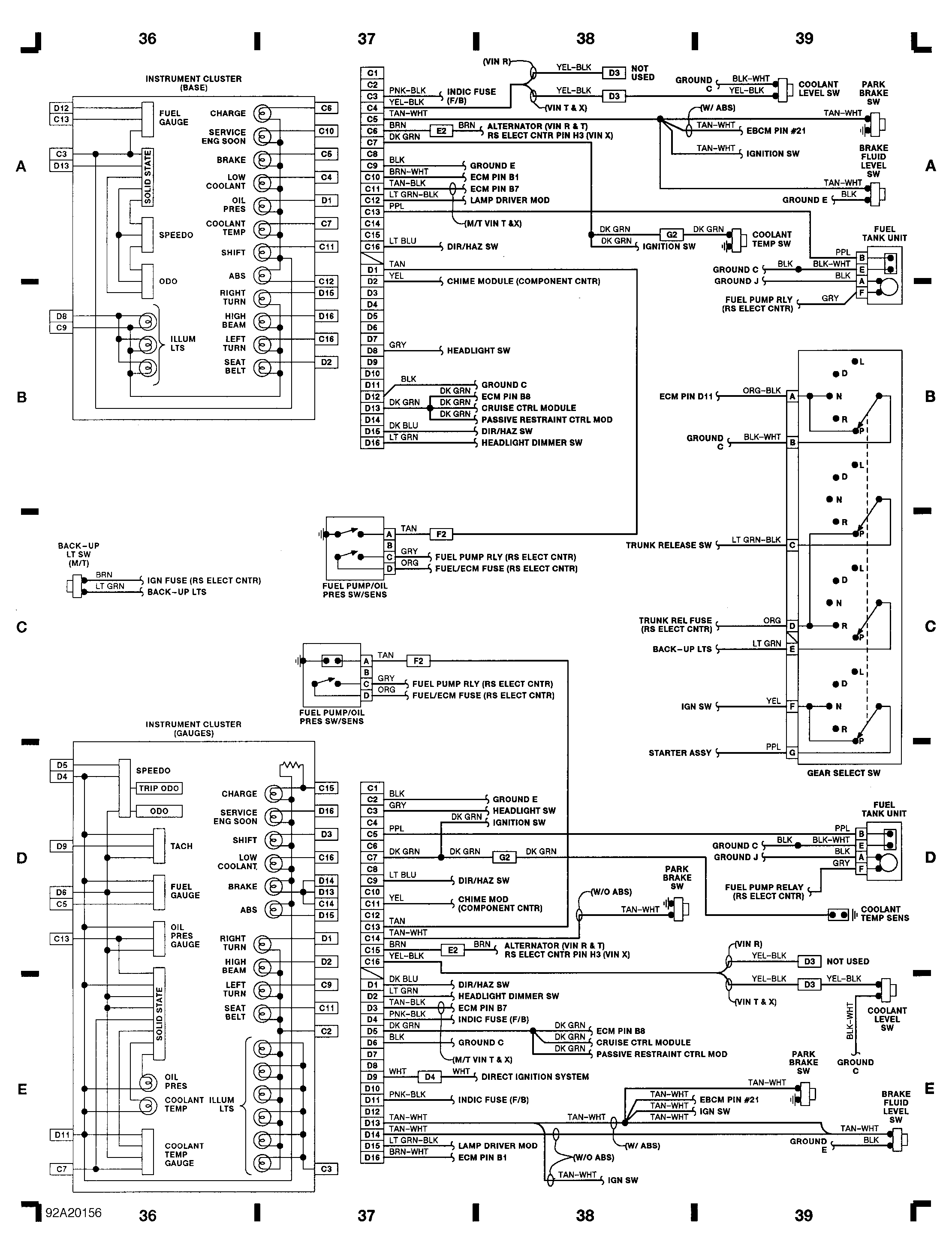
Got the car friend it did not start he said bad fuel pump replace the whole thing but gauge on dash does not work car starts up fine


