Monday, June 18th, 2018 AT 4:09 PM
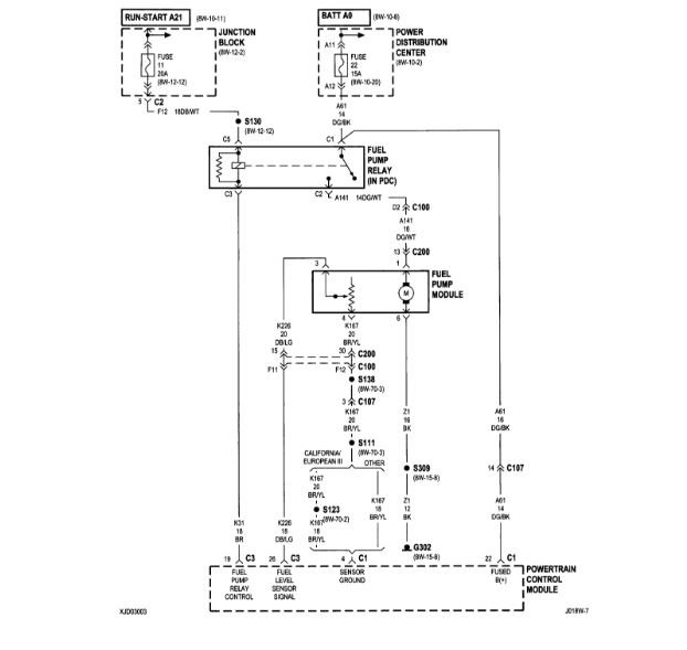
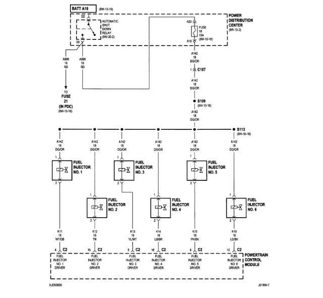
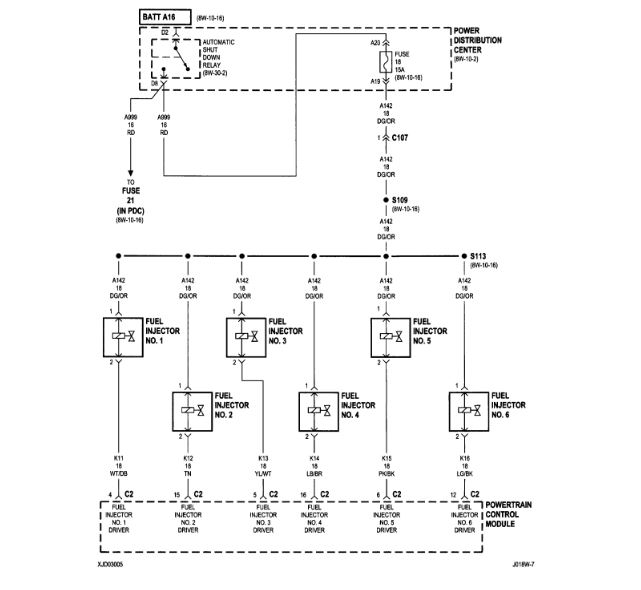
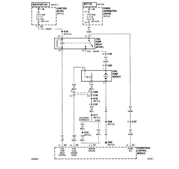
Vehicle left my son on side of road. Got it back to house and started troubleshooting. Sprayed ether in air cleaner box and fired up and then cut off. Thinking fuel pump, changed it, nothing! Changed fuel filter, nothing! Changed cam shaft position sensor, nothing! Checked all fuses, good! Swapped out relays, good! Stumped!



