Power windows not working?

Tiny
TINABANANA
  • MEMBER
  • 2015 HYUNDAI ELANTRA
  • 90,000 MILES
I can’t control the window either from main driver switch or the passenger side switch. Before I go and change the motor is there anything else I could test first?
Tuesday, June 2nd, 2020 AT 7:58 AM

17 Replies

Tiny
ASEMASTER6371
  • MECHANIC
  • 52,796 POSTS
Good morning,

I would like you to test for power going to the motor to be sure.

Do you have a test light or voltmeter to check and see f power is being sent?

https://www.2carpros.com/articles/how-to-use-a-test-light-circuit-tester

https://www.2carpros.com/articles/how-to-use-a-voltmeter

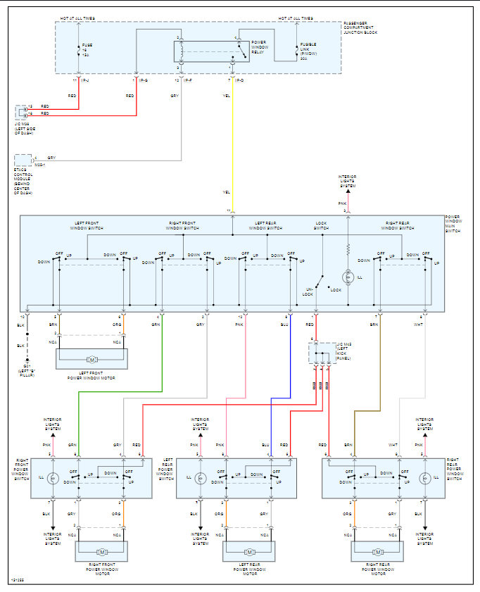
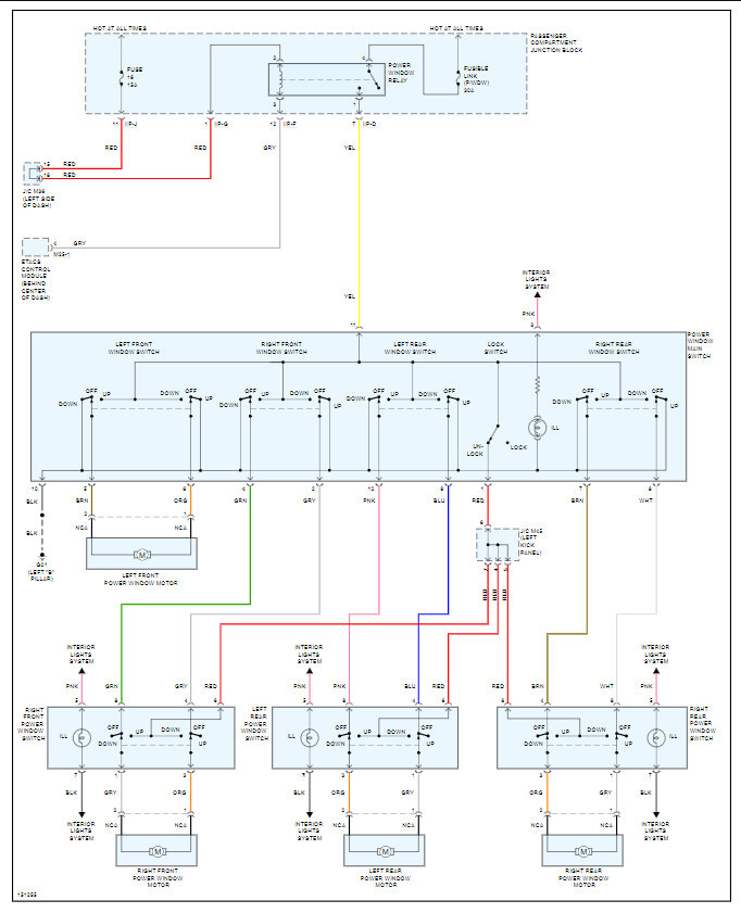
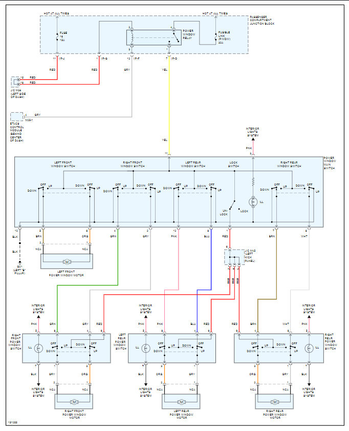
I attached a wiring diagram for you to view.

https://www.2carpros.com/articles/how-to-check-wiring

Let me know when you are ready to do the test.

Roy
Was this
answer
helpful?
Yes
No
Tuesday, June 2nd, 2020 AT 8:35 AM
Tiny
TINABANANA
  • MEMBER
  • 2 POSTS
Yes, I do have a multi-meter. Will I have to remove the door panel to test for voltage at the motor?
Was this
answer
helpful?
Yes
No
Tuesday, June 2nd, 2020 AT 8:56 AM
Tiny
ASEMASTER6371
  • MECHANIC
  • 52,796 POSTS
No, we will check right at the switch. Window switches require door panel removal to access

Remove the switch and turn it over and we will test there.

Check the red wire for power with the key on.

Roy
Was this
answer
helpful?
Yes
No
Tuesday, June 2nd, 2020 AT 9:07 AM
Tiny
CONNER BURT
  • MEMBER
  • 1 POST
  • 2010 HYUNDAI ELANTRA
  • 2.0L
  • 4 CYL
  • 2WD
  • AUTOMATIC
  • 100,000 MILES
My main driver-side window works going up and down.

Passenger and both rear windows go down, but not up, when controlled by the driver-side switch.

Passenger and both rear windows go down, when controlled by their respective switch.

The passenger side goes up when using its switch.

The rear right does not go up using its switch unless I take off the door panel and wiggle the wires that connect to the switch. Eventually I can make it "catch".

Lastly, the rear left will go up eventually if I wiggle the switch (do not have to take off the door panel.

What should I replace to start?
Was this
answer
helpful?
Yes
No
-1
Wednesday, December 9th, 2020 AT 3:12 PM (Merged)
Tiny
KEN L
  • MASTER CERTIFIED MECHANIC
  • 55,297 POSTS
Hello,

This sounds like the master window switch has gone bad (drivers side). Here is a guide to help you test and replace the switch and window wiring diagrams so you can see how the system works:

https://www.2carpros.com/articles/electric-window-repair

Check out the diagrams (below). Please let us know what happens.

Cheers, Ken
Was this
answer
helpful?
Yes
No
Wednesday, December 9th, 2020 AT 3:12 PM (Merged)
Tiny
ALICHEW
  • MEMBER
  • 1 POST
  • 2005 HYUNDAI ELANTRA
  • 2.0L
  • 4 CYL
  • FWD
  • AUTOMATIC
  • 120,000 MILES
The window stayed down after we lowered it on one day. I tried pulling the panel off and plugged and unplugged the connecting from the switch and the motor a couple times and got it to go up one time and left it for a while. I had never worked on windows before, so I assumed it was the motor. I bought a motor, but it did not fix the problem. I swapped the switch from the rear left passenger and it did not work on the rear right were the problem persists, but the rear right switch worked on the left rear.

I am left to think it is the wire connections or the regulator. When I press the switch to go up I do not hear anything. I now can still lower the window with the motor, but I manually raise it by hand.

Please advise.

Thanks,

Bryan
Was this
answer
helpful?
Yes
No
Wednesday, December 9th, 2020 AT 3:12 PM (Merged)
Tiny
CARADIODOC
  • MECHANIC
  • 34,464 POSTS
The first thing to look at is the wires between the door hinges, mainly the driver's door. If you find any that are frayed or broken, I'll describe the repair procedure I use.

The next thing that can be hard to understand is when a window goes one way okay but not the other, the cause can be in either the driver's switch or the passenger's switch. Where this is most confusing is when the window DOES work both ways from one switch and only one direction from the other switch. Either switch, the one that works both ways or the one that works one way can be the cause the problem. That's because both switches actually have four separate switches built in to each one. Two in each switch are involved with running the window each way. Voltage tests can determine which switch is at fault, but substituting one like you did is much faster. The only problem is to substitute the drivers switch you have to find one in a salvage yard, (or buy a new one).

The other thing to consider is there are only two wires running between the driver's switch and the passenger switch. Either switch will turn on the 12 volts to the window motor when it is pressed, and either switch will reverse the polarity to reverse the direction the motor runs. What that means is if the window goes in one direction, both wires have to be okay. The 12 volts and the ground circuits for the motor both go through the driver's switch, even when it's the passenger switch that is activated. Based on the fact the window works in one direction, the wiring has to be okay, and the motor is okay.

Since you already confirmed the right rear switch works on the left side, we know it's okay, and the main suspect is the one that gets used the most. That's the driver's switch.

Another less-common cause is a regulator that is coming apart. All manufacturers have gone to really chincy cables running over cheap plastic pulleys. Those pulleys often crack and the cables can fray and unravel. That can cause the the regulator to bind more in one direction, but it usually binds or makes noise in the other direction too.
Was this
answer
helpful?
Yes
No
+7
Wednesday, December 9th, 2020 AT 3:12 PM (Merged)
Tiny
COLINP71
  • MEMBER
  • 2 POSTS
  • 2005 HYUNDAI ELANTRA
  • 2WD
  • AUTOMATIC
  • 111,200 MILES
No voltage getting to door window switch, fuse is ok, is there a relay inline if so where is it located?
Was this
answer
helpful?
Yes
No
Wednesday, December 9th, 2020 AT 3:12 PM (Merged)
Tiny
RASMATAZ
  • MECHANIC
  • 75,992 POSTS
Check and test the power window relay at passenger compartment junction block under left side of dash near kick panel. Check out the diagrams (Below). Please let us know what you find.
Was this
answer
helpful?
Yes
No
+3
Wednesday, December 9th, 2020 AT 3:12 PM (Merged)
Tiny
COLINP71
  • MEMBER
  • 2 POSTS
Checked Relay, No voltage getting to Relay coil! If I link out the relay the windows work! Everything else on the car is working, I'm thinking broken wire but without electical drawing i'm not sure where the supply comes from?
Was this
answer
helpful?
Yes
No
+1
Wednesday, December 9th, 2020 AT 3:12 PM (Merged)
Tiny
RASMATAZ
  • MECHANIC
  • 75,992 POSTS
The yelow wire powers the main control switch -check fuse and link-see below
Was this
answer
helpful?
Yes
No
-1
Wednesday, December 9th, 2020 AT 3:12 PM (Merged)
Tiny
LAWHALLS
  • MEMBER
  • 4 POSTS
  • 2002 HYUNDAI ELANTRA
  • 2.0L
  • 4 CYL
  • 2WD
  • AUTOMATIC
  • 155,000 MILES
All 4 power windows stopped working at same time. Replaced 30A fuse, replaced master switch assembly on driver door. Still not working. Power mirrors were never affected. Please advise.
Was this
answer
helpful?
Yes
No
Friday, December 11th, 2020 AT 11:59 AM (Merged)
Tiny
JACOBANDNICKOLAS
  • MECHANIC
  • 110,192 POSTS
Are you getting power to the switch?
Was this
answer
helpful?
Yes
No
Friday, December 11th, 2020 AT 12:00 PM (Merged)
Tiny
LAWHALLS
  • MEMBER
  • 4 POSTS
Yes, the switch is getting power.
Was this
answer
helpful?
Yes
No
Friday, December 11th, 2020 AT 12:00 PM (Merged)
Tiny
JACOBANDNICKOLAS
  • MECHANIC
  • 110,192 POSTS
My next logical question has to be, is there power out of the switch when you actuate one of the buttons?
Was this
answer
helpful?
Yes
No
-2
Friday, December 11th, 2020 AT 12:00 PM (Merged)
Tiny
LAWHALLS
  • MEMBER
  • 4 POSTS
Yes, there is power outgoing when switch is actuated.
Was this
answer
helpful?
Yes
No
+1
Friday, December 11th, 2020 AT 12:00 PM (Merged)
Tiny
KASEKENNY
  • MECHANIC
  • 18,907 POSTS
Just to jump in. I suspect we need to circle back and make sure you are getting power on the window switch coming from the relay. You have other power wires coming into the switch so I suspect you have power on one of them and not the yellow wire that is the power wire for the window.

If we have no power then we need to test the relay.

https://www.2carpros.com/articles/how-to-check-an-electrical-relay-and-wiring-control-circuit

Then we need to jump power past the switch and just check the operation of the window. However, I suspect we have a relay issue.

Let us know what questions you have. Thanks
Was this
answer
helpful?
Yes
No
+2
Friday, December 11th, 2020 AT 12:00 PM (Merged)

Please login or register to post a reply.