Front blower not blowing

Tiny
MARLEY6927
  • MEMBER
  • 1998 FORD EXPEDITION
  • 4WD
  • AUTOMATIC
  • 192,000 MILES
Front blower doesn't blow at all, no A/C nor heat. The rear blows cold heat while sitting still.
Tuesday, February 19th, 2019 AT 9:55 AM

1 Reply

Tiny
KASEKENNY
  • MECHANIC
  • 18,907 POSTS
This could be a number of things. First we need to make sure the blower works so just jump 12 volts to it and make sure it works. If not then fan needs to be replaced.

If it does then we have a relay issue or fuse issue. Here is a guide that will help with this:

https://www.2carpros.com/articles/low-or-no-air-flow-from-vents

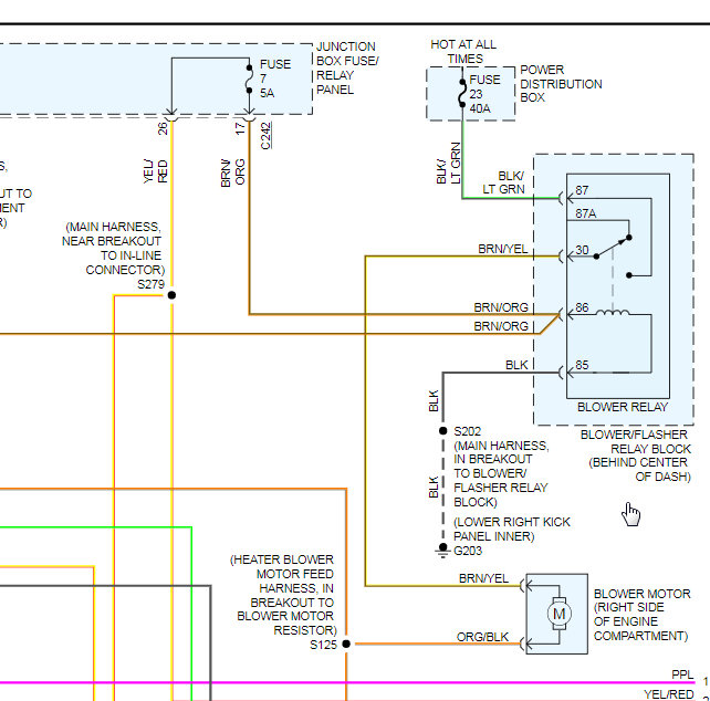
I am attaching the wiring diagrams below for testing to see what the issue is.

Also, here is a guide that will help with testing a relay if you have to do that:

https://www.2carpros.com/articles/how-to-check-an-electrical-relay-and-wiring-control-circuit

Lastly here is a guide if the blower motor needs to be replaced:

https://www.2carpros.com/articles/blower-fan-motor-works-on-high-speed-only

Let us know if you need other info. Thanks
Was this
answer
helpful?
Yes
No
Thursday, December 24th, 2020 AT 6:28 PM

Please login or register to post a reply.