HOME
ASK A QUESTION
REPAIR GUIDES
BECOME A MEMBER
LOG IN
Login with Facebook
OR
Remember me
NOT A MEMBER?
FORGOT PASSWORD?
CONTACT US
PRIVACY POLICY
TERMS AND CONDITIONS
☰
Home
Chrysler
Town and Country
Climate Control
Blower Fan
Speed
A/C blower motor only works at higher speeds?
MATTIIE_B
MEMBER
2007 CHRYSLER TOWN AND COUNTRY
3.8L
6 CYL
2WD
AUTOMATIC
239,778 MILES
Front A/C blower motor only works at higher speeds
Wednesday, June 10th, 2020 AT 8:03 PM
1 Reply
ASEMASTER6371
MECHANIC
52,796 POSTS
Good morning,
Do you have a voltmeter or test light to do some checks for the blower motor system?
https://www.2carpros.com/articles/blower-fan-motor-works-on-high-speed-only
https://www.2carpros.com/articles/replace-heater-core
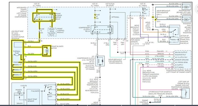
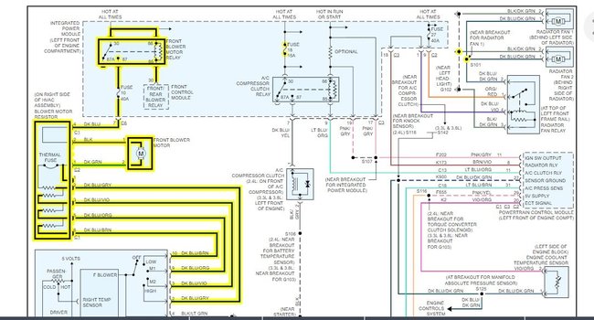
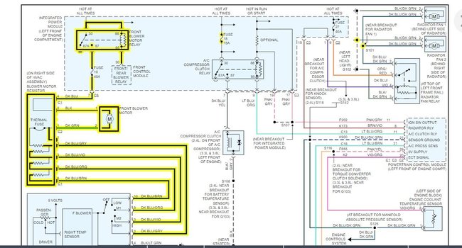
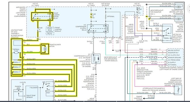
I attached a wire diagram and need to see if the correct voltages are present for proper operation.
https://www.2carpros.com/articles/how-to-check-a-car-fuse
Roy
Images (Click to make bigger)
Was this
answer
helpful?
Yes
No
Thursday, June 11th, 2020 AT 2:17 AM
Please
login
or
register
to post a reply.
Related Blower Fan Speed Content
Blower Runs All The Time, At High Speed.
Whether Set On Low Or High. It Just Happened I Changed The Blower Relay And No Help. If I Pull The Relay It Quits Blowing. 2003 T&c 74k...
Asked by
pmiller
·
2 ANSWERS
CHRYSLER TOWN AND COUNTRY
2002 Chrysler Town And Country Heat And A/c Fan Motor...
I Found A Similar Post For A 2003 But No Resolution. The Fan Motor Operates On High, Cannot Adjust Speed But Can Change Temp And Air Flow...
Asked by
carrpb
·
3 ANSWERS
2002
CHRYSLER TOWN AND COUNTRY
2003 Chrysler Town And Country Heater Fan Won't Shut...
I Have An Automatic Climate Control Heater/air That I Can Shut Off The Automatic Part And Control Myself. I'm Having Issues With My Heater...
Asked by
Shirley I.
·
2 ANSWERS
2003
CHRYSLER TOWN AND COUNTRY
Blower Fan Only When On High It Works?
I Have A Heater Control With Rear Air, The Front Air Control Works Only When On High. I Have A New Resistor For The Fan Which I Bought...
Asked by
hansen403
·
2 ANSWERS
1998
CHRYSLER TOWN AND COUNTRY
1996 Chrysler Town And Country Blower
My Blower Switch Only Works On The High Setting. How Do I Fix This And Can I Do It Myself? Thanks, Theresa
Asked by
tarfl
·
1 ANSWER
1996
CHRYSLER TOWN AND COUNTRY
VIEW MORE
Ask a Car Question. It's Free!
How to Use a Test Light
How to Replace the A/C Blower Motor
Air Conditioner Recharge - Simple