Saturday, May 6th, 2023 AT 6:50 AM
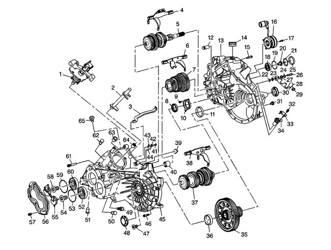
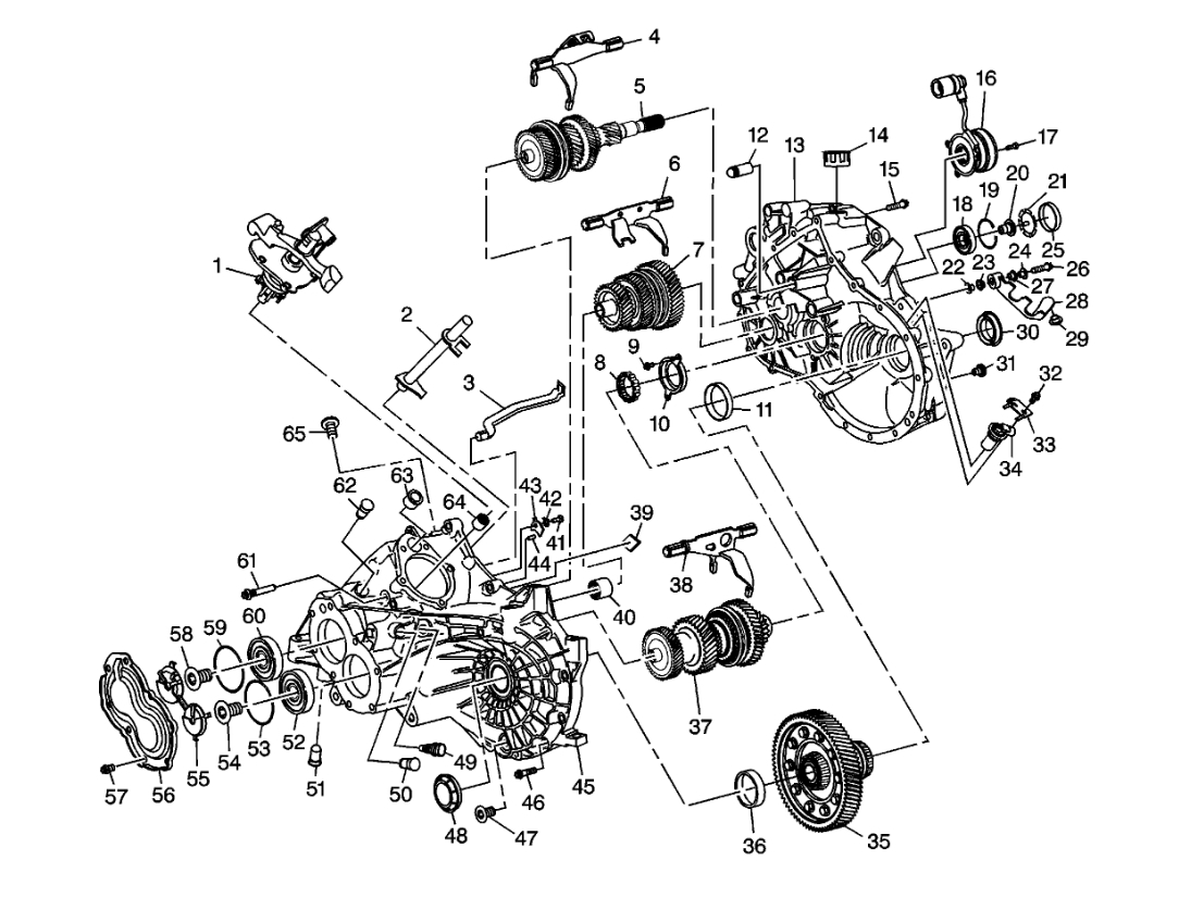
I am replacing my slave cylinder and figured I check to see if I needed to replace the fourth gear since I haven’t been to get into fourth gear. It just keeps grinding but after three or four times if I get it a certain angle it will catch, but I know one night I was trying to get it in fourth gear when I heard a loud noise and it felt like I may have chipped a tooth or more on that gear. If you can help me how to get to the fourth gear if that's what I need to replace or I was told the synchro something?












