Dash lights inop

Tiny
KAHTLI
  • MEMBER
  • 2002 FORD TAURUS
When I turn the headlights on the dash light does not come on, but the hazard (signal arrow) lights do - (but don't blink). It has happened several times but when I took it to a mechanic, they of course worked perfectly. Please help - it's "driving" me crazy!
Thursday, July 5th, 2007 AT 7:52 PM

1 Reply

Tiny
KASEKENNY
  • MECHANIC
  • 18,907 POSTS
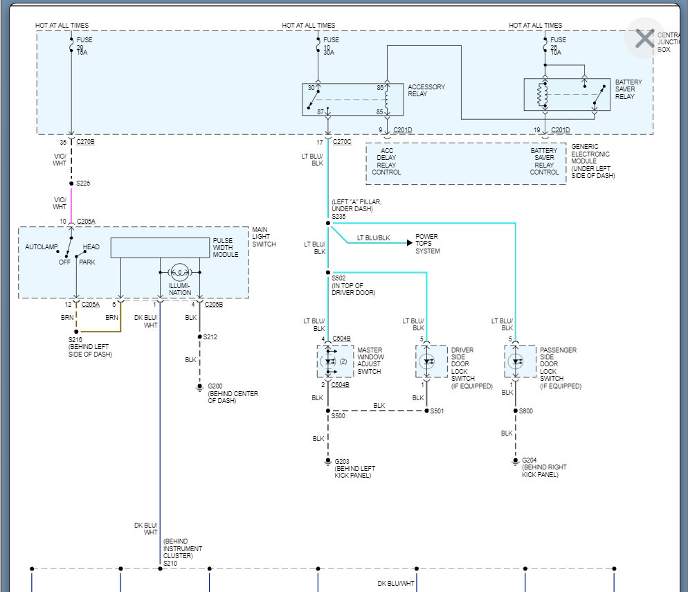
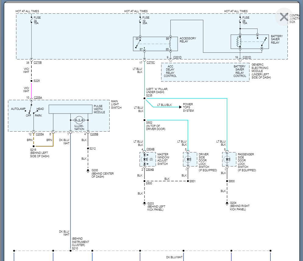
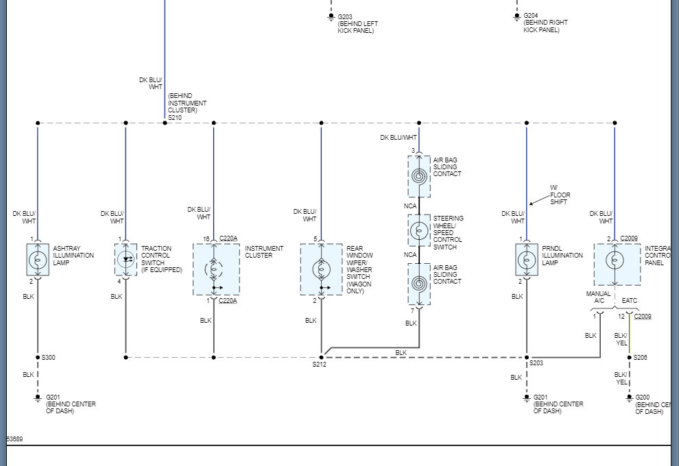
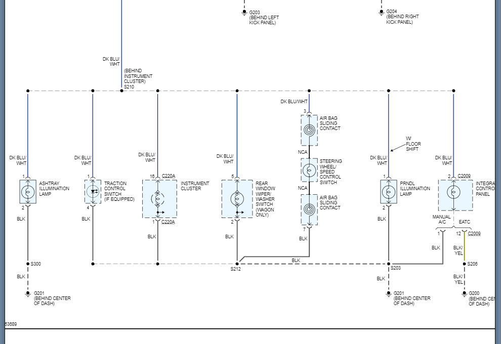
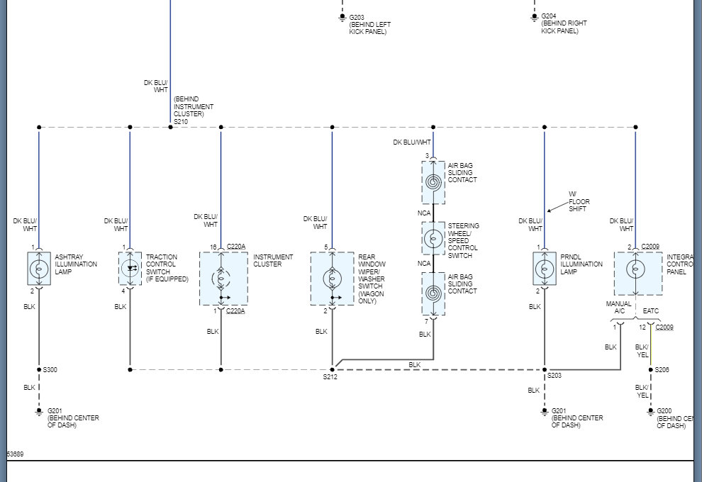
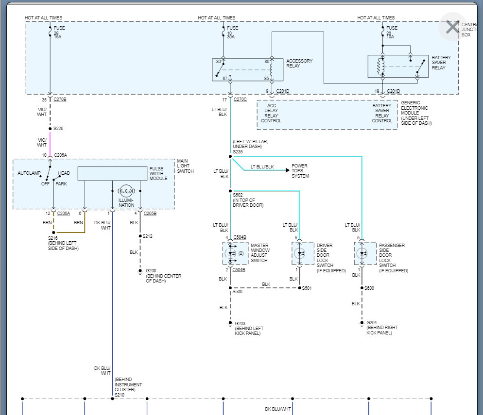
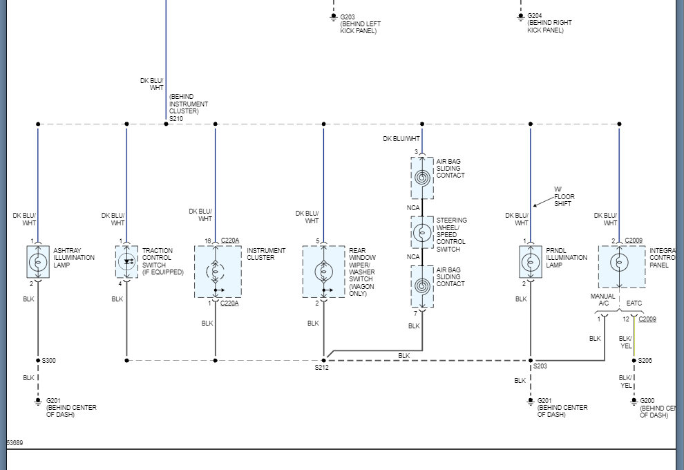
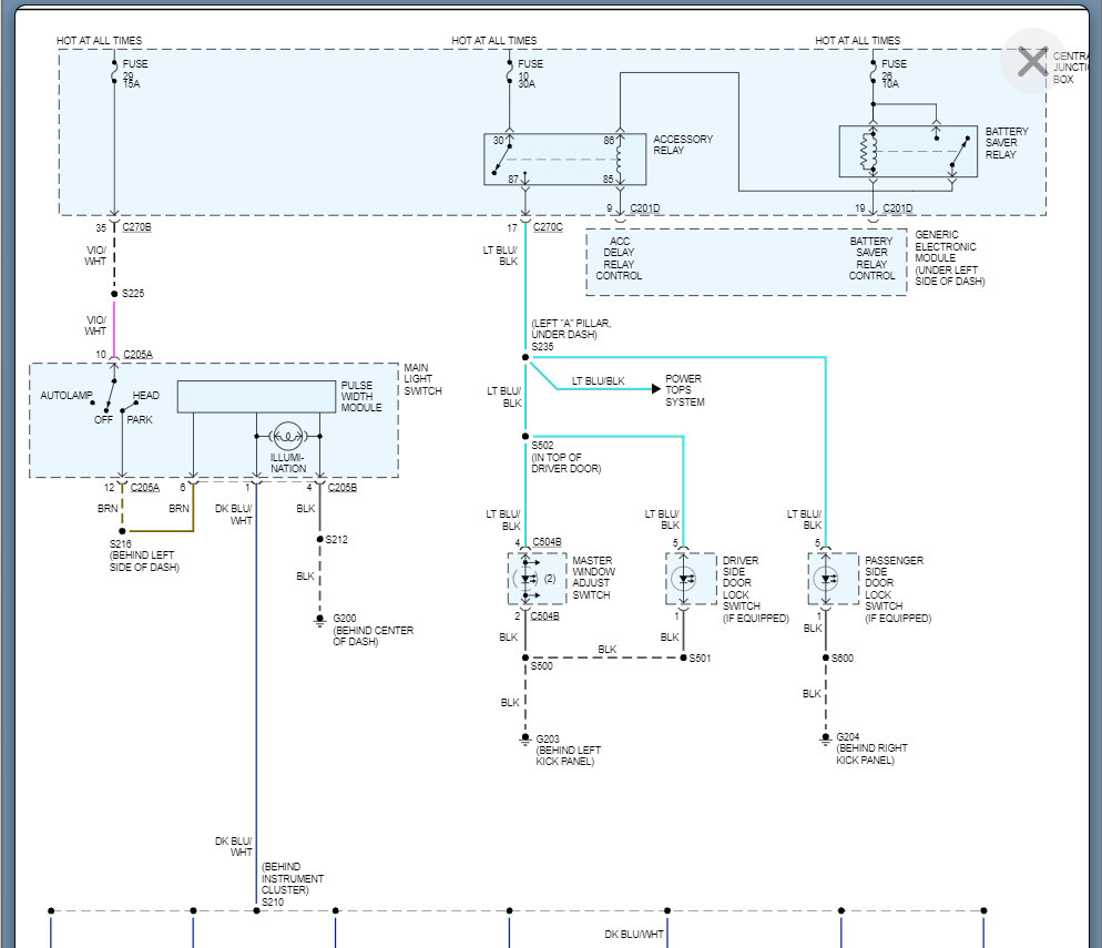
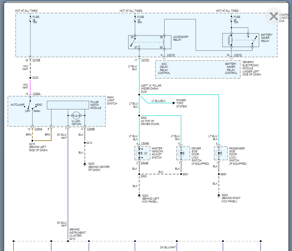
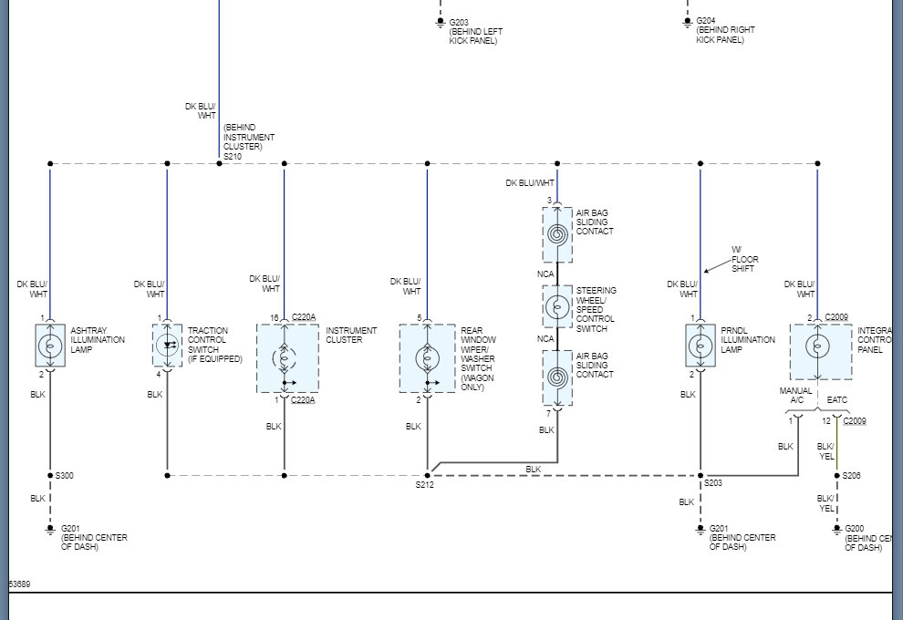
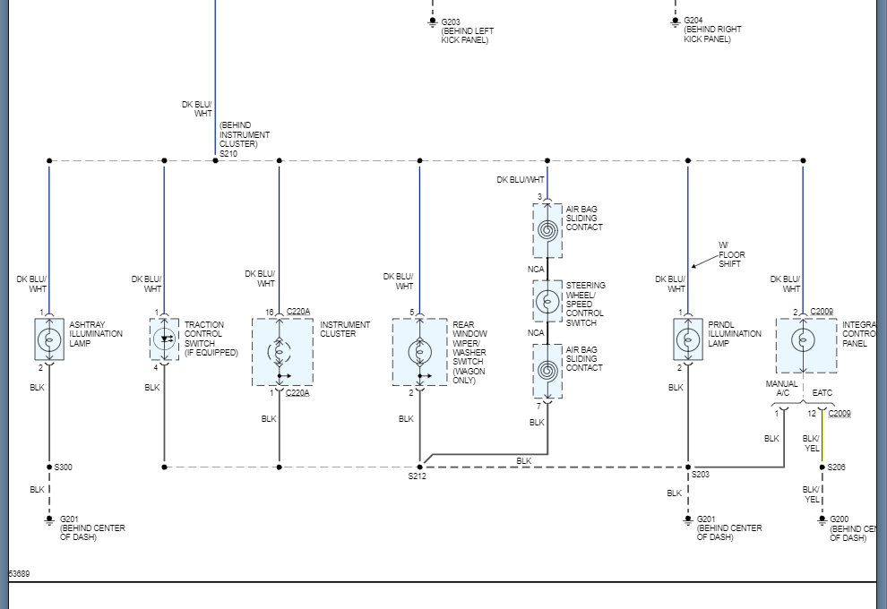
The likely cause of this is a wiring issue, light switch, or cluster.

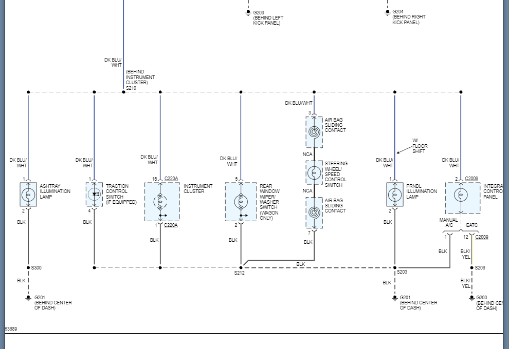
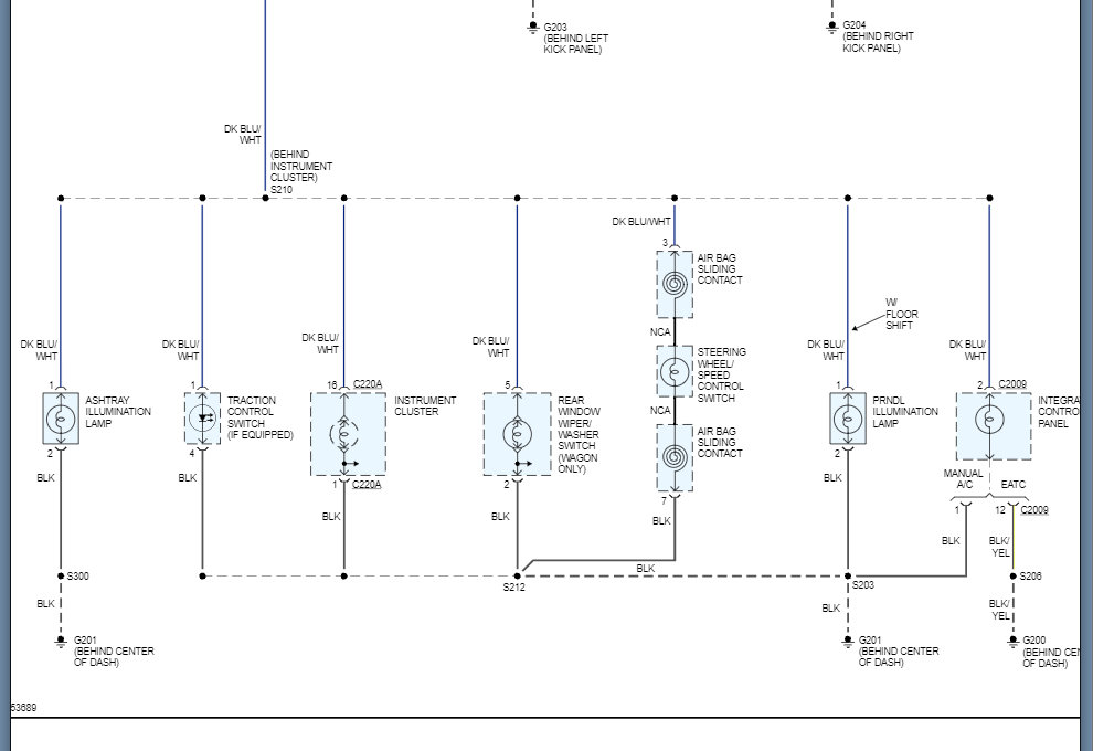
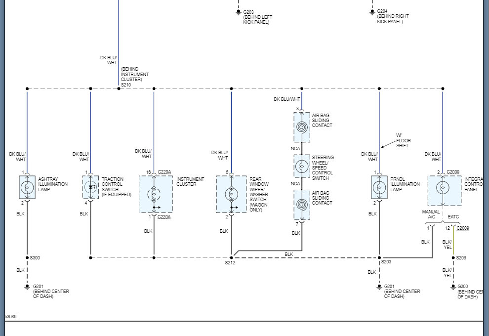
However, if the cluster lights are the only ones that do not work then the switch is fine. As you will see from the wiring diagram that is not the only light that is run off this switch/splice.

What we need to do is turn the lights on and check for voltage on the circuit shown going to the cluster lamp and if you have no voltage, I would run a new wire from the splice.

https://www.2carpros.com/articles/how-to-check-wiring

https://www.2carpros.com/articles/how-to-use-a-test-light-circuit-tester

Please see the wiring below for more detail on this. If you have voltage, then the lamp is burned out and needs to be changed.

The fact that this is so intermittent, it could be a bulb but more than likely a connection issue.

Please run through this and let us know what questions you have. Thanks
Was this
answer
helpful?
Yes
No
Tuesday, October 19th, 2021 AT 4:46 PM

Please login or register to post a reply.