My dashboard lights dont work none of them

Tiny
TROUSE1364
  • MEMBER
  • 2002 FORD TAURUS
  • 150,000 MILES
Turn signals work all other lights wrk but now guage lights
Sunday, May 27th, 2012 AT 10:32 PM

1 Reply

Tiny
KASEKENNY
  • MECHANIC
  • 18,907 POSTS
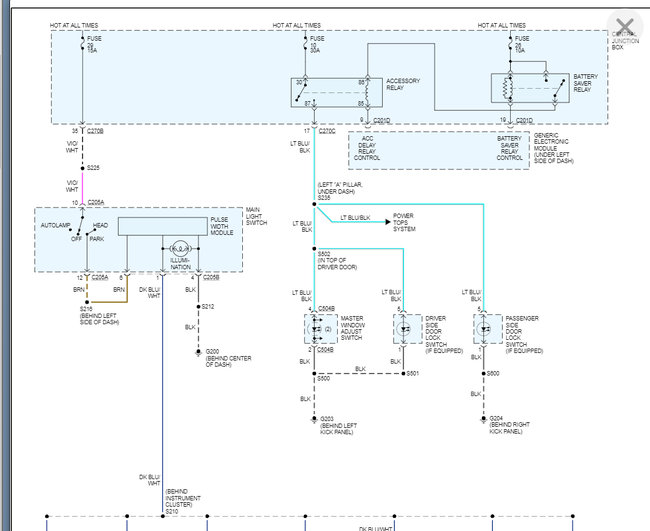
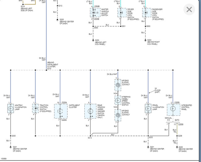
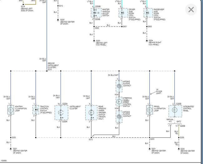
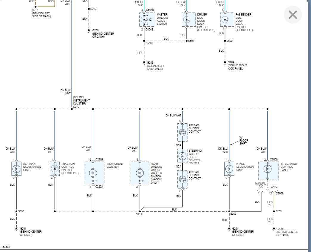
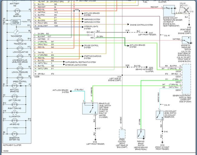
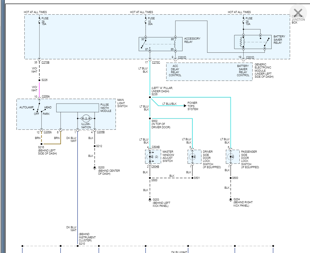
We need to start with finding out if we have power going into the cluster on pin A16. If you do, then the cluster is the issue as the illumination circuit is getting power, but the bulb is not illuminating.

https://www.2carpros.com/articles/how-to-check-wiring

If you have an issue with the cluster then we need to remove and inspect the bulb as it may be just as simple as this.

Please see the info below and that will help with replacing this if needed.

If you have no voltage, then we need to go to the last wiring diagram attached below and trace the circuit to find out why we have no voltage.

Please run through this and let us know what questions you have. Thanks
Was this
answer
helpful?
Yes
No
Monday, October 18th, 2021 AT 5:46 PM

Please login or register to post a reply.