1999 Ford Taurus lighting

Tiny
RAINWATER2008
  • MEMBER
  • 1999 FORD TAURUS
  • 6 CYL
  • FWD
  • AUTOMATIC
  • 13,000 MILES
I've been having trouble with my car the last couple weeks. Every now and again 1 of the fuses under the hood would blow and take out dash lights and tail lights and when shutting the car off headlights stay on. Not it is every time you try and turn headlight on it blows a fuse. We replaced the headlight switch and its made no difference, I also removed the fuse the went to the daytime driving lights because they would only flicker like a strobe light until you turn regular headlights on. But now everytime we do it takes out dash and tail lights but nothing else. Do you have any suggestions for me? I was told it may be a relay and auto parts store wants 75 dollars for it. I dont want to spend that kind of money unless I know thats what the problem is. Thank you for your help.
rainwaters
Monday, December 1st, 2008 AT 2:39 PM

2 Replies

Tiny
BMRFIXIT
  • MECHANIC
  • 19,053 POSTS
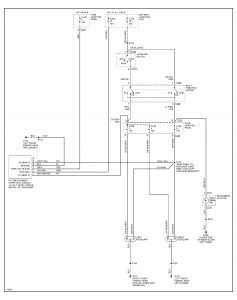
Fuse design to burn when circuit over loaded and or short to ground
have to check wiring and light bulbs as a 1st step


https://www.2carpros.com/forum/automotive_pictures/99387_Graphic1_99.jpg

Was this
answer
helpful?
Yes
No
Tuesday, December 2nd, 2008 AT 6:18 PM
Tiny
RAINWATER2008
  • MEMBER
  • 2 POSTS
Thank you for your help on where to start looking for wiring problem. I've checked all the bulbs and there doesn't seem to be any problems with those. And have checked wiring as well and didn't find any loose or broken connections. Anymore info would be greatly appreciated! Thank you!
Was this
answer
helpful?
Yes
No
Wednesday, December 10th, 2008 AT 11:02 AM

Please login or register to post a reply.