Sunday, January 31st, 2010 AT 11:51 AM
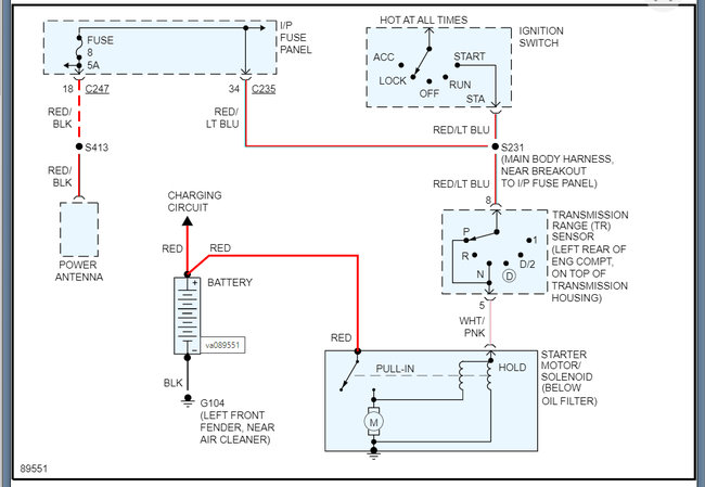
I have lights and such but turning the key will not turn over the engine. Do not hear any noises, like starting or clicking or anything. Battery is new and fully charged. It has been intermittent problem, occurring about once every three weeks. Current status is it will not start. This seems like a very similar problem to the prior person asking this same question today.



