My dash lights, AC control lights and tail lights are not working

Tiny
ALLENMA
  • MEMBER
  • FORD RANGER
1997 Ford Ranger 2.5L with 130,000 miles. I installed a new stereo and now my dash lights, ac control lights, and tail lights are not working. I checked the fuses and they are fine. Any help would be appreciated.
Tuesday, November 13th, 2007 AT 2:44 AM

1 Reply

Tiny
KASEKENNY
  • MECHANIC
  • 18,907 POSTS
It is unlikely that these are related however, depending on the radio it is possible. So, I would suggest unplugging the radio and see if the lights return to normal.

If they are still not working with the radio unplugged, then we need to start checking for voltage coming out of the switch and see if we have a multifunction switch issue.

Here are a couple guides that will help with this:

https://www.2carpros.com/articles/how-to-check-wiring

https://www.2carpros.com/articles/how-to-use-a-voltmeter

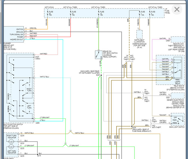
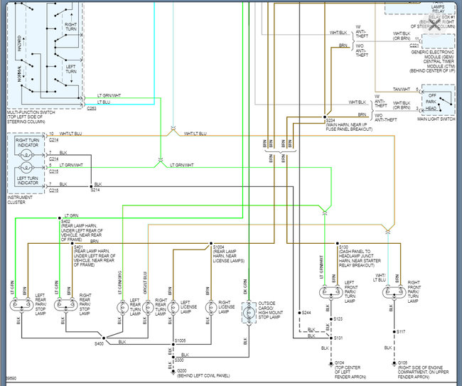
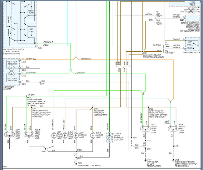
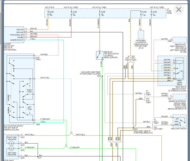
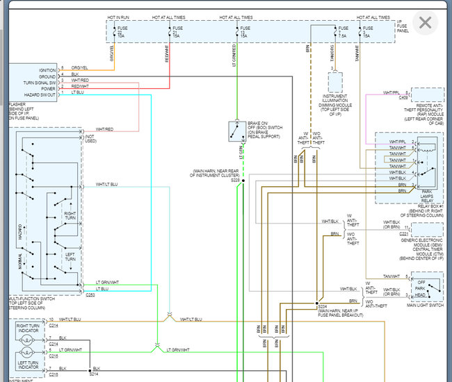
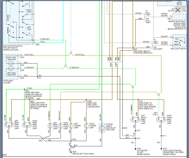
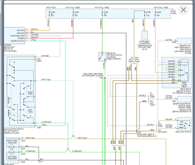
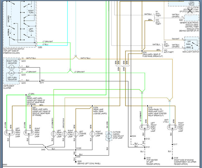
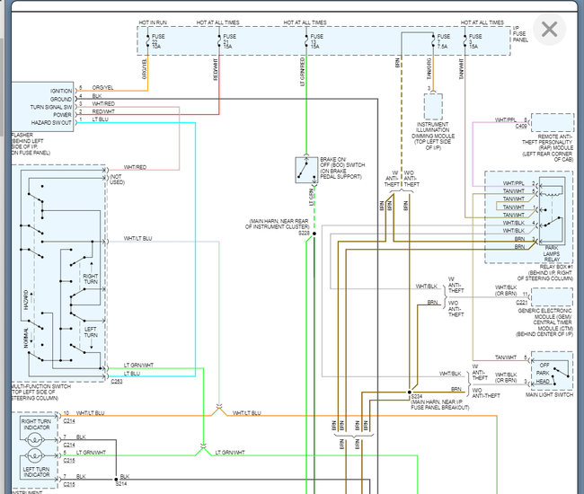
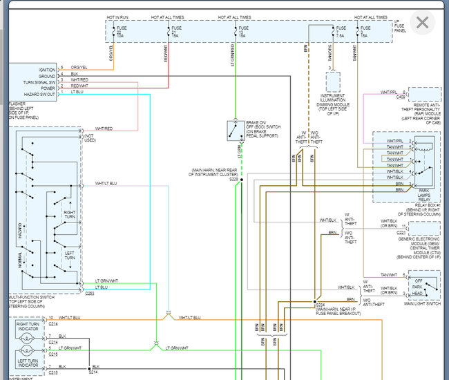
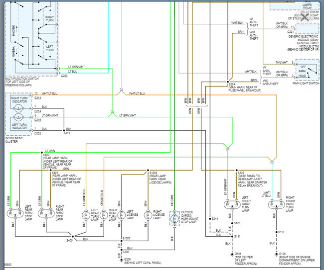
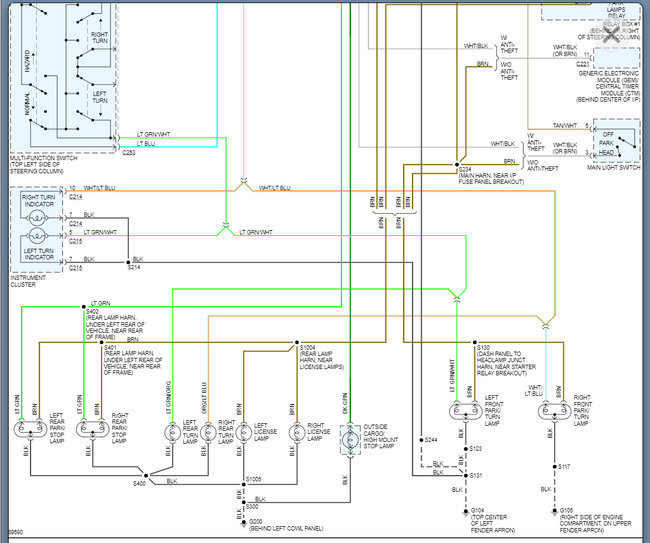
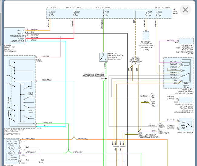
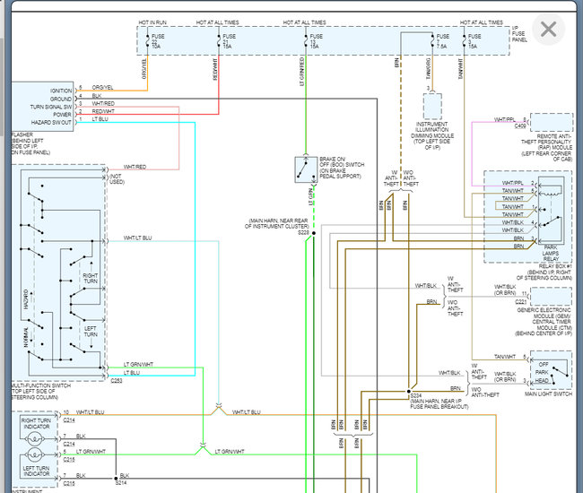
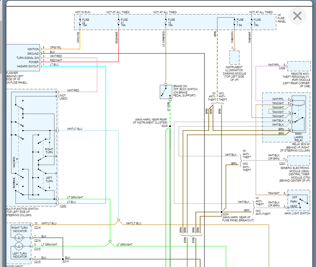
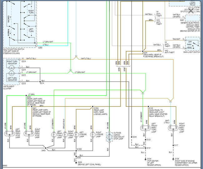
I attached the wiring diagram below that will help with this.

Please run through this and let us know what you find. Thanks
Was this
answer
helpful?
Yes
No
Tuesday, October 26th, 2021 AT 8:24 AM

Please login or register to post a reply.