Wednesday, January 7th, 2009 AT 1:05 PM
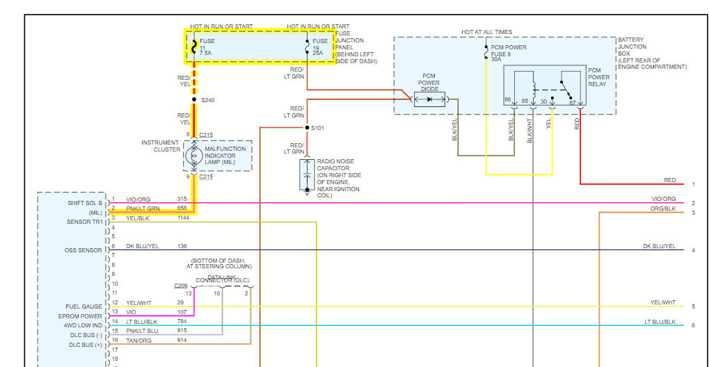
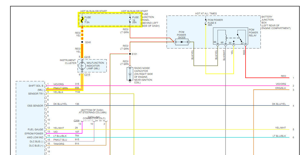
I have a 2000 4WD with about 126,000 miles. Recently, my check engine light came on. This is the first time ever and after making sure the gas cap was on tight and a couple other "by the manual" checks the light has not gone off. It has been over a week now, but there does not seem to be any difference in driveability and no noticed problems. The only possible clue comes recently when I stop at a light or something and the RPMs take an unusually long time (over 30 seconds) to fall from about 2,000 down to normal idle speeds of around 700. A repair shop ran tests and initially didn't find anything besides a couple "system lean" errors on their computer. They suggested cleaning the Mass Air Flow (MAF) sensor or a vacuum leak somewhere. Are they guessing or is there a more plausible explanation?






