4 Wheel drive wont engage

Tiny
SMITHWJ
  • MEMBER
  • 1 POST
I have a 97 ford ranger xlt 4x4. I once pulled the fuse out for My dome light and it made the 4 hi and 4 low lights flash on every few minutes and would not engage when I turned switch. So I put the fuse back in. Then it stopped flashing and 4 wheel would engage. The same fuse for dome light operates something with 4 x4. So I would check fuse on drivers side dash.
Was this
answer
helpful?
Yes
No
Wednesday, December 21st, 2022 AT 2:29 PM
Tiny
KEN L
  • MASTER CERTIFIED MECHANIC
  • 55,094 POSTS
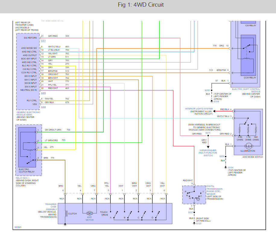
There are four fuses that run the 4wd system we should check (8 and 4 in the under-hood fuse panel and 27 and 13 in the interior fuse panel. here is a guide to help run the test with the key on engine off, I have also included the 4WD wiring diagrams so you can see how the system works.

https://www.2carpros.com/articles/how-to-check-a-car-fuse

Check out the images (below). Let us know what happens and please upload pictures or videos of the problem.
Was this
answer
helpful?
Yes
No
Thursday, December 22nd, 2022 AT 2:39 PM

Please login or register to post a reply.