Saturday, February 28th, 2009 AT 6:45 PM
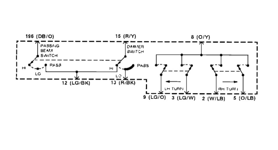
Turn signals won't work. But if you turn on the flashers & the right turn signal they will both work but if you turn on the flashers alone they will not work either I have replaced fuse and both flasher fuse's and all the bulbs I am lost need help please.







