Friday, December 11th, 2009 AT 10:33 PM
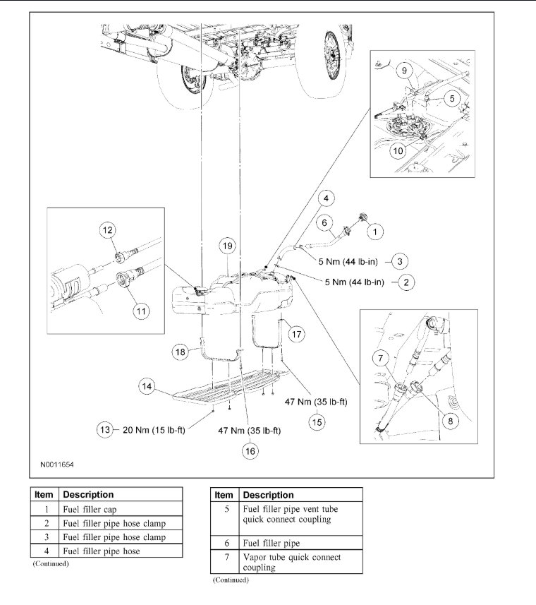
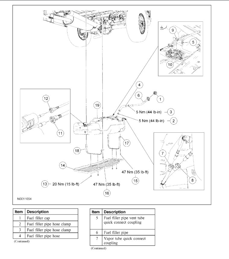
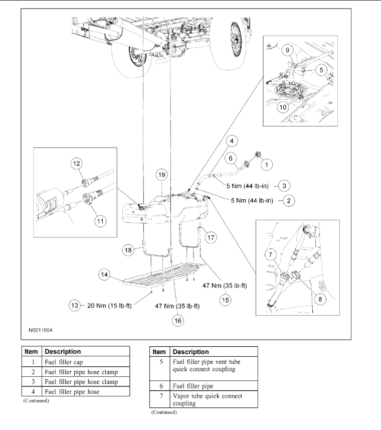
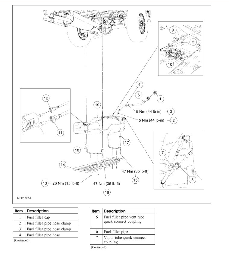
I have a gas leak. Do I have to remove gas tank to replace the main gas line leaving the fuel pump. It is spewing gas from the top of the coupling when truck electric fuel pump is turned on. Hose has a quick release coupling attaching it to the fuel pump. I was told that I just needed to loosen the tank enough to reach in to the fuel pump and remove the fuel line and replace it? What will I have to do to replace this fuel line?




