Alternator not charging

Tiny
RASMATAZ
  • MECHANIC
  • 75,992 POSTS
Check all the fuses below if okay start testing the wires/connectors for looseness, open and short circuit


https://www.2carpros.com/forum/automotive_pictures/12900_fuses_13.jpg

Was this
answer
helpful?
Yes
No
Friday, January 22nd, 2021 AT 11:36 AM (Merged)
Tiny
JAMESBURROW
  • MEMBER
  • 46 POSTS
The first pic was with everything off only the key was turned on not started. The second picture was with the truck running and the head lights on.
Was this
answer
helpful?
Yes
No
Friday, January 22nd, 2021 AT 11:36 AM (Merged)
Tiny
JAMESBURROW
  • MEMBER
  • 46 POSTS
Did you get my messages?
Was this
answer
helpful?
Yes
No
Friday, January 22nd, 2021 AT 11:36 AM (Merged)
Tiny
JACOBANDNICKOLAS
  • MECHANIC
  • 110,192 POSTS
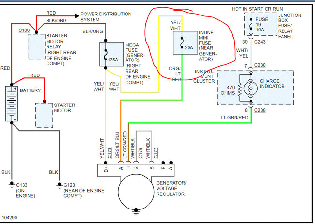
The alternator doesn't appear to be charging. With the engine running and only the headlights on, it should be over 13V.

On the alternator, you will see an orange wire with a light blue tracer. Follow it. It should lead to an inline fuse. Check that fuse.

See the attached pic.

Let me know what you find.

Joe
Was this
answer
helpful?
Yes
No
+1
Friday, January 22nd, 2021 AT 11:36 AM (Merged)
Tiny
JAMESBURROW
  • MEMBER
  • 46 POSTS
Yes, it was blown. Thank you so much for your help on walking me through it.
Was this
answer
helpful?
Yes
No
Friday, January 22nd, 2021 AT 11:36 AM (Merged)
Tiny
JACOBANDNICKOLAS
  • MECHANIC
  • 110,192 POSTS
Hi,

You are very welcome. I'm glad you found it and got it taken care of. Please feel free to come back anytime in the future if you have questions or need help.

Take care of yourself,
Joe
Was this
answer
helpful?
Yes
No
+1
Friday, January 22nd, 2021 AT 11:36 AM (Merged)
Tiny
JAMESBURROW
  • MEMBER
  • 46 POSTS
Yes sir, will do.
Was this
answer
helpful?
Yes
No
Friday, January 22nd, 2021 AT 11:36 AM (Merged)

Please login or register to post a reply.