Tuesday, December 11th, 2007 AT 2:28 AM
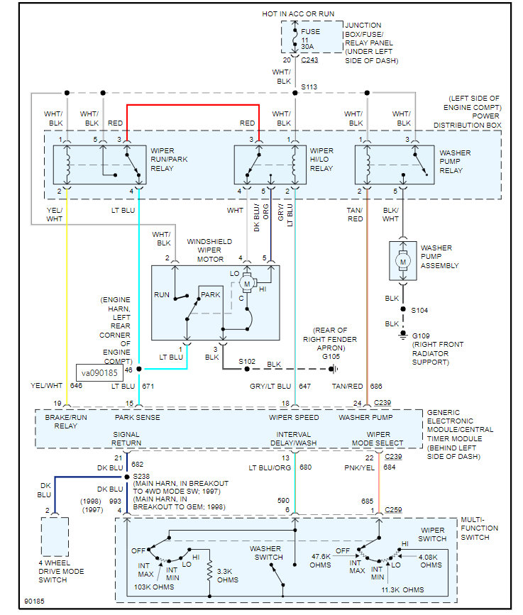
I wanted to know where to find a diagram showing what fuse goes to what on my truck. I need to find the fuse that controls the motor that pumps the windshield wiper fluid through. I press in on the button on the steering column and nothing comes out. Is there a diagram somewhere on line of my fuse box that's underneath my dash? Any help would be appreciated. Thanks much

