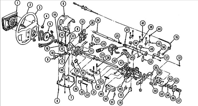
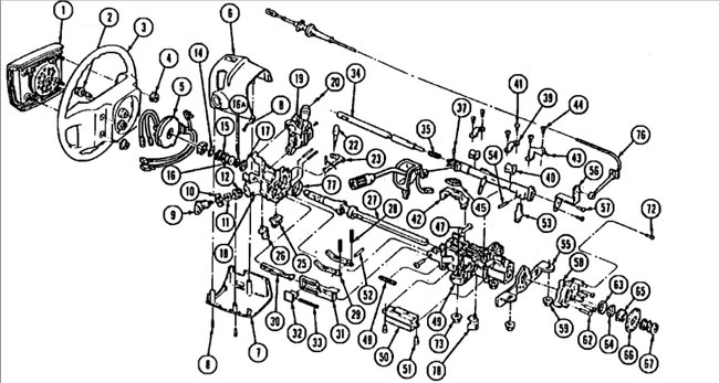
STEERING COLUMN
Removal (Aerostar, Bronco, Pickup, Van & Villager)
Set front wheels in straight-ahead position. Disable air bag (if equipped). See DISABLING AIR BAG SYSTEM . Remove steering wheel. See STEERING WHEEL & AIR BAG or STEERING WHEEL & HORN PAD under REMOVAL & INSTALLATION. Remove right and left instrument panel lower moldings. Remove instrument panel lower trim cover.
Remove screws from lower steering column shroud. Remove lower steering column shroud by pulling shroud down and toward rear of vehicle. Disconnect air bag clockspring contact assembly electrical connectors (if equipped). Place tape across contact assembly stator and rotor to prevent accidental rotation (if equipped). Remove upper steering column shroud from column. Remove clockspring contact assembly retaining screws, and remove contact assembly from steering column (if equipped).
Unscrew and remove tilt lever from column. Using key, turn lock cylinder to RUN position. Place a 1/8" (3.17 mm) diameter pin in hole located in outer edge of lock cylinder housing. Depress retaining pin, and pull out lock cylinder. Remove 6 instrument panel lower reinforcement brace bolts, and remove reinforcement brace.
Remove PRND21 cable retaining screw, and disconnect cable from actuator housing. Disconnect PRND21 cable loop from shift tube hook. Remove 2 screws attaching multifunction switch to steering column. Disconnect multifunction switch electrical connector, and remove switch.
Remove pinch bolt from intermediate shaft "U" joint. Disconnect shift cable from selector lever pivot. Push in tab on shift cable, and slide cable off shaft cable bracket. Disconnect ignition switch electrical connector. Support steering column assembly, and remove 4 steering column-to-support bracket retaining nuts. Carefully remove column from vehicle.
Installation (Aerostar, Bronco, Pickup, Van & Villager)
To install, reverse removal procedure. Tighten all nuts and bolts to specifications.

LARGER IMAGE BELOW
Images (Click to make bigger)
Tuesday, June 4th, 2019 AT 1:34 PM