Radio wiring please

Tiny
LWALKER_22
  • MEMBER
  • 1999 FORD EXPLORER
When I purchase my vehicle someone had cut the stereo wires and took the factory plug off. Where can I find another one without buying the whole harness and which vehicles are compatible?
Tuesday, February 2nd, 2010 AT 2:50 PM

17 Replies

Tiny
JACOBANDNICKOLAS
  • MECHANIC
  • 110,194 POSTS
I would recommend going to a salvage yard to get one. Also, stay with the same year make and model.
Was this
answer
helpful?
Yes
No
+1
Thursday, November 30th, 2017 AT 5:42 PM
Tiny
CALLMECLAYDAD2
  • MEMBER
  • 1 POST
  • 1995 FORD EXPLORER
  • 6 CYL
  • 4WD
  • AUTOMATIC
I am trying to find the wiring diagram for the 1995 explorer eddie bauer edition sound system, I wamt to install a kenwood stereo
Was this
answer
helpful?
Yes
No
Monday, January 6th, 2020 AT 6:20 PM (Merged)
Tiny
KEN L
  • MASTER CERTIFIED MECHANIC
  • 55,538 POSTS
Hello,

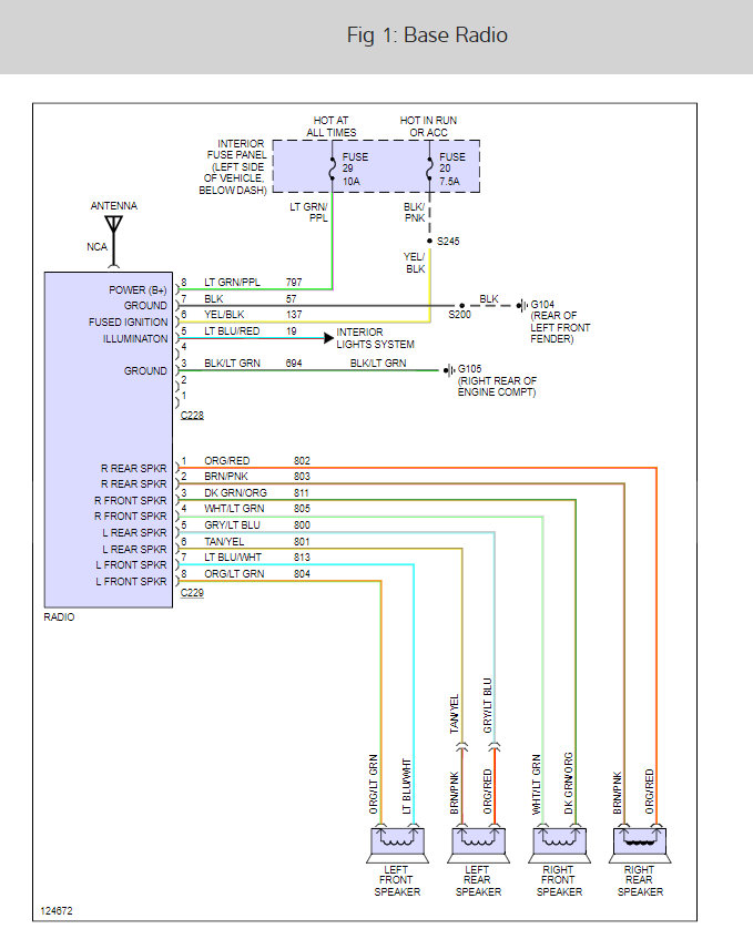
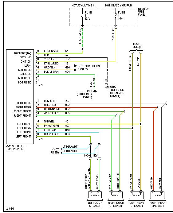
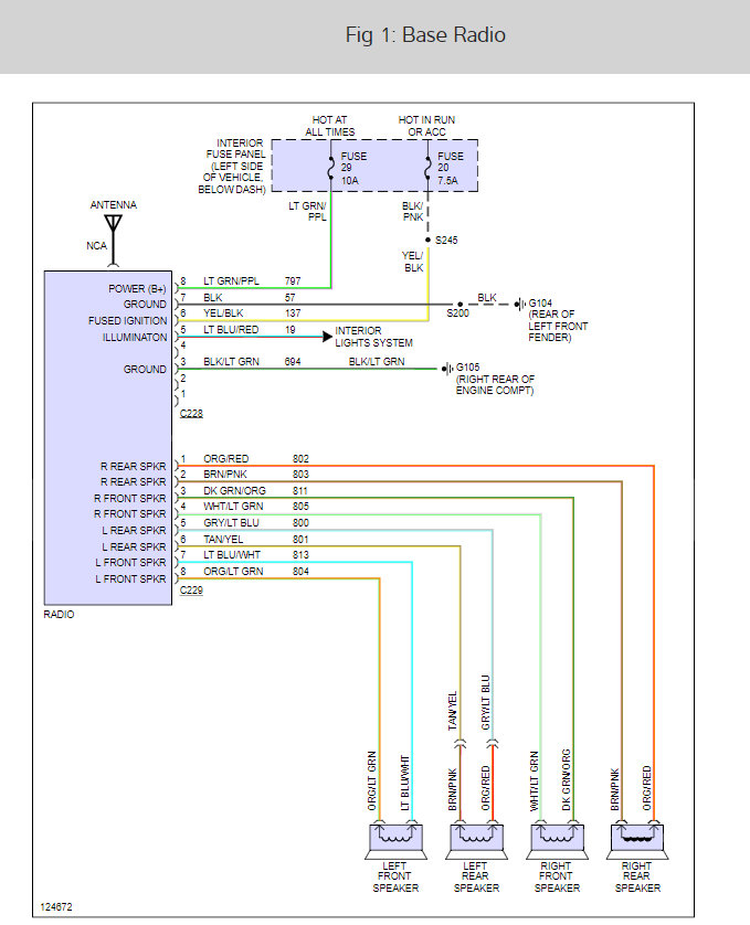
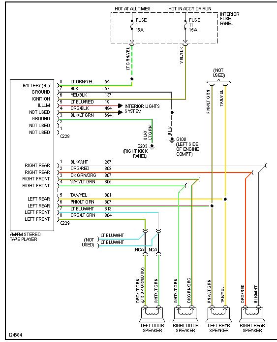
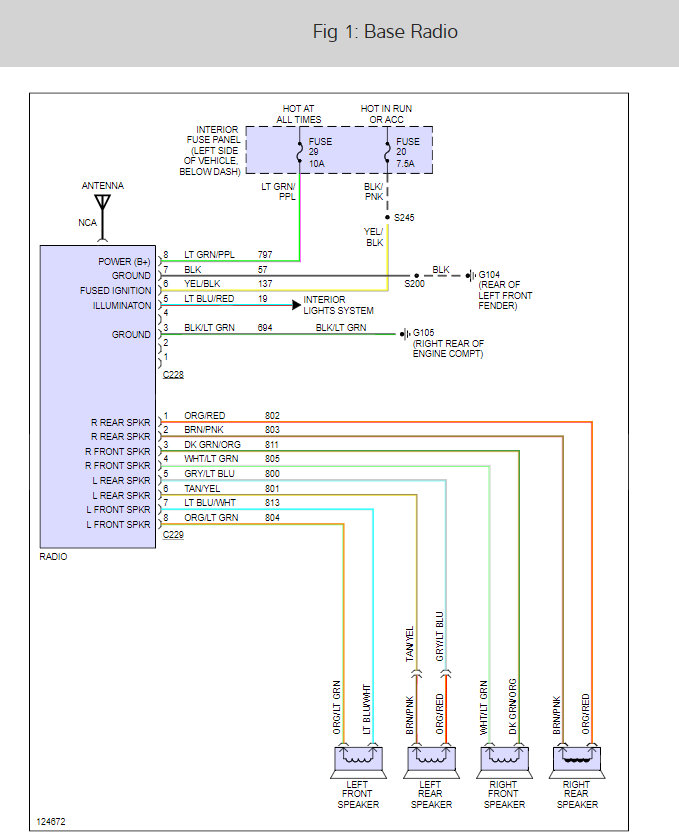
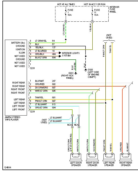
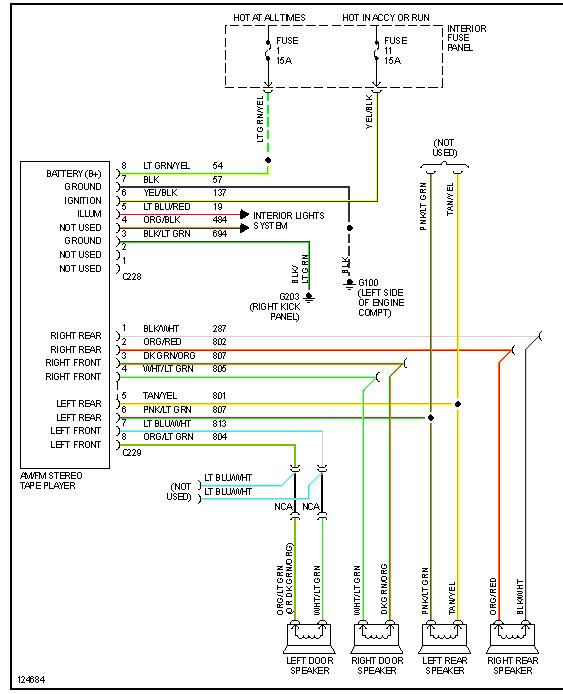
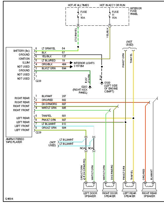
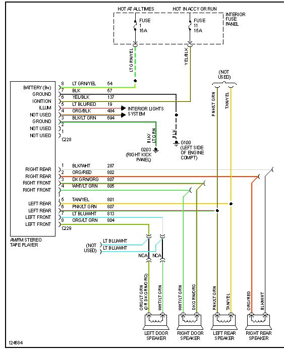
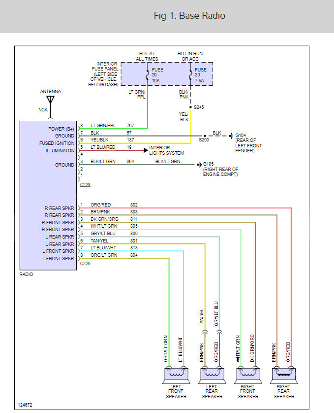
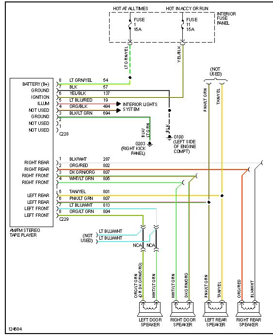
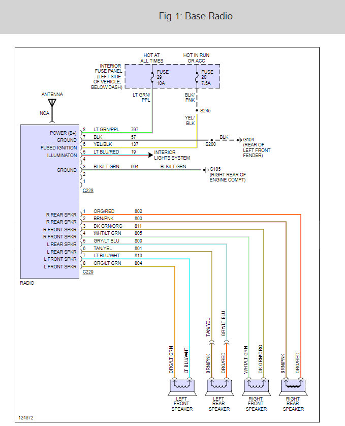
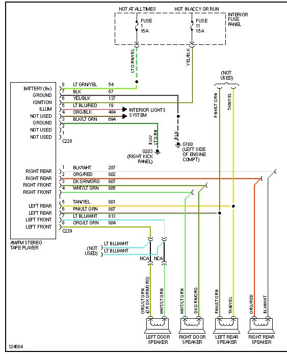
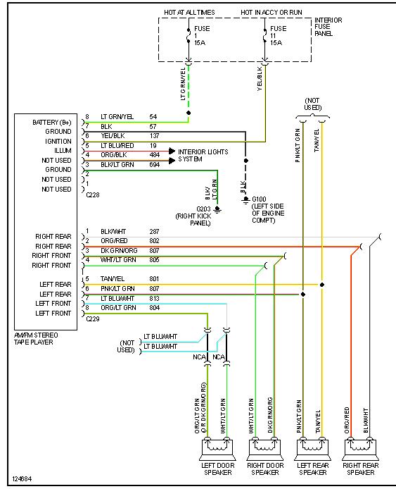
That is the deluxe stereo which has many more wires, Here is the wiring diagrams for all stereos option for your car. Check out the diagrams (Below) Please let us know if you need anything else to get the problem fixed.
Was this
answer
helpful?
Yes
No
+7
Monday, January 6th, 2020 AT 6:20 PM (Merged)
Tiny
KEVINBLAKE21
  • MEMBER
  • 1 POST
  • 1997 FORD EXPLORER
  • 5.0L
  • V8
  • 2WD
  • AUTOMATIC
  • 107,000 MILES
Non of the factory ones they make will fit my wiring and my sound system
Was this
answer
helpful?
Yes
No
Monday, January 6th, 2020 AT 6:20 PM (Merged)
Tiny
CARADIODOC
  • MECHANIC
  • 34,491 POSTS
What are you trying to do?
Was this
answer
helpful?
Yes
No
Monday, January 6th, 2020 AT 6:20 PM (Merged)
Tiny
JAMES LINKINS
  • MEMBER
  • 1 POST
  • 1994 FORD EXPLORER
  • 4.0L
  • V6
  • 4WD
  • AUTOMATIC
  • 142,000 MILES
I am putting new radio in explorer need to put new wire harness on explorer. Need to know where old wire are coming from out of dash broad
Was this
answer
helpful?
Yes
No
+1
Monday, January 6th, 2020 AT 6:20 PM (Merged)
Tiny
HMAC300
  • MECHANIC
  • 48,601 POSTS
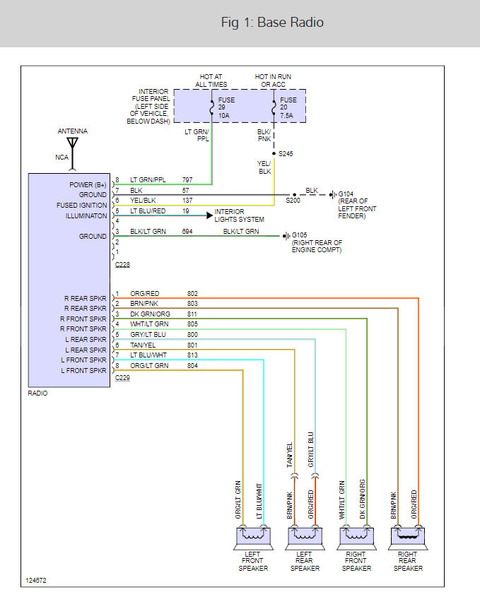
You will have to look and see where it was cut to begin with. This is for a base radio. Check out the diagrams (Below). Please let us know if you need anything else to get the problem fixed.
Was this
answer
helpful?
Yes
No
Monday, January 6th, 2020 AT 6:20 PM (Merged)
Tiny
VBARNOS
  • MEMBER
  • 1 POST
  • 1995 FORD EXPLORER
Colors of factory wiring
Was this
answer
helpful?
Yes
No
-3
Monday, January 6th, 2020 AT 6:20 PM (Merged)
Tiny
HMAC300
  • MECHANIC
  • 48,601 POSTS
Normally you can buy adapters so it's just plug and play. There are 4 different radios for that year which one do you have? Base, jbl, premium w/cd or without
Was this
answer
helpful?
Yes
No
+2
Monday, January 6th, 2020 AT 6:21 PM (Merged)
Tiny
WESTWOOD79
  • MEMBER
  • 3 POSTS
  • 1994 FORD EXPLORER
  • 191,207 MILES
I need wiring diagram for Kenwood CD player I am installing.
Was this
answer
helpful?
Yes
No
Monday, January 6th, 2020 AT 6:21 PM (Merged)
Tiny
KEN L
  • MASTER CERTIFIED MECHANIC
  • 55,538 POSTS
Hello,

Here is a wiring diagram (below) for the radio and the CD player so you can get the job done.

Please let us know if you need anything else to get the problem fixed.

Cheers, Ken
Was this
answer
helpful?
Yes
No
+2
Monday, January 6th, 2020 AT 6:21 PM (Merged)
Tiny
WESTWOOD79
  • MEMBER
  • 3 POSTS
  • 1994 FORD EXPLORER
  • 192,376 MILES
Radio was stolen and hooking up new one. None of wiring diagrams seem to have same color wires.I thought I knew what I was doing.
Was this
answer
helpful?
Yes
No
Monday, January 6th, 2020 AT 6:21 PM (Merged)
Tiny
CARADIODOC
  • MECHANIC
  • 34,491 POSTS
What are you trying to install? Are you putting in an original radio? Is it an aftermarket radio? Those come with wiring colors on a label. Are you trying to find the colors of the original wires?
Was this
answer
helpful?
Yes
No
+1
Monday, January 6th, 2020 AT 6:21 PM (Merged)
Tiny
WESTWOOD79
  • MEMBER
  • 3 POSTS
I am putting in a Kenwood CD player. There was a Kenwood in it that got stolen. The one I am replacing it with is a little older but pretty much the same. The punks that took it cut the wires real nice and neat like they knew what they were doing.
Was this
answer
helpful?
Yes
No
Monday, January 6th, 2020 AT 6:21 PM (Merged)
Tiny
CARADIODOC
  • MECHANIC
  • 34,491 POSTS
I'm still not sure what the problem is. I assume the old radio had its harness wired in and that plugged into the radio, and it sounds like they took that plug. Do you have the plug and wires with the replacement radio? If so, does that mean you just need to know the colors of the factory wires so you can splice your harness to them? Is there a chart on the replacement radio that shows its wire colors? If there is not, you should be able to find that on a web site. Those colors are somewhat standardized throughout the aftermarket industry, but I never work on aftermarket radios so I don't exactly have those memorized.
Was this
answer
helpful?
Yes
No
Monday, January 6th, 2020 AT 6:21 PM (Merged)
Tiny
FORREST GILL
  • MEMBER
  • 1 POST
Ken L! Thank you so much for the wiring diagram * Fig 3. Premium Sound Radio Circuit w/ CD Player! Totally saved me on installing a double din apple carplay stereo in my 1996 Ford Explorer in which someone else had cut the factory wiring harness and added an amplifier at some point and just left a wiring mess to deal with. I kept getting the wrong wiring diagram until I saw what you had posted, and it matched my wire colors! Thanks! :)
Was this
answer
helpful?
Yes
No
Thursday, March 24th, 2022 AT 4:00 PM
Tiny
KEN L
  • MASTER CERTIFIED MECHANIC
  • 55,538 POSTS
Glad you could get it fixed, that kind of problem can be tough. Please use 2CarPros anytime we are here to help.
Was this
answer
helpful?
Yes
No
+1
Saturday, March 26th, 2022 AT 6:33 PM

Please login or register to post a reply.