Tuesday, July 15th, 2014 AT 3:02 PM
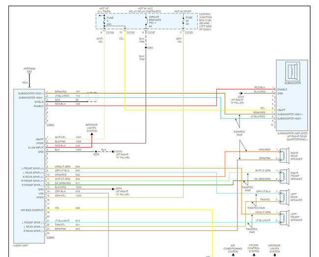
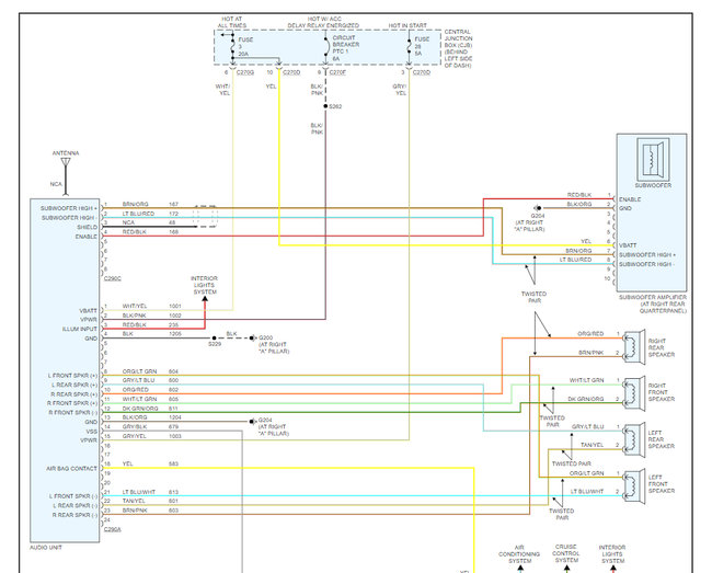
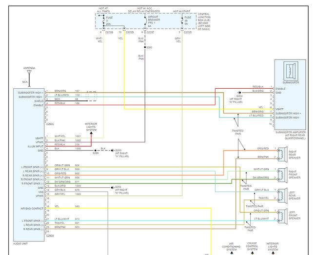
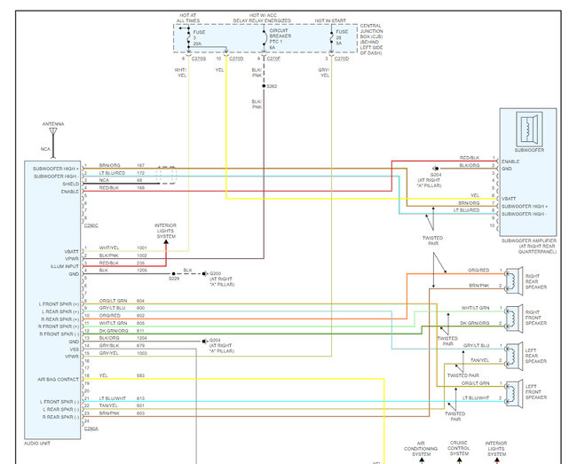
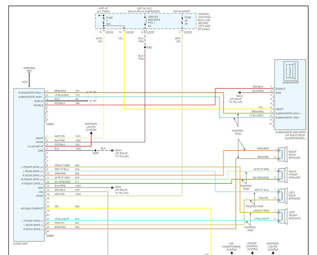
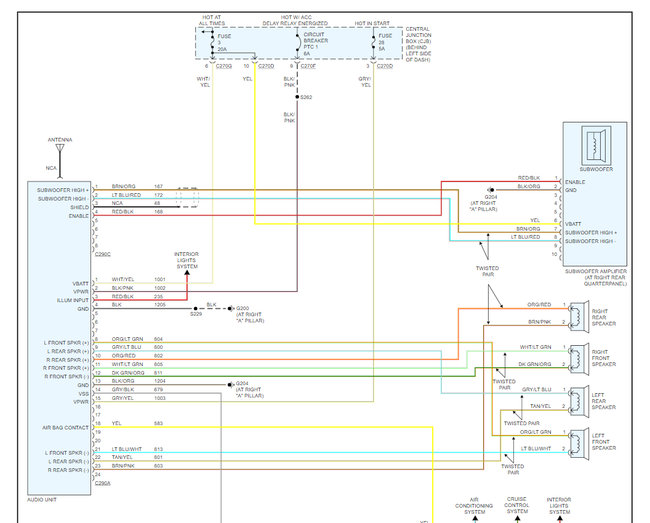
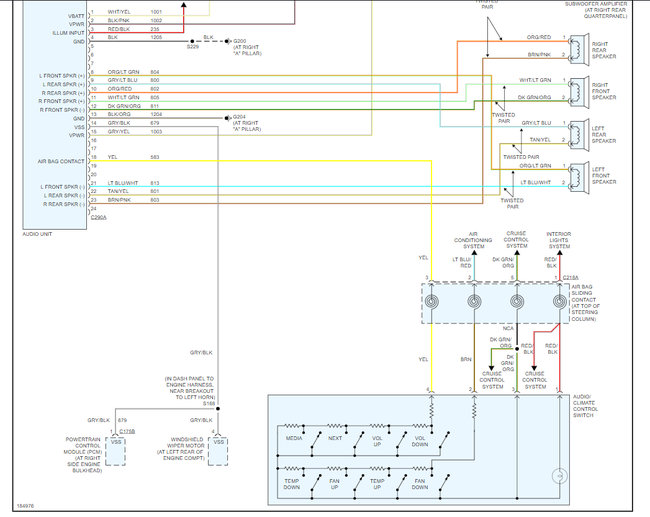
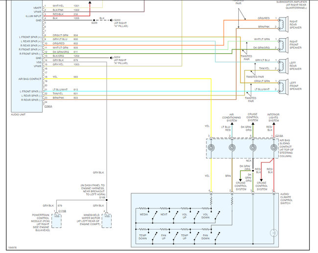
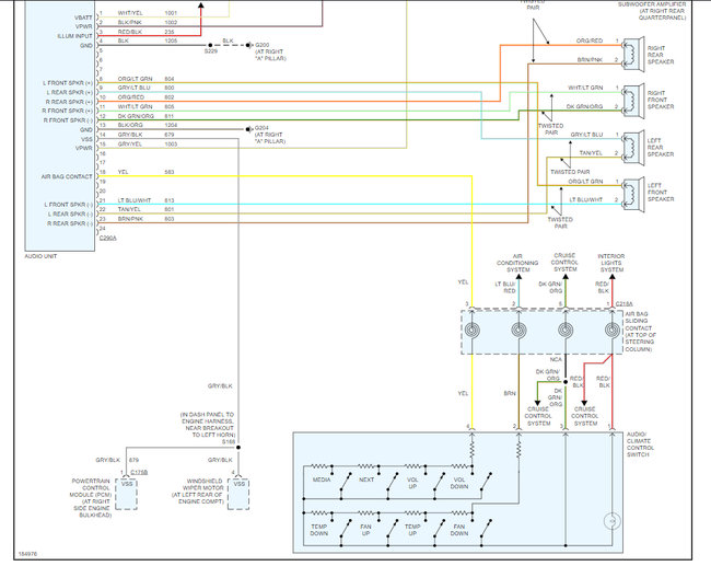
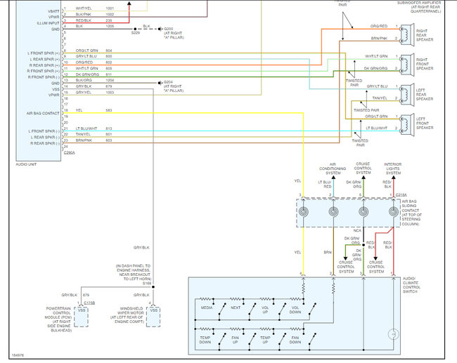
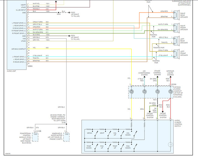
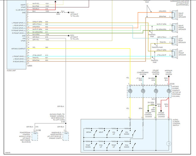
Yes I tried to print wiring diagram but can't read it was wondering if you could send me a better picture.I have the 2004 ford sport trac with the pioneer stereo and subwoofer. Thank you





