The horn doesn't operate?

Tiny
EXPEDITION37
  • MEMBER
  • 1999 FORD EXPEDITION
The horn in my vehicle doesn't operate. I've already checked the fuse in the box under the hood and the fuse is fine. What is my next step?
Thursday, December 31st, 2009 AT 10:33 AM

1 Reply

Tiny
SQM
  • MECHANIC
  • 6,383 POSTS
Hello,

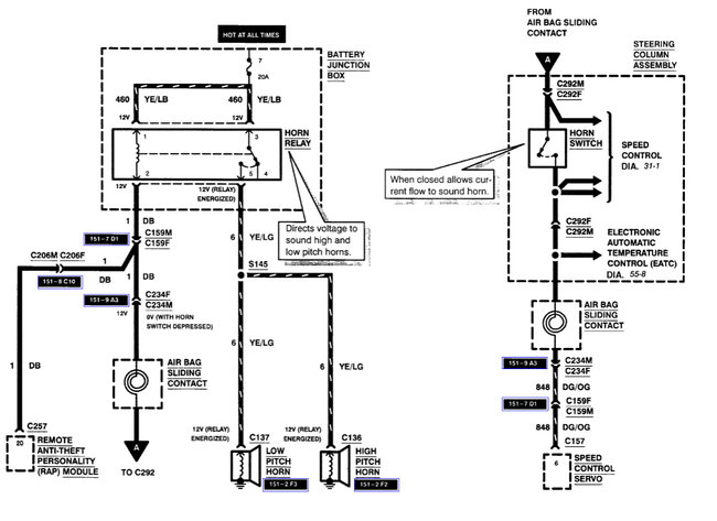
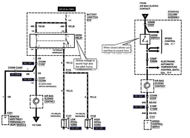
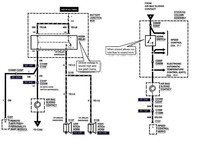
There is a relay associated with the horn of this vehicle.
It is located in the junction box under the hood (see diagram).
Visually inspect the relay for any corrosion or bunt pin(s).
You can also test the functionality of the relay.

https://www.2carpros.com/articles/how-to-check-an-electrical-relay-and-wiring-control-circuit

You also want to make sure that you are getting power to the relay. If the relay is good then check to see if you have power to the connector that plugs into the horn. If you have power then it is a faulty horn.

https://www.2carpros.com/articles/how-to-check-wiring

I have attached diagrams for your reference.

Please let me know of any questions.
Thank you.
Was this
answer
helpful?
Yes
No
Friday, August 27th, 2021 AT 7:00 PM

Please login or register to post a reply.