Cooling fan wont come on

Tiny
BRAD31
  • MEMBER
  • 1998 FORD CROWN VICTORIA

my cooling fan quit working.I replaced the sensor on the intake but I guess thats not what controls the cooling fan from coming on. It does work however if I keep the a/c on max a/c. Its getting cold out and I need to beable to turn my a/c off.
Saturday, November 7th, 2009 AT 7:17 PM

6 Replies

Tiny
BMRFIXIT
  • MECHANIC
  • 19,053 POSTS
With AC on fan working
with AC off is the engine overheating
fan comes on only when needed
if engine not overheating assume all function normal
check for codes
check relays and fuses
check engine coolant temperature sender and wiring
located on top front of engine near #1 injector

Here are a couple guides that will help test the system

https://www.2carpros.com/articles/how-to-check-wiring

https://www.2carpros.com/articles/how-to-check-an-electrical-relay-and-wiring-control-circuit

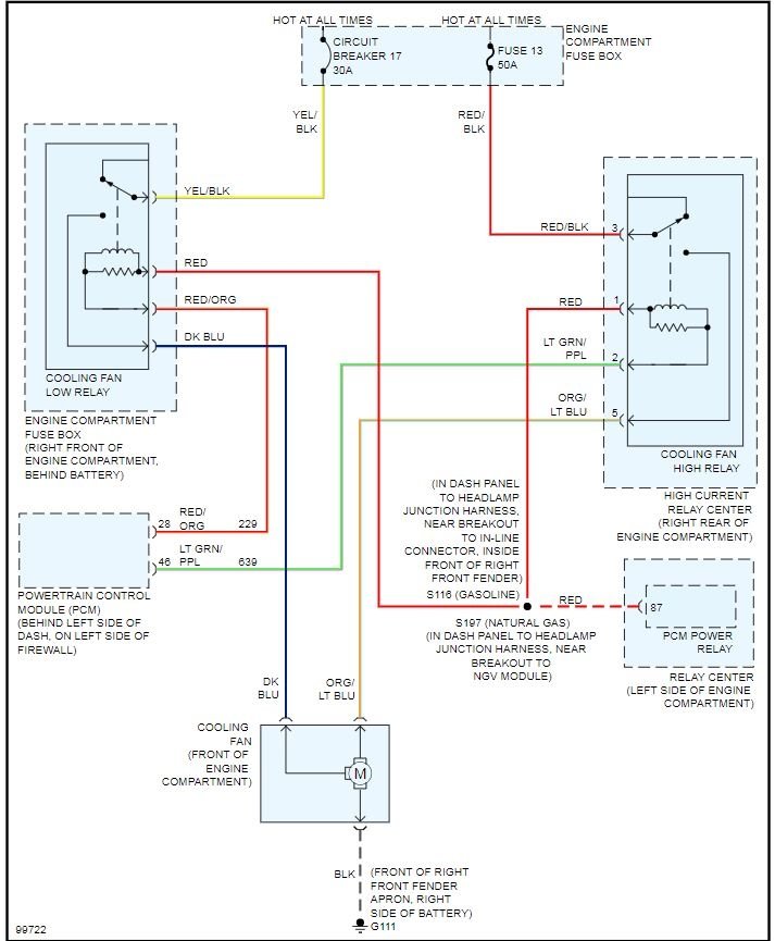
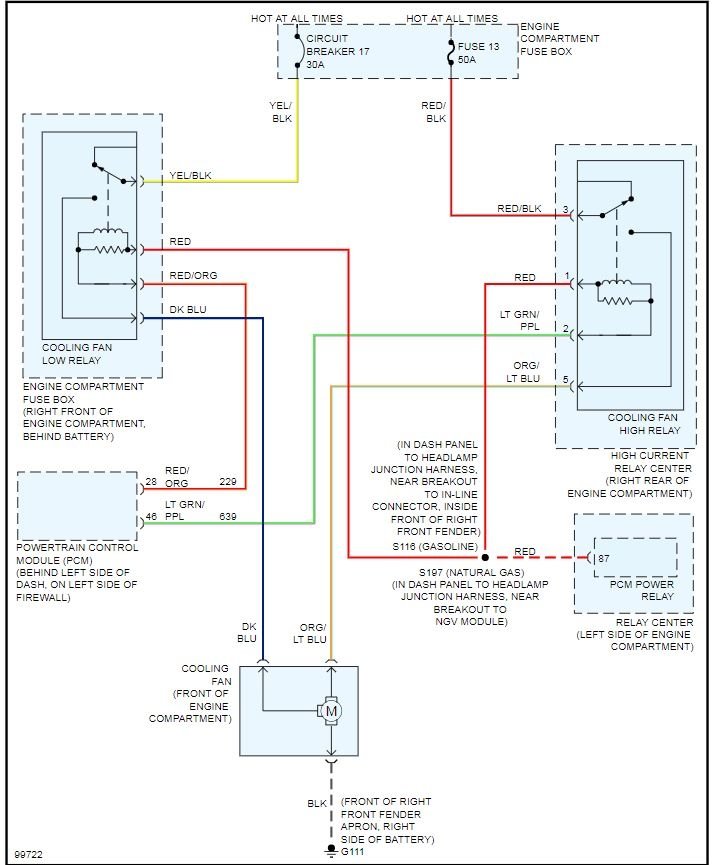
Wiring diagram is attached below
Was this
answer
helpful?
Yes
No
-1
Sunday, November 8th, 2009 AT 6:30 AM
Tiny
CHASCHEE
  • MEMBER
  • 2 POSTS
  • 1999 FORD CROWN VICTORIA
  • V8
  • 2WD
  • AUTOMATIC
  • 128 MILES
My cooling fan for radiator runs constantly. It drained the battery. The sensor reads 1280 ohms, and decreased to 900 while running for 5 minutes. The reference voltage at plug was 10.65 volts. Could it be the ecm?
Was this
answer
helpful?
Yes
No
Friday, April 26th, 2019 AT 6:50 PM (Merged)
Tiny
MERLIN2021
  • MECHANIC
  • 17,250 POSTS
Reference voltage too high, check harness by unplugging from the pcm. For continuity test. If harness is okay have it scanned for codes. B or u codes wont turn on the light.
Was this
answer
helpful?
Yes
No
Friday, April 26th, 2019 AT 6:50 PM (Merged)
Tiny
CHASCHEE
  • MEMBER
  • 2 POSTS
Thank you merlin2021
Was this
answer
helpful?
Yes
No
-2
Friday, April 26th, 2019 AT 6:50 PM (Merged)
Tiny
MERLIN2021
  • MECHANIC
  • 17,250 POSTS
You are welcome, keep me in the loop!
Was this
answer
helpful?
Yes
No
Friday, April 26th, 2019 AT 6:50 PM (Merged)
Tiny
RENEE L
  • ADMIN
  • 1,260 POSTS
Here is a link to an article that features written instructions and pictures explaining how to do the scan yourself, also I have included a link to our YouTube channel with a how to video on code scanning. Most scanners are inexpensive to purchase, you can purchase one from Amazon.com. Once you have the codes please get back to to us so we can further assist you. Thank you for visiting 2CarPros.

https://www.2carpros.com/articles/checking-a-service-engine-soon-or-check-engine-light-on-or-flashing

https://youtu.be/YV3TRZwer8k
Was this
answer
helpful?
Yes
No
Friday, April 26th, 2019 AT 6:50 PM (Merged)

Please login or register to post a reply.