Headlights, fog lights, high beams, parking lights, dashboard lights, all flicker on and off

Tiny
JHEDGER98
  • MEMBER
  • 2004 DODGE DURANGO
  • 4.7L
  • V8
  • 4WD
  • AUTOMATIC
  • 230,000 MILES
Sometimes a lot. Sometimes not at all. Sometimes none of my lights even come on. It’s only been happening for a week or two now, but it’s not fun driving at night flashing every person that drives by. Please help. My battery and alternator all tested good.
Tuesday, February 8th, 2022 AT 10:07 PM

1 Reply

Tiny
WENDY W
  • MECHANIC
  • 86 POSTS
Hello!

It sounds like there could be an intermittent grounding failure in your wiring harness. Sometimes this means there is a bad connection between the battery and the battery cables. Check out this repair guide that explains how to check the battery cables:

https://www.2carpros.com/articles/everything-goes-dead-when-engine-is-cranked

This repair guide gives some background on how a vehicle's electrical system works:

https://www.2carpros.com/articles/how-a-car-electrical-system-works

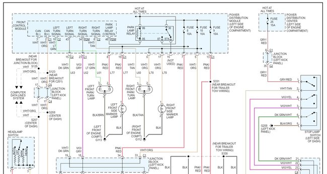
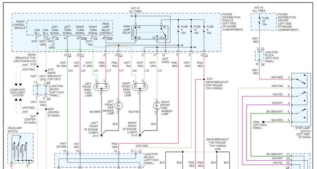
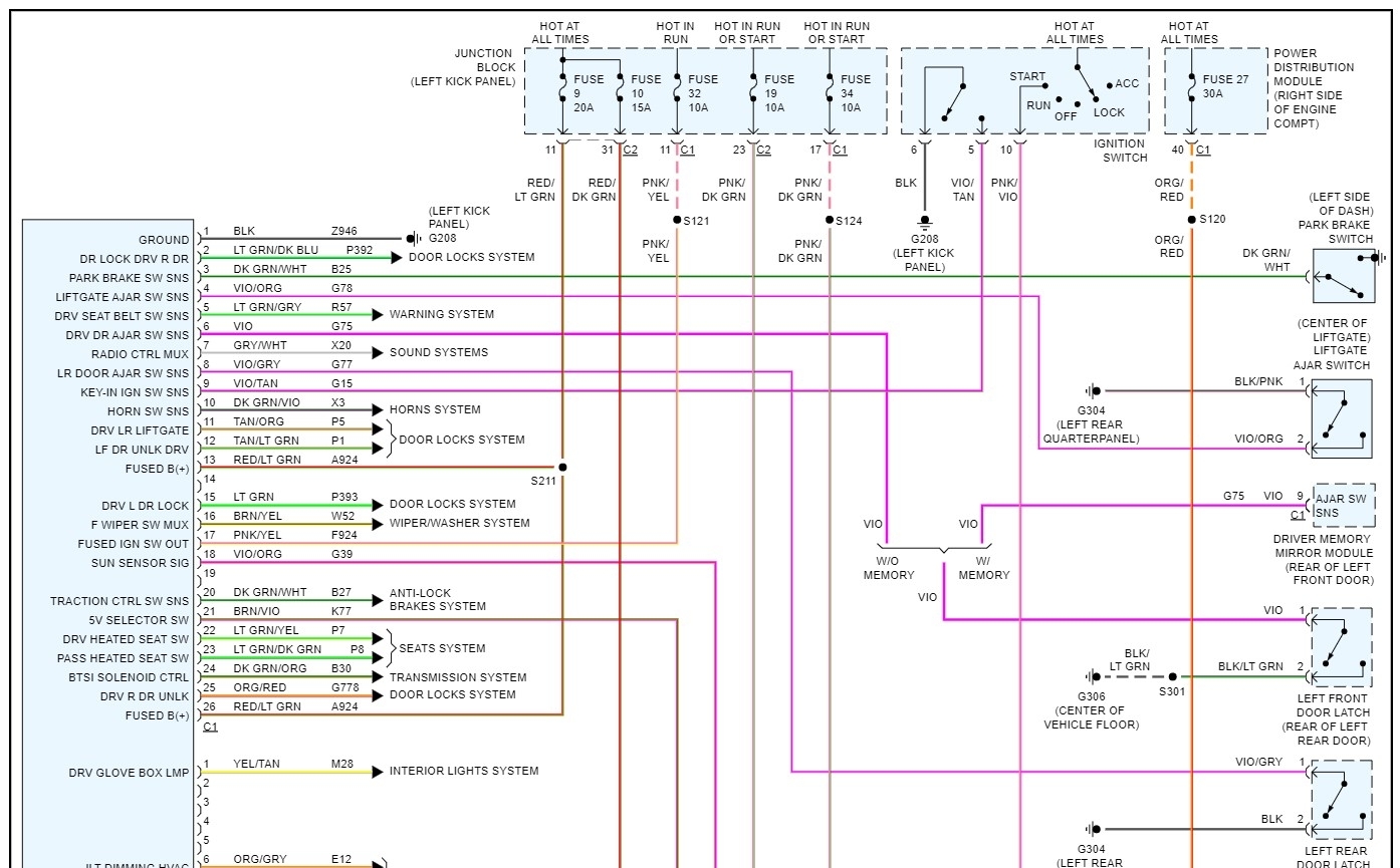
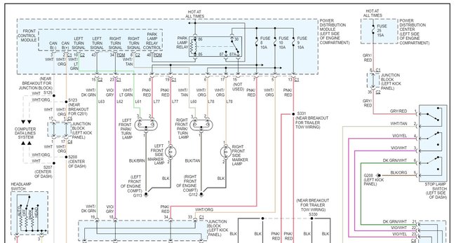
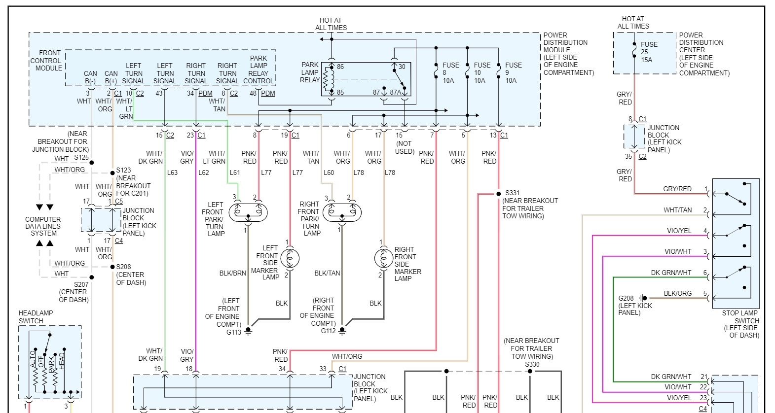
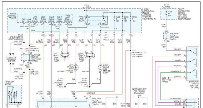
There are many grounds throughout the vehicle, and occasionally the connection at one of these points can become corroded, or the ground bolt can start to loosen. This can lead to some of the components, like lighting and the instrument cluster, failing intermittently.

Below, you will find several diagrams that show the ground locations throughout the vehicle.

The ground circuits are marked with “G”. For instance, G208 is a ground in the left kick panel.

The exterior lighting schematic and the instrument cluster schematic are somewhat large, so I've placed them onto several pages to hopefully make them a bit easier to read.

Check out the diagrams (below).

Please let us know what you find.

Thanks, Wendy W

Was this
answer
helpful?
Yes
No
Thursday, February 10th, 2022 AT 6:20 AM

Please login or register to post a reply.