Sunday, August 6th, 2023 AT 12:03 PM
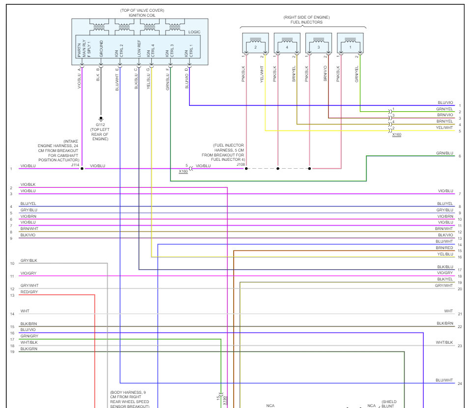
Hey, I recently replaced my ECM x2 harness due to a failure with the oil pressure pan. After getting the wiring and pins back correct, soldered and taped the starter went out. I checked to make sure the motor wasn't seized by turning the flywheel. I tested the starter to confirm my suspicion, so I replaced it and tried to crank it. After doing so I realized I wasn't getting fire in my ignition control module. I tested it with my test light to see if the ignition positions would light, the only one that lit up was the power train. I wanted to know if it was an alternating or direct current that goes through it to the coil pack. I'm thinking this would be considered a no crank no start. Okay here's an update. So after removing and putting fuses and relays back I got it to crank but not run. I checked the ignition fuses including the 2 relays. I also checked the ecm and bcm fuses. All of which have fire coming to and from them. When cranking it sounds like it's a really rough crank. I was thinking it might be the crankshaft position sensor but I really don't know.




























