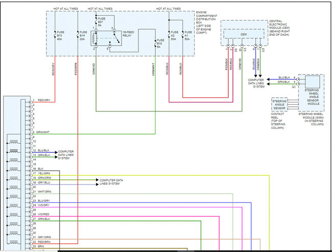
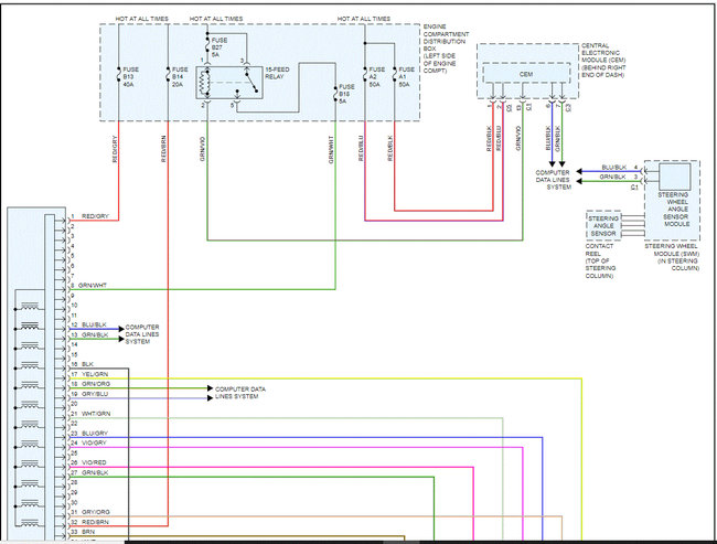
My name is Muhimu, I have two major messages on my dashboard of my car
Xc 60 T5 2014 model as follows:
1) ABS/DSTC failure service required.
2) City Safety service required.
3) Time for regular maintenance, (I believe this one can be reset after regular service as it was set during our last service).
Once I have those messages, I cannot access several factions:
1) Cruise control.
2) City drive stops to be active.
Someone advised to send the ABS control unit together with pump to repair to modex technology which I did but still I am getting the same messages as it was before.
Please assist.
Thanks,
Muhimu
Sunday, August 1st, 2021 AT 7:30 PM




















