Tuesday, May 9th, 2023 AT 12:11 AM
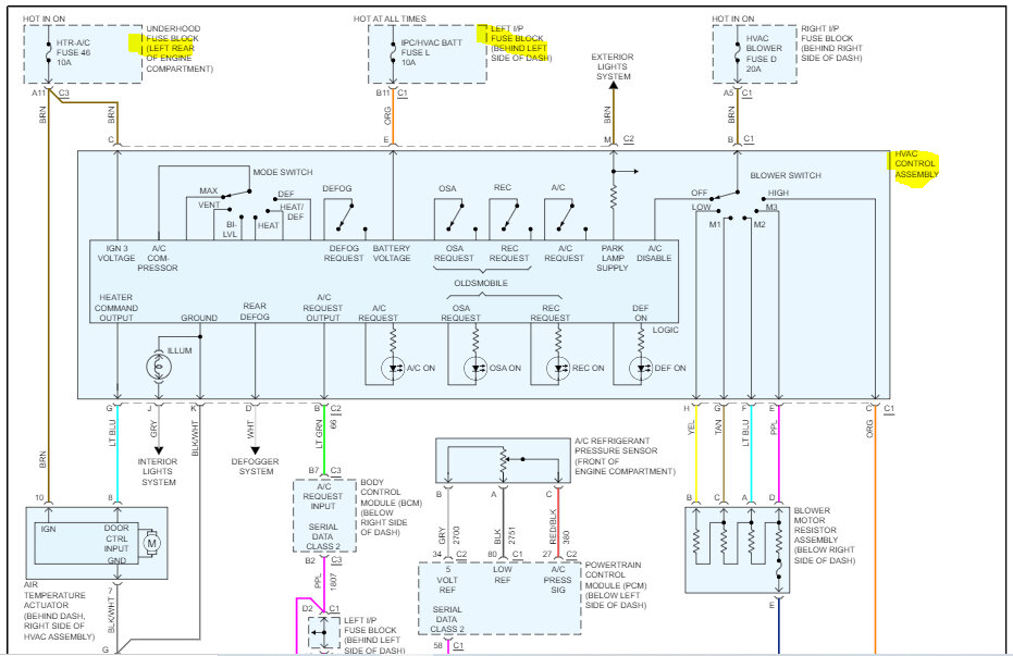
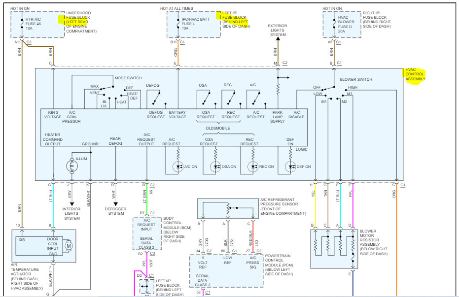
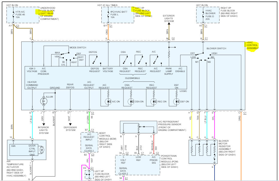
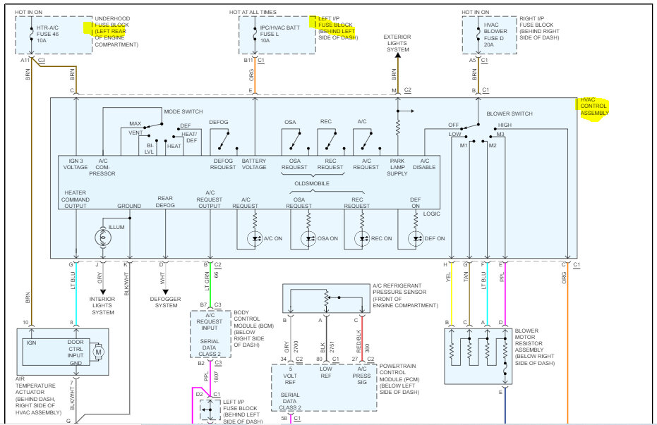
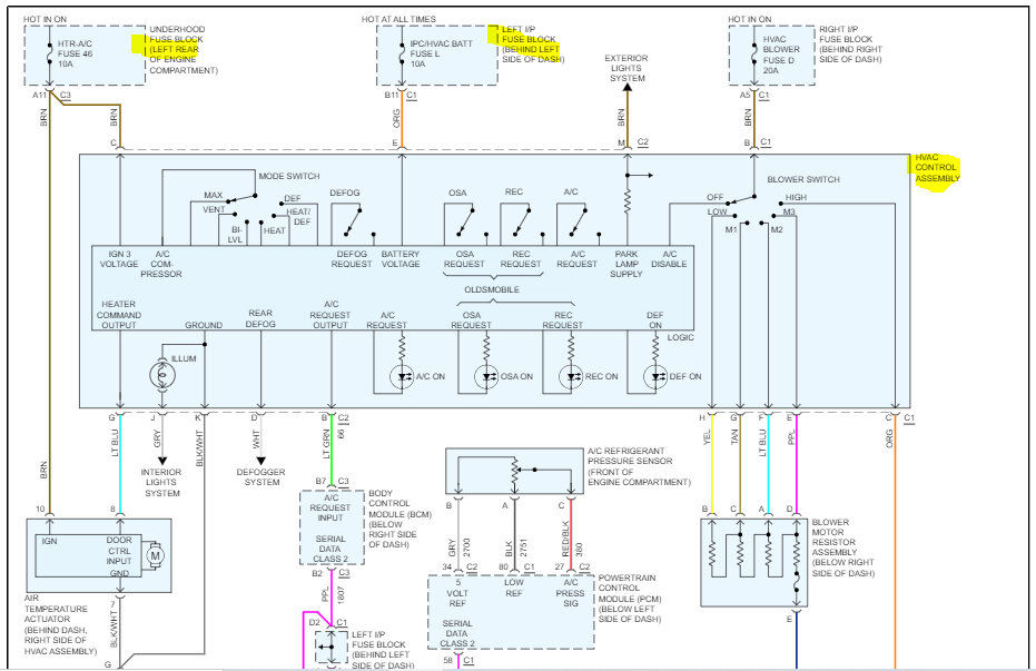
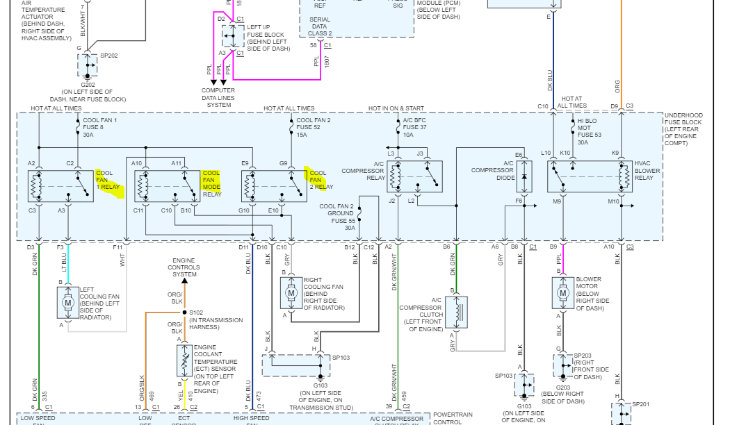
Been trying to figure out why my car seems to be running a little bit too warm for me. Just when I'm stopped, it creeps past 200 to 3/4 but won't go any further. My fans won't come on, tried filling up the Freon still no A/C no fan either. Replaced thermostat, temperature sensor, and water pump was leaking so replaced that too. Bled the system. I'm going to check the fan motors and relays next, what should my Dmultimeter be reading on each one? The AC has a switch too, right? On top of the radiator?





