Tuesday, October 10th, 2017 AT 6:36 AM
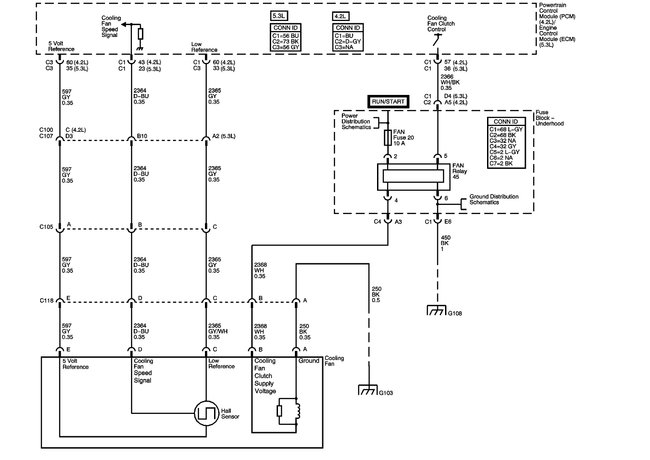
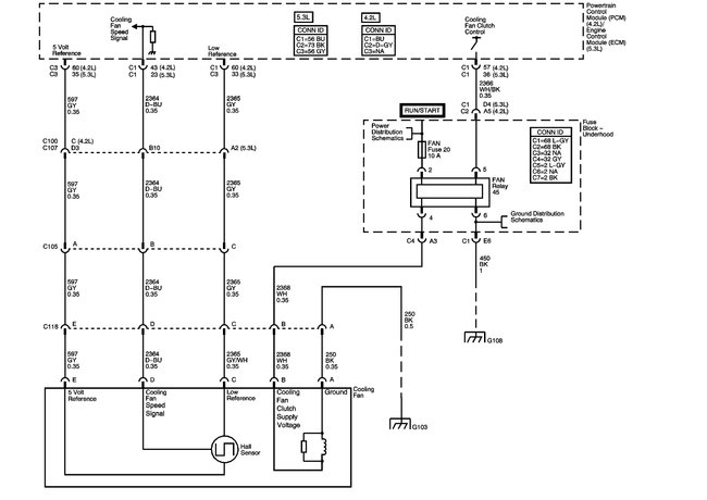
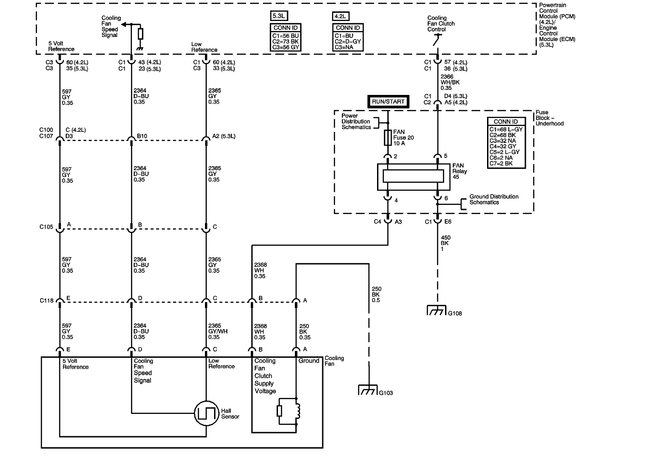
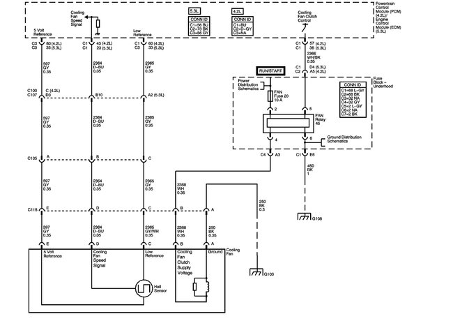
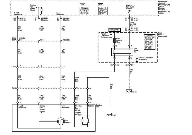
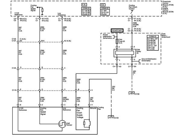
I replaced the fan clutch twice on my vehicle. The second time was about three weeks ago. Now and it is still showing service engine soon. I checked the wires that plugs into the fan clutch and I am only getting one out of five that works. What is the part called that plugs into the fan clutch? I know it is a harness, but I cannot get a full name on it. And would I have to rewire the whole thing?

