Wednesday, April 28th, 2021 AT 9:15 PM
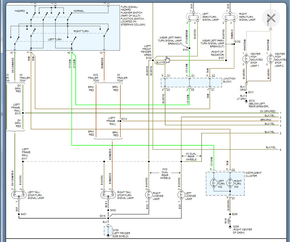
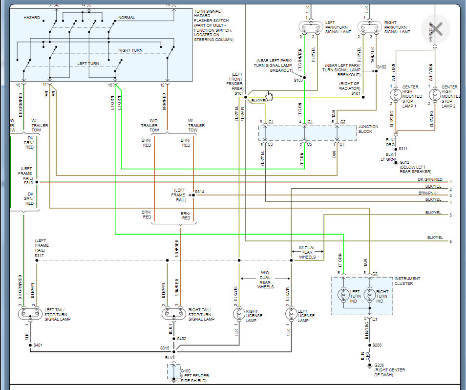
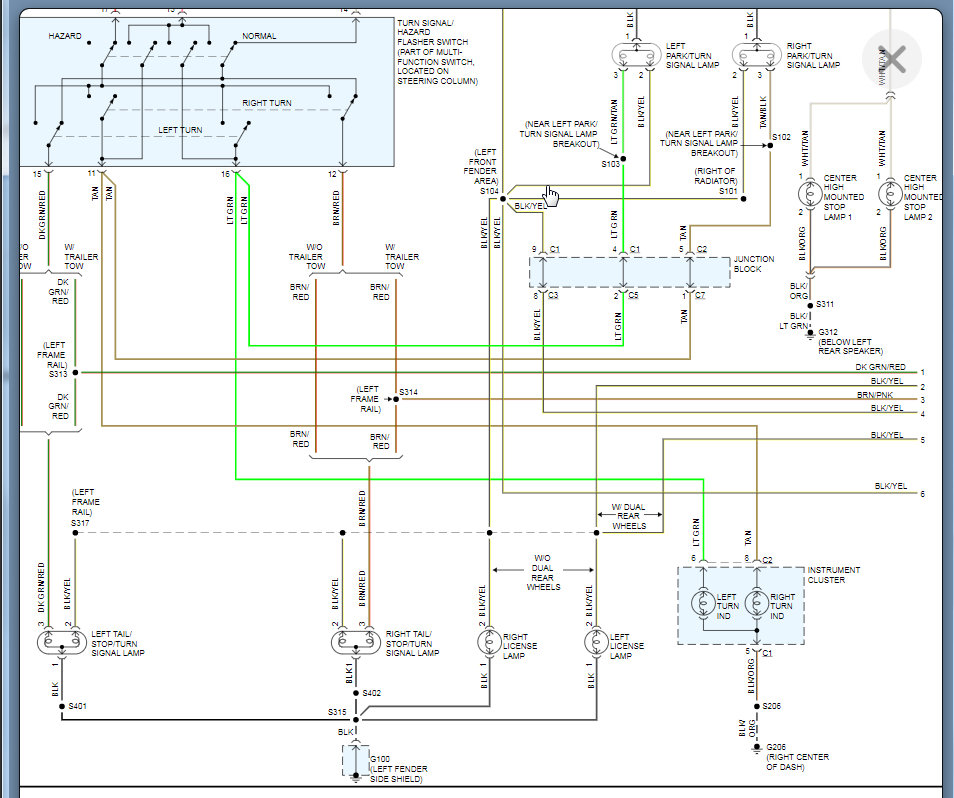
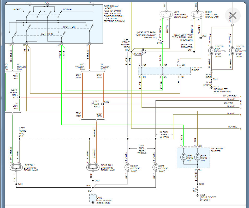
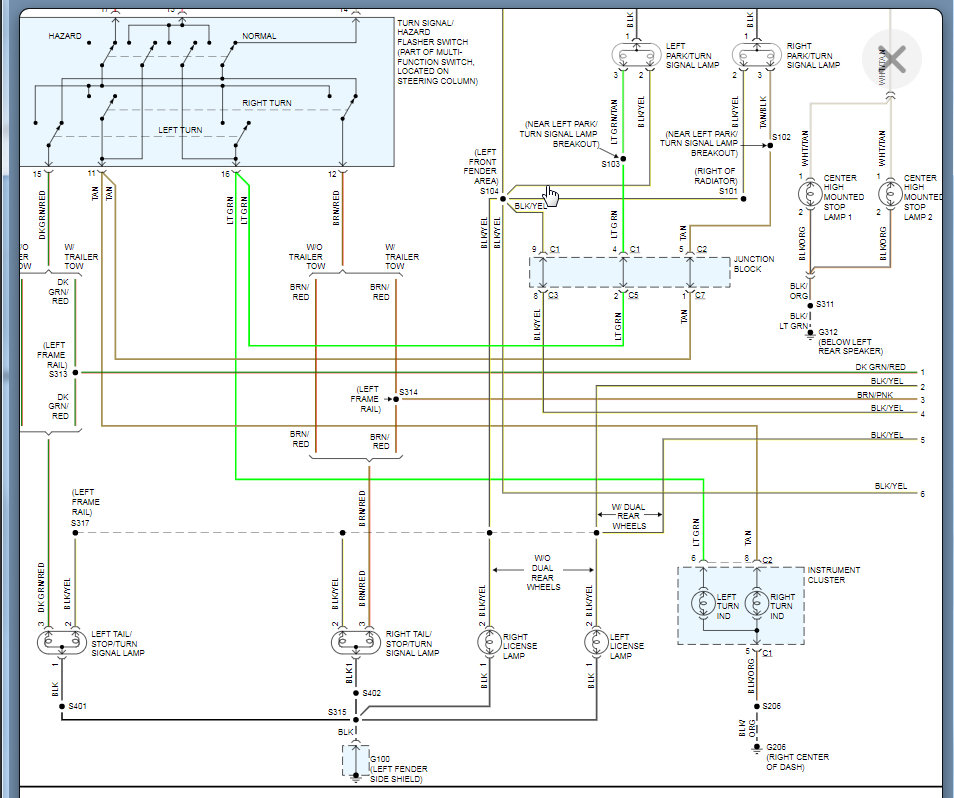
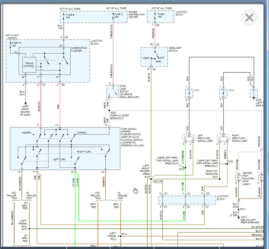
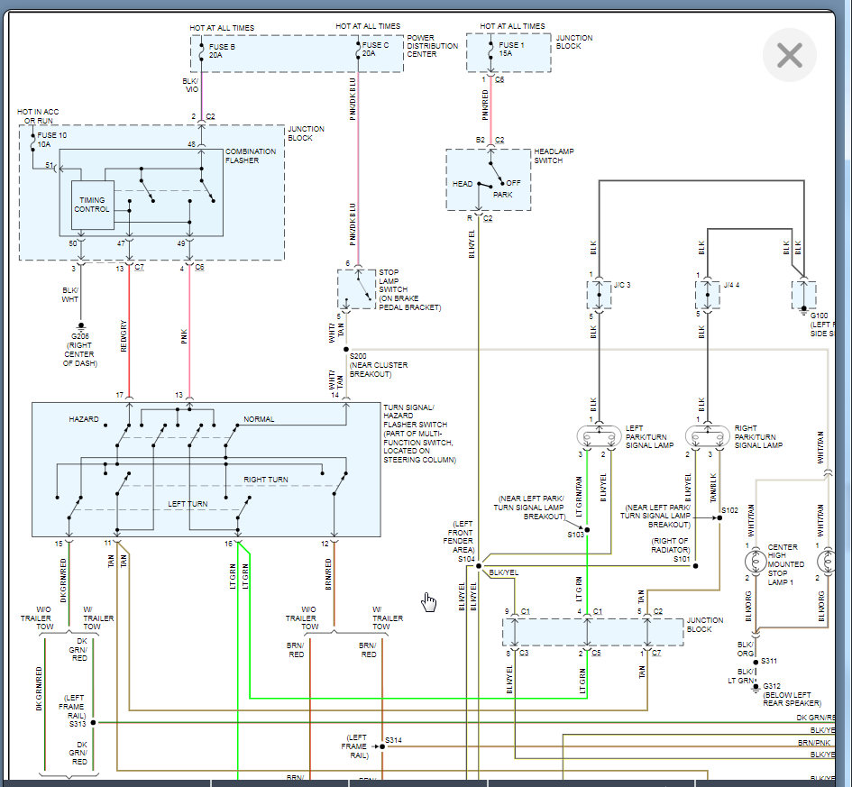
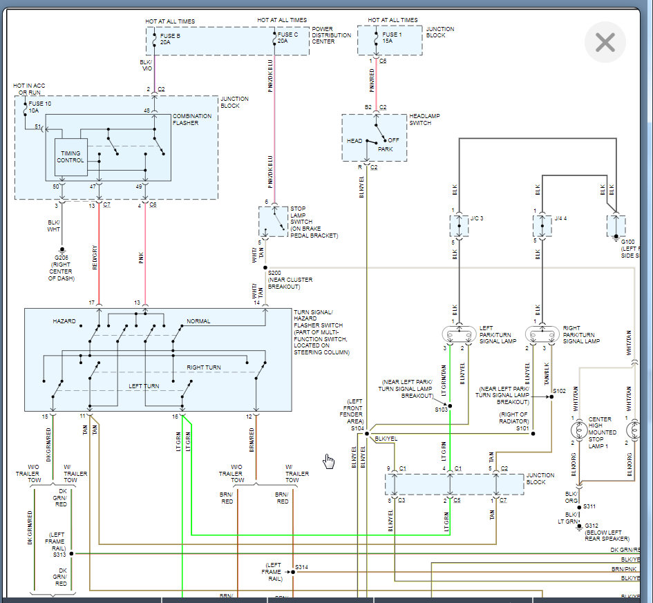
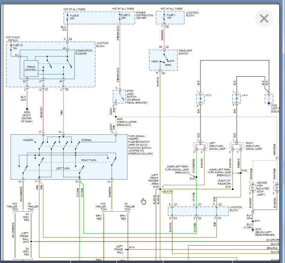
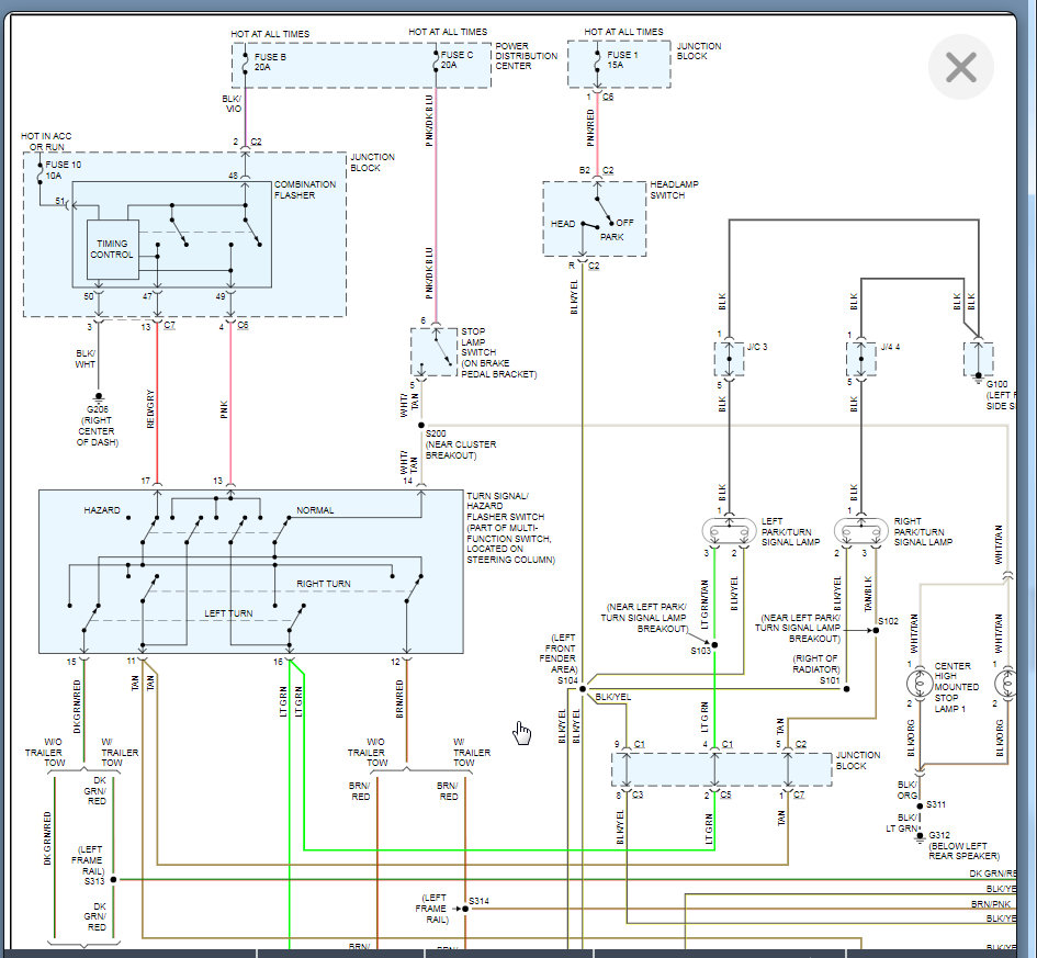
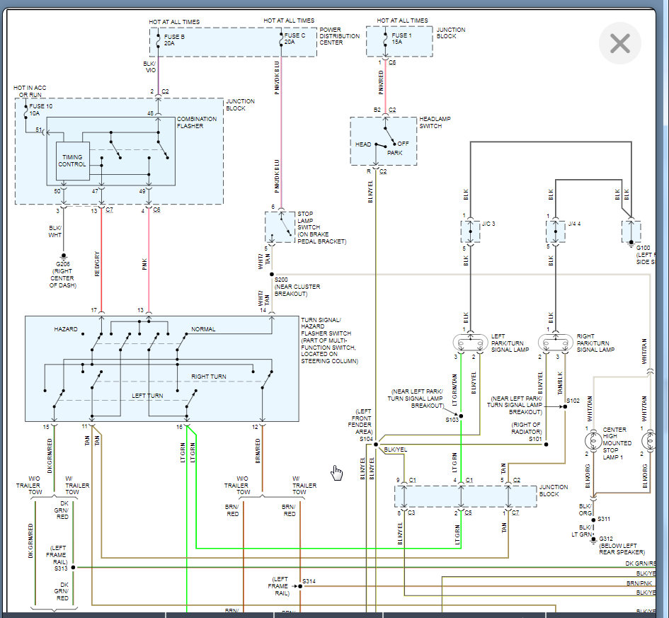
Bought a truck recently and the brake lights have never worked. Fiddled with the truck a little bit to find out that the front and back brake lights and blinkers only work when the battery engaged. Once you turn it over and truck is running, the front and back brake lights and blinkers don’t work. What could be the cause of this?



