Code 442, EVAP small leak

Tiny
LUK2OR3
  • MEMBER
  • 23 POSTS
If your talking vent I just jumped the wires one thing that really confuses me is says the service port goes to charcoal canister not gas tank in my chilton.
Was this
answer
helpful?
Yes
No
Friday, April 16th, 2021 AT 9:01 AM
Tiny
ASEMASTER6371
  • MECHANIC
  • 52,796 POSTS
The vent is t the back of the truck on the frame. If the purge in the front passed the test, the vent is next.

You would need to apply voltage to the vent solenoid manually if you do not have a scan tool that can do this. Make sure the valve opens and closes.

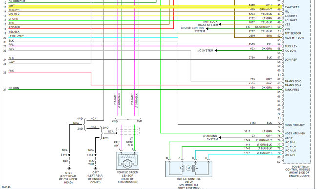
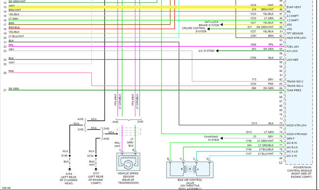
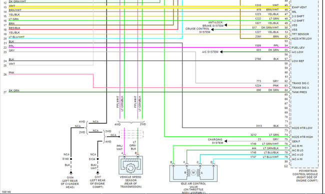
I attached the flow chart for the 443 code below. I also attached a wiring diagram of the vent solenoid and the purge valve for you.

https://www.2carpros.com/articles/how-to-check-wiring

https://www.2carpros.com/articles/how-to-use-a-voltmeter

Roy
Was this
answer
helpful?
Yes
No
Friday, April 16th, 2021 AT 1:22 PM

Please login or register to post a reply.