Tuesday, July 25th, 2023 AT 11:16 AM
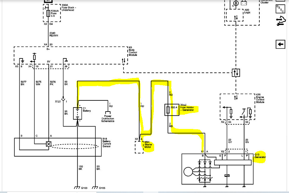
I thought I had a problem with my alternator, but I replaced it. Bought a new battery and I'm still having the same problem. My stability track light continues to come on. Anytime I jump it, it runs fine no problems. As soon as I remove the jumper cables seconds later service stability track service power steering all apear on my dashboard, then the vehicle will shut off. I believe it's not holding power if that's possible. I need to know where Ohio can I find that power failure if that's the case.








